RoadTest: Enroll to Review the Rohm Buck Converter Eval Kit BD9G500EFJ-EVK-001
Author: strb
Creation date:
Evaluation Type: Evaluation Boards
Did you receive all parts the manufacturer stated would be included in the package?: True
What other parts do you consider comparable to this product?: Other buck converter ICs
What were the biggest problems encountered?: Minor difficulties for swapping components and signal probing on some nets without test points. During transient simulation, I needed to change some parameters (nothing major) to make simulation converge
Detailed Review:

Modern electronic systems are getting more and more sophisticated, demanding higher and higher performances in every design aspect. Power supply management is one of those, and Rohm's solution for demanding supply in industrial (and many more) applications is represented by BD9G500EFJ-LA and BD9G500UEFJ-LA integrated buck DC/DC converter.
In this post, I'm going to sum up testing results using the evaluation board BD9G500EFJ-EVK-001, as well as evaluate the design process.
If you want to have a deeper look at this product, you can look at these RoadTest blogs:
And at the BD9G500EFJ-LA BD9G500UEFJ-LA product page as well.
Before starting I want to thank Element14 and Rohm for this fantastic opportunity, allowing me to test the BD9G500EFJ-EVK-001 board and become for the first time a roadtester.
The board arrived nicely packed in a rather stilish box. Inside, the board is protected by a conductive bag and firmly kept inside by two foam pieces.

The board is a high quality 4 layer board with 70um copper on outside layers and 35um copper for inner layers. All components are nicely labeled on the front silkscreen but many of them are too tiny in my opinion (0402 package). Space is not a concern on this board and I would have preferred slightly bigger passives to ease up any component swap.
I like input and output test pins and the fact that are arranged for a 4-wire measurement, but there are not any other test points readily available to easily probe signals like switching node and feedback loop.
By flipping the board, we can see more clearly that ground planes don't extend all the way to board edges and leave some traces "dangling" in mid air, without any reference plane. Moreover, there is a copper hole under the inductor that cuts all three ground layers. I don't know why they chose to do so (maybe there is a good reason that I don't know) but it's something that I would not suggest doing. A worth reading, suggested by baldengineer in my first post on this argument is the following: https://www.signalintegrityjournal.com/blogs/17-practical-emc/post/2694-dc-dc-converters-solid-return-plane-or-cutouts-under-switch-node-and-inductor.
| {gallery}Board view |
|---|
|
|
|
|
Last, but not least, it's advertised as "long time support product for industrial application". This alone can save some headaches to design engineers due to product end of life!
As a side note, there are two equivalent P/N for this IC: BD9G500EFJ-LA and BD9G500UEFJ-LA. The latter is more recent and manufactured using a different production line and Rohm suggests using BD9G500UEFJ-LA for new designs.
Measuring general performances using the evaluation board proved to be quite easy. A feature that I used a lot is the possibility to measure input and output voltage using 4 wire set up.
This IC isn't specifically made for low power applications and it's input current consumption shows it. However, it makes up for its "high" no load current consumption by providing an enable pin. When disabled, the BD9G500EFJ-LA consumes only 150nA at 48V!
| {gallery}Current consumption |
|---|
|
No load current consumption |
|
Shutdown current consumption |
Line regulation is excellent and load regulation proved to be good as well, with a small dependency on input voltage. Efficiency greatly depends on a number of different factors but proved to be aligned with the evaluation board user manual data or slightly better, reaching a peak efficiency of 92%.
| {gallery}Line, load regulation and efficiency |
|---|
|
No load line regulation |
|
Load reguation dependency on input voltage |
|
Efficiency |
Dynamic performances were quite good as well, showing great transient response on both rising and falling edges of a step current load. Rising edge behavior was usually better but that's expected, especially if the falling edge goes abruptly from high current to zero. Soft start works great, even if there seems to be a small anomaly in the input current behavior when it finishes.
| {gallery}Transient response and soft start |
|---|
|
Transient response from 0A to 1.7A |
|
Transient response from 1.7A back to 0A |
|
Closer look to transient response from 1.7A back to 0A |
|
Start up voltage and current |
Looking at protections, input undervoltage worked flawlessly, as well as short circuit protection. Overvoltage protection worked as well too, while the overvoltage discharge feature didn't completely satisfy me (but my test was pretty brutal).
| {gallery}Some protection features |
|---|
|
Output behavior during an input undervoltage event |
|
Short circuit protection in action |
|
Output behavior in case of a strong inductive load dumping back energy: output is slowly discharged |
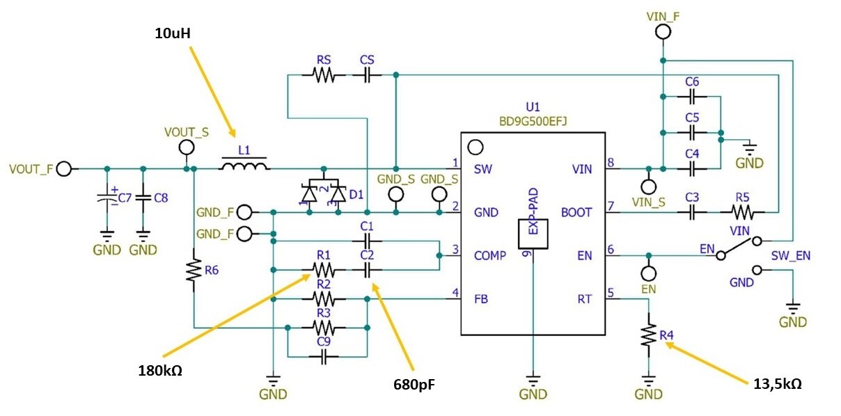
To test ease of design and support material, I tried to improve the already good transient response that the BD9G500EFJ-EVK-001 design provides.
Using a bit of experience and the comprehensive support material Rohm provides on the product page I was able to reach my goal, achieving an even more impressive transient behavior (voltage variation in the order of 100mV for a 3.5A load current variation!). Noticeably, I was able to achieve it on the first try, thus avoiding spending time on testing and development loops. This should speak for itself for the support material quality and quantity.
Swapping components went fine, even on those small 0402 passives. Beware: removing the inductor is not so easy!
| {gallery}Modified evaluation board |
|---|
|
Modified scheme |
|
Board surgery! |
|
Transient response to 3.5A step load |
|
3.5A to "zero" response |
Among all kinds of support material, Rohm provides a PSpice model (with a beautiful application note comparing simulation and real measures). But if you don't have some sort of PSpice (like I do) Rohm provides an online simulation tool with an already prepared simulation circuit. Very nice and handy! To get access to it, you only need to create a Rohm account.
Once logged in, you will find an already prepared simulation test bench. Rohm provides a simulation guide too, but it wasn't really necessary for me as it was already well prepared and easy to use. Here, you can play with circuit parameters and verify your circuit loop stability before assembling the real circuit (not the other way around like I did ).
With a bit of tinkering, I also was able to edit the circuit to execute a transient simulation and compare simulated results with my test measures. They were incredibly close!
| {gallery}Transient simulation |
|---|
|
Time domain simulation parameters |
|
Time domain simulation result |
|
Simulation comparison with real measure |
Overall I can say that the BD9G500EFJ-EVK-001 (and consequently BD9G500EFJ-LA and BD9G500UEFJ-LA) made a positive impression to me. I found a lot of positives and only few minor negative points, such as some weird layout choices, some components a bit too small and the absence of "internal" test points to easily probe signals other than input and output voltage. My ratings for this product are:
Product performed to expectations: 4.5/5. Generally, the BD9G500EFJ-EVK-001 performed up to expectation and sometimes even above expectation (I'm referring to the super fast transient response, which was one of my main interest points). I was expecting something more from the overvoltage discharge feature but I guess it wasn't designed for a "brutal" use case like I did during testing.
Specifications were sufficient to design with: 5/5. Rohm provides plenty of design material and design examples to easily nail at the first try an excellent performing buck converter.
Demo software was of good quality: 5/5. Here I evaluated the online simulation tool. It was easy to use, precise and with an already prepared test circuit. Can't ask much more.
Product was easy to use: 4.5/5. For the most part, the board was very easy to use. I think that using 0402 resistors and the complete absence of internal test points slightly penalize the usability, specifically thinking about a designer who wants to modify the circuit to test his design. Output test points are fantastic if you only need to hook up a scope probe, but aren't ideal for connecting something else like a load.
Support material were available: 5/5. As already stated many times, Rohm provides plenty of support material, so much so that I didn't even use all of it.
The price to performance ratio was good: 4.5/5. The BD9G500EFJ-LA and BD9G500UEFJ-LA are not among the cheaper buck IC, but if you look closely at their specifications there aren't many other options with comparable features set. Compared to these options, its price is aligned with the market. The BD9G500EFJ-EVK-001 board price is very good.