element14 Community
element14 Community
    Register Log In
  • Site
  • Search
  • Log In Register
  • Community Hub
    Community Hub
    • What's New on element14
    • Feedback and Support
    • Benefits of Membership
    • Personal Blogs
    • Members Area
    • Achievement Levels
  • Learn
    Learn
    • Ask an Expert
    • eBooks
    • element14 presents
    • Learning Center
    • Tech Spotlight
    • STEM Academy
    • Webinars, Training and Events
    • Learning Groups
  • Technologies
    Technologies
    • 3D Printing
    • FPGA
    • Industrial Automation
    • Internet of Things
    • Power & Energy
    • Sensors
    • Technology Groups
  • Challenges & Projects
    Challenges & Projects
    • Design Challenges
    • element14 presents Projects
    • Project14
    • Arduino Projects
    • Raspberry Pi Projects
    • Project Groups
  • Products
    Products
    • Arduino
    • Avnet Boards Community
    • Dev Tools
    • Manufacturers
    • Multicomp Pro
    • Product Groups
    • Raspberry Pi
    • RoadTests & Reviews
  • About Us
  • Store
    Store
    • Visit Your Store
    • Choose another store...
      • Europe
      •  Austria (German)
      •  Belgium (Dutch, French)
      •  Bulgaria (Bulgarian)
      •  Czech Republic (Czech)
      •  Denmark (Danish)
      •  Estonia (Estonian)
      •  Finland (Finnish)
      •  France (French)
      •  Germany (German)
      •  Hungary (Hungarian)
      •  Ireland
      •  Israel
      •  Italy (Italian)
      •  Latvia (Latvian)
      •  
      •  Lithuania (Lithuanian)
      •  Netherlands (Dutch)
      •  Norway (Norwegian)
      •  Poland (Polish)
      •  Portugal (Portuguese)
      •  Romania (Romanian)
      •  Russia (Russian)
      •  Slovakia (Slovak)
      •  Slovenia (Slovenian)
      •  Spain (Spanish)
      •  Sweden (Swedish)
      •  Switzerland(German, French)
      •  Turkey (Turkish)
      •  United Kingdom
      • Asia Pacific
      •  Australia
      •  China
      •  Hong Kong
      •  India
      •  Korea (Korean)
      •  Malaysia
      •  New Zealand
      •  Philippines
      •  Singapore
      •  Taiwan
      •  Thailand (Thai)
      • Americas
      •  Brazil (Portuguese)
      •  Canada
      •  Mexico (Spanish)
      •  United States
      Can't find the country/region you're looking for? Visit our export site or find a local distributor.
  • Translate
  • Profile
  • Settings
Power & Energy
  • Technologies
  • More
Power & Energy
Forum TP4056 In series with Isolation
  • Blog
  • Forum
  • Quiz
  • Documents
  • Polls
  • Events
  • Mentions
  • Sub-Groups
  • Tags
  • More
  • Cancel
  • New
Actions
  • Share
  • More
  • Cancel
Forum Thread Details
  • State Suggested Answer
  • Replies 6 replies
  • Answers 3 answers
  • Subscribers 285 subscribers
  • Views 2764 views
  • Users 0 members are here
Related

TP4056 In series with Isolation

zagene
zagene over 5 years ago

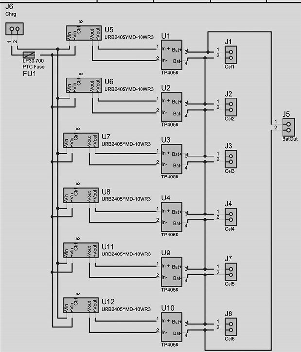
I found this https://www.youtube.com/watch?v=cBM0aUGW87Q&t=22s Idea on YouTube but is interested in extending the Idea.

What I plan to do is to Isolate the TPS4056 with a higher drive DC-DC converter. The only on I could found locally is a URB2405YMD-10WR3 with an input voltage of from 9VDC to 36VDC to an output of 5VDC and a drive of 10Watt. I could thus probably drive each individual TP4056 at the full level of 1A at 5VDC (thus 5W) and thats a safety net for the DC-DC converter.

I would also be able to charge a LiPo stack with either a Lead Acid input of 11VDC to 14.8VDC or a 36 sell PV panel (Max unloaded voltage of 21.4VDC).

If I stack up 6 LiPo cells to provide an output of approximately 24VDC (theoretically and I hope so)

It is then Isolating the Charge circuit of the LiPo's from the input charge.

My problem is to provide a stable enough charge circuit for a 6 stack LiPo cell's ( I plan to use a 6X2 stack thus six in series each with two in parallel).

Thus each stack could be charged with its own TP4056 that is Isolated from the Input (I hope).

As the planned tagged LiPo cells (Panasonic NCR18650B at 3.7VDC 3.4A/h) that do not have protection so I will have to add a BMS to limit the depletion level of each cell (I'm going to use two three cell BMS without balance as this is already done by the Induvidual 6 TP4056.)

The load will be then supplied through the two 3S BMS's in series to provide the required output of 24VDC.

This would then limit the problems with the Charge circuit for a 6 cell stack that is at least 25.2VDC (I hope)

It is very experimental at this stage but I hope it would be successful at the end for a bugout SHTF lithium stack the DIY way. Im still awaiting the components (of which the DC-DC converters is by far the most expensive) and the PCB for this components. (i'm also putting on a Polyfuse (self re-settable fuse) with I-hold of 7A and I-trip of 14A at the input side just for protection of the DC-DC converters (LP30-700 with a Vmax of 30VDC of Way-ON; also locally available))

Please help me regarding this Idea because locally available components is quite limited.

  • Sign in to reply
  • Cancel

Top Replies

  • zagene
    zagene over 5 years ago +1
    Circuit
  • kkazem
    kkazem over 5 years ago +1 suggested
    I'll be glad to help you. I'm power electronics engineer with 40+ years experience. But I haven't really heard a question yet. I don't really see much of a need to balance the cell voltages fully charged…
  • zagene
    zagene over 5 years ago in reply to kkazem +1 suggested
    Hi Kamran, TY for the answer. The unfortunate business with this cells is that It is dangerous, to charge and to discharge, and I have to do with what is available at what price in my country. First thing…
  • zagene
    0 zagene over 5 years ago

    Circuit

    image

    • Cancel
    • Vote Up +1 Vote Down
    • Sign in to reply
    • Verify Answer
    • Cancel
  • kkazem
    0 kkazem over 5 years ago

    I'll be glad to help you. I'm power electronics engineer with 40+ years experience. But I haven't really heard a question yet. I don't really see much of a need to balance the cell voltages fully charged. Panasonic makes pretty-good LiPo batteries and the datasheet for your model shows the typical to min capacity difference of only about 3%, so I would expect about +/-3% or a maximum capacity difference of 6% total. That's not that much. With a CC-CV charge profile (constant current followed by constant voltage), the cells might have about the same 6% max difference in fully-charged voltage. Since they're in series, only the total voltage really matters to your load. And even if you charge them with a balanced maximum charge voltage system as you described, once the charger is turned off, the cell voltages will revert to their own balance and not the maximum charge voltage of 4.20 V/cell. Remember, all your cells will (should) be at pretty much the same temperature, so no cell-to-cell differences from that. My point is that simply charging in series without a cell balancer in most cases produces very good charge results with little imbalance. Unless you're using cheap batteries that have big capacity differences, I doubt you'll notice much difference between charging with balanced fully-charged voltages compared to series circuit charge with the same current charging all cells in the pack.

    Having said all that, reply and I'll try to help you.

    • Cancel
    • Vote Up +1 Vote Down
    • Sign in to reply
    • Verify Answer
    • Reject Answer
    • Cancel
  • zagene
    0 zagene over 5 years ago in reply to kkazem

    Hi Kamran, TY for the answer.

    The unfortunate business with this cells is that It is dangerous, to charge and to discharge, and I have to do with what is available at what price in my country.

    First thing (as from my supplier) there is four main types cells available under this serial number, the tabbed and the un-tabbed and the with protection and these without. Unfortunately I can only get tabbed cells (for easy building a block or series of cells as I am not comfortable to solder on the cells itself or make a Spot welder to tab it) in unprotected format. So this cells will over deplete if I'm not very careful with the load and then its useless. As this cells (or 12 of them in my case) is quite expensive and I do not want to damage it.

    In a nutshell, the TP4056 is a LiPo battery charger at CC 1A and CV 4.2VDC so in this way it can charge two cells in parallel. But what if I want to build a block of 6 batteries (each containing two cells in parallel) in series. That would require a DC charge voltage of 25.2VDC to fully charge at a CC rate of at the most 1C (6.8A) and a charge controller or a solar MPPT controller is quite expensive. So my Idea is to charge each cell pair in parallel on their own. In that way if the cell is full it will stop the charging process (also with the lipo batteries the recharge cycles is limited so trickle charge is also not a good Idea). In this way if all the TP4056 indicate that all the cells is fully charged then I can remove it from the charger. (The BMS on the battery pack is for short circuit protection and prevention of depleting the cells but that will only come in with the load).

    The TP4056 modules (unprotected modules) is quite cheap and do work well, but its built for an input of 4.5 to 6 VDC. Trying it it series or parallel also do not work as it seems that the bypass capacitor's capacitance is either to high or too low causing all sorts of problems with damaged modules. (I have lost quite a few of them in the past as well as the TP5100 modules)

    Thus the isolated supply for each of the modules and if one cell group is full then it will just not draw current to charge.

    The added advantage of the DC-DC converter is that I may now supply a wide range of inputs to the DC-DC converters and as it is Isolated, the supply to the TP4056 is also isolated and thus the process of charging each cell group. That is theoretically and as you and I know, It does not agree with the real world situation.

    The DC-DC converter used originally do not do the thing for me as a 1W supply to the TP4056 will take forever to charge 6A/h and also the max Supply voltage of it is 9VDC so its built for a 5VDC USB charger and not for a higher current need of 6 groups in series.

    PS, I changed the output on the PCB design for a JST XS connector so that the batteries could be unplugged from the charge circuit and it will also enable me to charge one to six cell groups of 4.2VDC via the same as a balanced charger output or an external balancer.

    And I hope it will work in the long run as time and money for lots of experimenting just is not available.

    • Cancel
    • Vote Up +1 Vote Down
    • Sign in to reply
    • Verify Answer
    • Reject Answer
    • Cancel
  • kkazem
    0 kkazem over 5 years ago in reply to zagene

    Here's some comments to help you on this TP4056, 2x6 cell charging circuit:

    1. If you're charging close to 1 amp per pair of paralleled cells, you're not going to be using a USB charger to do it as the max I've seen in USB chargers is 2 or 3 amps for hi-current USB chargers & 0.5A for standard USB. Therefore, you need an input power source of 5VDC at 7.5 amps minimum capacity to keep from loading it at 100% and having an overtemp situation in your input power supply. Your charging time will be much greater than 6.5 hours (1 amp*2 cells*3.25 hrs/cell = 6.5 amp-hours). The problem is that the cells typically can't charge that fast at the high rate of 1C or 3.25A/cell in your case.

     

    2. You don't need the dc-dc converters for this. You can get the same results, without damaging your TP4056's, with a series ckt similar to what you showed, but with the TP4056's input leads also in series, but with an added 1N754 zener diode (6.8V) across each TP4056 with the cathode to the positive-side of the TP4056 input, anode to the negative-side. You mentioned that you damaged them previously and without the zeners or some other way of keeping the TP4056 inputs below the 8V max input rating, they'll likely get damaged. With this configuration, your DC charging input to the 6x series TP4056's should be a well-filtered DC power supply (or wall wart) of 26 to 38 VDC at 1.2 amp minimum (1.0 amp is the bare minimum). The zener diodes are there to protect the TP4056's from an input overvoltage. To protect the TP4056's from a negative input voltage below -0.3V, you can put a 1A schottky diode (1N5819 or equiv) in parallel with each of the zener diodes, with the schottky cathode to the zener anode and vice-versa. But I can't see that the shottkys are necessary in this case. 

     

    3. Your polymer fuse is perhaps problematic in your case. Keep in mind that it will still draw 3.6 watts from your power source after it opens (https://belchip.by/sitedocs/00005773.pdf ). Also, it 14 amps it will take 16.6 hrs to open between 7 and 14 amps, the time to open is not specified nor guaranteed. At 40 amps, it still takes 3 seconds to open. You want the fuse to open fast during a fault. Your TP4056 already provides output current limiting, so your batteries are electronically protected against charging overcurrent. I recommend a fast-blow fuse or a picofuse if space is limited. Make sure to use a current rating 20% to 25% above your actual maximum continuous current.

     

    I hope this helps.

    • Cancel
    • Vote Up 0 Vote Down
    • Sign in to reply
    • Verify Answer
    • Reject Answer
    • Cancel
  • zagene
    0 zagene over 5 years ago in reply to kkazem

    kkazem  wrote:

     

    You mentioned that you damaged them previously and without the zeners or some other way of keeping the TP4056 inputs below the 8V max input rating, they'll likely get damaged. With this configuration, your DC charging input to the 6x series TP4056's should be a well-filtered DC power supply (or wall wart) of 26 to 38 VDC at 1.2 amp minimum (1.0 amp is the bare minimum).

    It got damaged with a input of 5CDV only. I had a AC-DC 5V supply on three of them in parallel. The power supply's rating is 25 Watt but the devices failed. I suppose there was some kind of Inrush current when you hook it up or inserted the cells individually in the holder, but after a few times it failed, but sometimes it happened even before I hooked up the batteries.

     

    The Idea behind this is to have a portable battery pack capable of delivering a 24VDC supply to radio equipment requiring 18-28VDC supply, but charging such a pack from a DC supply (buck-out conditions where an reliable AC source is not available) is not a simple task. I guess I could use a simple DC-DC boost converter from a AGM battery source but the problem is that the Lead Acid source is quite heavy and the boost converter's AC component is causing some noise on the TX. This may also cause a problem on a POE injector requiring 24VDC to power up an WiFi access point/router, but it is not tested.

     

    So the problem is not as much as building the DC battery pack, but rather charging it from a DC supply e.g. a 12VDC lead acid supply (which is all but 12VDC) or even better, directly from a PV array. I do not have the knowledge and time at hand to construct and built a Lithium charging circuit for a 24V pack and is opting to use available modules for that. The TP5100 is capable to charge at a rate of up to 2A wyder input supply, but I lost quite a few of them while experimenting with ideas so I am a bit stuck. It is also quite difficult to get hold of the TP5100 modules. There is also a TP4056 module with a protected output but its a lot more expensive, not easy to find locally, and the limitation is not just with the voltage, It also lack the drive to power devices that need a high current input at times (e.g. a  transceiver while transmitting).

     

    My idea with the circuit is to charge the lithium pack (25.2 VDC when fully charged) from either a PV supply or a 12VDC lead acid pack, but the catch is in each condition that my supply voltage is not high enough or the swing is too big (in the example of the PV supply). An MPPT solar charge regulator is also very expensive and even the PV panel, although I have two MPPT controllers and one PMW controller to charge a few lead acid battery packs, but getting a MPPT charge controller to charge a custom LiPo pack is not available locally and quite a bit more expensive, thus my idea. It is not the Ideal I agree, but I gave to do with what I have or is able to get locally.

     

    A question about using the Zener, would 500mW be enough on parallel over the input of the TP4056, would it Isolate the chain of TP4056's from each other and is the losses in terms of heat not more than the efficiency of the DC-DC converter. It will be less expensive and smaller, but would it deliver the required power. I would then rather use an 1N5339B1N5339B that's got a better current rating but for that matter I can just as well use a linear regulator with an 5VDC output like the LM7805 or LM323 but this generate quite a lot of heat and the ground rail is not Isolated, bringing me back to purpose of Isolating the supplies to each of the TP4056's. I just do not know which direction but what I know is simulating it and making it work in the real world differs and is costing quite a lot if it don't work.

    • Cancel
    • Vote Up 0 Vote Down
    • Sign in to reply
    • Verify Answer
    • Cancel
  • zagene
    0 zagene over 5 years ago in reply to kkazem

    Pardon, before I forget, the reason for the self resetting fuse is to guard against short circuits. The TP5046 do also provide short circuit protection but I'm not so fond of the idea of losing a lot of that modules.

    • Cancel
    • Vote Up 0 Vote Down
    • Sign in to reply
    • Verify Answer
    • Cancel
element14 Community

element14 is the first online community specifically for engineers. Connect with your peers and get expert answers to your questions.

  • Members
  • Learn
  • Technologies
  • Challenges & Projects
  • Products
  • Store
  • About Us
  • Feedback & Support
  • FAQs
  • Terms of Use
  • Privacy Policy
  • Legal and Copyright Notices
  • Sitemap
  • Cookies

An Avnet Company © 2025 Premier Farnell Limited. All Rights Reserved.

Premier Farnell Ltd, registered in England and Wales (no 00876412), registered office: Farnell House, Forge Lane, Leeds LS12 2NE.

ICP 备案号 10220084.

Follow element14

  • X
  • Facebook
  • linkedin
  • YouTube