The whole Mushrooms' Paradise blog
I will have roughly half of the components controlled by the RPI and half by the ESP32. RPI components are controlling mushrooms part of the farm, ESP32 - vegetable part.
This entry is about the components controlled by the Raspberry PI.
This is the set before being assembled.
It contains:
1 Raspberry PI
4 heat sinks for RPI
1 Enviro HAT
3 computer fans
3 LED strips
1 Humidifier
1 IOT Relay for humidifier
2 5V relays for LEDs and for fans
1 ATX PSU (power supply unit) which will be used as 12v and 5v power supply. 12v is needed to power fans and 5v is needed to power relays and LEDs
Jumpers, breadboards, wires, PCB boards
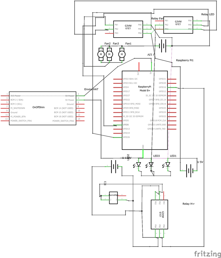
This is the initial schematic: (OnOffShim component is a substitute for Enviro HAT). And for Enviro HAT I connected all 11 pins, not just ground and 5v like shown in schematics. Initially I add all the pins connections to schematics, but it looked unreadable.
Breadboard layout
I will explain the schematics in detail in the next post, with the image of working prototype.


