Now that the development environment has been set for the two targeted platforms that will be used for the sensor nodes, in this post I will run through the initial thoughts about the components to be used and how the IO's are utilised. From the architecture diagram described in this post, there are five sensor nodes outlined in the following sections.
[Vehicle] Emission Sensor
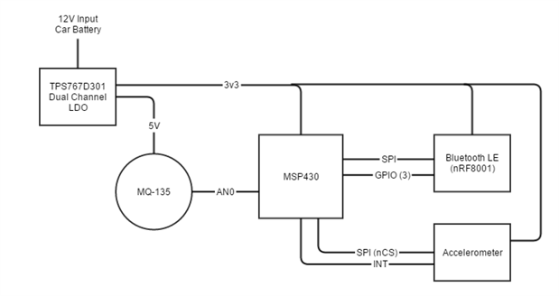
The vehicle emission sensor's role in the system is to monitor the time the vehicle is running (or idling) and samples the carbon emission and sends the collected information to a smartphone. This sensor node will be powered from the vehicle's 12V battery and then to a dual-channel LDO to provide the voltage rails of 5 and 3.3 Vdc. The 5V line drives the MQ-135 CO2 sensor which is sampled by the MSP430 via analog input. The accelerometer (LIS3DH) will be used to measure the vibration of the vehicle as the detection mechanism to determine whether the engine is running. Data that has been collected will be transmitted to a Bluetooth-enabled smartphone running a background application. The nRF8001 (from Nordic Semiconductor) is selected to be the BTLE module for this sensor node. Since the Bluetooth module and the accelerometer are SPI-based peripherals, they will have to share the SPI peripheral of MSP430 and so the CS pin should be managed through software.
Details about the smartphone application will be presented in future posts.
(Outdoor) Environment Sensor
This outdoor environment sensor will be using the CC3200 for sampling, managing peripherals, and the wireless transport of data to the central hub. Being an outdoor sensor, it is ideal to have the design a maintenance-free device. So the design of the power module uses both solar harvesting energy and a rechargeable battery which are inputs to TI's BQ25504 LDO and battery management IC. Aside from the high efficiency DC/DC boost converter and battery management feature, what make the BQ25504 perfect for this solution is its battery status feature which can be used to trigger an event on the CC3200 application and manage the peripherals effectively.
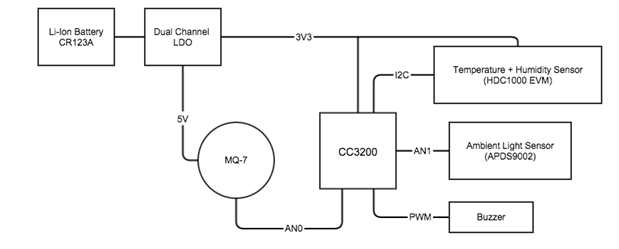
Battery output voltage will be boosted up to 5V using TPS6123x powering the MQ-7 sensor. Additionally, this node will have a few more sensors, including the HDC1000 temperature and humidity sensor and to be connected to the CC3200 via I2C bus. An ambient light sensor and a non-invasive current sensor, both of which are sampled via analog inputs.
(Indoor) Environment Sensor
As described in earlier post, this sensor is really for monitoring the air quality and environmental conditions inside the house and relays the sensor information to the central hub. The hardware configuration resembles much like the outdoor sensor but is solely powered by a battery then to a dual channel LDO to generate the voltage rails for the sensor and the remaining circuit. The other notable difference in this configuration is the use of a buzzer. The buzzer will be used as an audible alert notification should there be 'health risk' conditions detected, i.e. high CO levels, house too hot or too cold, smoke/fire, etc.
Smart Plug and Smart Switch
The switch and plug sensor nodes are very much quite similar in hardware. Both are using the CC3200 as the core and has the capability to control the load via relay switch at the same time measure and monitor power consumption using a Hall-effect based sensor (ACS712). The sole difference between these two sensor nodes is that the smart switch will be fitted with a light sensor.
One interesting and challenging part of this design is around the power supply block. The challenge is to have a small-sized DC power supply from AC and so I have looked at different options to achieve this. Initially, the design follows a transformer-less approach as briefly described in this link. This approach is very cost effective but is not safe as it does not provide any isolation from the high AC voltage. The second approach is to used a very small AC-DC step down transformer as used on USB chargers. This method will be ideal as it provides AC isolation. However, I have difficulty sourcing the most economical transformer. If you know of a solution, please share it in the comments below. Perhaps there is a solution from Wurth Electronics that I could not find in their catalogue. Further searching, I found two components which fit the requirements and have a very small footprint: VTX-214-001-105 and VSK-1U-5S.
That's it for now. My next post will be about the firmware development for the emission sensor.



