element14 presents | AirborneSurfer's VCP Profile | Project Videos
Previously, we looked at how to build a simple DIY Arduino clock. Unfortunately, if power to the clock is disconnected, the whole thing has to be reset. To solve that problem, we're going to add an Arduino battery backup real time clock module based on the DS1307 RTC package. Instead of purchasing a pre-made part, we'll walk through how to build a DIY Arduino RTC module from scratch and add it to our clock project.
PARTS/TOOLS:
https://www.newark.com/arduino/a000066/dev-board-atmega328-arduino-uno/dp/78T1601
https://www.newark.com/mikroelektronika/mikroe-55/display-board-lcd-2x16/dp/61W9875
https://www.newark.com/mcm/21-18938/breadboard-with-binding-posts630/dp/79X3923
https://www.newark.com/multicomp-pro/mccfr0w4j0221a50/carbon-film-resistor-220-ohm-250mw/dp/58K5029
https://www.newark.com/multicomp-pro/mccfr0w4j0103a50/carbon-film-resistor-10kohm-250mw/dp/58K5002
https://www.newark.com/adafruit/759/wire-gauge-28awg/dp/88W2571
https://www.newark.com/bourns/pdb181-k420k-103b/rotary-potentiometer-10kohm-17mm/dp/04B9684
https://www.newark.com/maxim-integrated-products/ds1307/real-time-clock-56byte-dip-8/dp/73Y1206
https://www.newark.com/citizen-finedevice/cfs-20632768dzbb/crystal-32-768khz-6pf-cylinder/dp/59K7603
https://www.newark.com/keystone/1066/battery-holder-20mm-coin-cell/dp/58K2751
https://www.newark.com/panasonic-batteries/cr2032/lithium-battery-3v-coin-cell/dp/13C1019?st=cr2032
RESOURCES:
RealTimeClockDS1307 Arduino Library (zip available below)http://www.farnell.com/datasheets/1913182.pdf
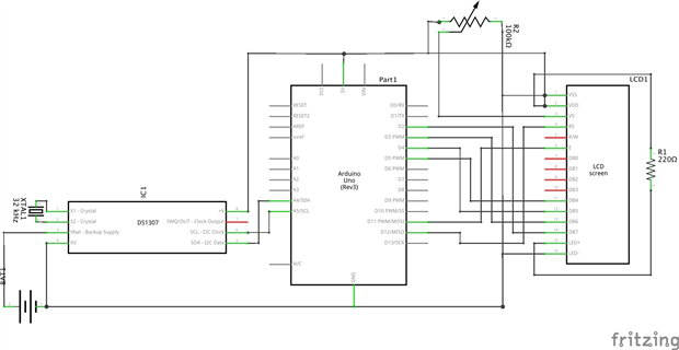
THE CIRCUIT:
THE SKETCH:
This is only a simple modification to one of the library's included examples. For the completed project, search "Project ColorTyme Arduino Sketch"
#include <Wire.h>
#include <RealTimeClockDS1307.h>
//RealTimeClock RTC;//=new RealTimeClock();
#define Display_Clock_Every_N_Seconds 10 // n.secs to show date/time
#define Display_ShortHelp_Every_N_Seconds 60 // n.secs to show hint for help
//#define TEST_Squarewave
//#define TEST_StopStart
//#define TEST_1224Switch
int count=0;
char formatted[] = "00-00-00 00:00:00x";
void setup() {
// Wire.begin();
Serial.begin(9600);
pinMode(A3, OUTPUT); //*** pin 16 (Analog pin 2) as OUTPUT ***
digitalWrite(A3, HIGH); //*** pin 16 (Analog pin 2) set to LOW ***
pinMode(A2, OUTPUT); //*** pin 17 (Analog pin 3) as OUTPUT ***
digitalWrite(A2, LOW); //*** pin 17 (Analog pin 3) set to HIGH ***
//*** Analog Pin settings to power RTC module ***
}
void loop() {
if(Serial.available())
{
processCommand();
}
RTC.readClock();
count++;
if(count % Display_Clock_Every_N_Seconds == 0){
Serial.print(count);
Serial.print(": ");
RTC.getFormatted(formatted);
Serial.print(formatted);
Serial.println();
}
if(count % Display_ShortHelp_Every_N_Seconds == 0) {
Serial.println("Send ? for a list of commands.");
}
#ifdef TEST_Squarewave
if(count%10 == 0)
{
switch(count/10 % 6)
{
case 0:
Serial.print("Squarewave disabled (low impedance): ");
RTC.sqwDisable(0);
Serial.println((int) RTC.readData(7));
break;
case 1:
Serial.print("Squarewave disabled (high impedance): ");
RTC.sqwDisable(1);
Serial.println((int) RTC.readData(7));
break;
case 2:
Serial.println("Squarewave enabled at 1 Hz");
RTC.sqwEnable(RTC.SQW_1Hz);
break;
case 3:
Serial.println("Squarewave enabled at 4.096 kHz");
RTC.sqwEnable(RTC.SQW_4kHz);
break;
case 4:
Serial.println("Squarewave enabled at 8.192 kHz");
RTC.sqwEnable(RTC.SQW_8kHz);
break;
case 5:
Serial.println("Squarewave enabled at 32.768 kHz");
RTC.sqwEnable(RTC.SQW_32kHz);
break;
default:
Serial.println("Squarewave test not defined");
}//switch
}
#endif
#ifdef TEST_StopStart
if(count%10 == 0)
{
if(!RTC.isStopped())
{
if(RTC.getSeconds() < 45)
{
Serial.println("Stopping clock for 10 seconds");
RTC.stop();
}//if we have enough time
} else {
RTC.setSeconds(RTC.getSeconds()+11);
RTC.start();
Serial.println("Adding 11 seconds and restarting clock");
}
}//if on a multiple of 10 counts
#endif
#ifdef TEST_1224Switch
if(count%10 == 0)
{
if(count %20 == 0)
{
Serial.println("switching to 12-hour time");
RTC.switchTo12h();
RTC.setClock();
}
else
{
Serial.println("switching to 24-hour time");
RTC.switchTo24h();
RTC.setClock();
}
}
#endif
}
void processCommand() {
if(!Serial.available()) { return; }
char command = Serial.read();
int in,in2;
switch(command)
{
case 'H':
case 'h':
in=SerialReadPosInt();
RTC.setHours(in);
RTC.setClock();
Serial.print("Setting hours to ");
Serial.println(in);
break;
case 'I':
case 'i':
in=SerialReadPosInt();
RTC.setMinutes(in);
RTC.setClock();
Serial.print("Setting minutes to ");
Serial.println(in);
break;
case 'S':
case 's':
in=SerialReadPosInt();
RTC.setSeconds(in);
RTC.setClock();
Serial.print("Setting seconds to ");
Serial.println(in);
break;
case 'Y':
case 'y':
in=SerialReadPosInt();
RTC.setYear(in);
RTC.setClock();
Serial.print("Setting year to ");
Serial.println(in);
break;
case 'M':
case 'm':
in=SerialReadPosInt();
RTC.setMonth(in);
RTC.setClock();
Serial.print("Setting month to ");
Serial.println(in);
break;
case 'D':
case 'd':
in=SerialReadPosInt();
RTC.setDate(in);
RTC.setClock();
Serial.print("Setting date to ");
Serial.println(in);
break;
case 'W':
Serial.print("Day of week is ");
Serial.println((int) RTC.getDayOfWeek());
break;
case 'w':
in=SerialReadPosInt();
RTC.setDayOfWeek(in);
RTC.setClock();
Serial.print("Setting day of week to ");
Serial.println(in);
break;
case 't':
case 'T':
if(RTC.is12hour()) {
RTC.switchTo24h();
Serial.println("Switching to 24-hour clock.");
} else {
RTC.switchTo12h();
Serial.println("Switching to 12-hour clock.");
}
RTC.setClock();
break;
case 'A':
case 'a':
if(RTC.is12hour()) {
RTC.setAM();
RTC.setClock();
Serial.println("Set AM.");
} else {
Serial.println("(Set hours only in 24-hour mode.)");
}
break;
case 'P':
case 'p':
if(RTC.is12hour()) {
RTC.setPM();
RTC.setClock();
Serial.println("Set PM.");
} else {
Serial.println("(Set hours only in 24-hour mode.)");
}
break;
case 'q':
RTC.sqwEnable(RTC.SQW_1Hz);
Serial.println("Square wave output set to 1Hz");
break;
case 'Q':
RTC.sqwDisable(0);
Serial.println("Square wave output disabled (low)");
break;
case 'z':
RTC.start();
Serial.println("Clock oscillator started.");
break;
case 'Z':
RTC.stop();
Serial.println("Clock oscillator stopped.");
break;
case '>':
in=SerialReadPosInt();
in2=SerialReadPosInt();
RTC.writeData(in, in2);
Serial.print("Write to register ");
Serial.print(in);
Serial.print(" the value ");
Serial.println(in2);
break;
case '<':
in=SerialReadPosInt();
in2=RTC.readData(in);
Serial.print("Read from register ");
Serial.print(in);
Serial.print(" the value ");
Serial.println(in2);
break;
default:
Serial.println("Unknown command. Try these:");
Serial.println(" h## - set Hours [range 1..12 or 0..24]");
Serial.println(" i## - set mInutes [range 0..59]");
Serial.println(" s## - set Seconds [range 0..59]");
Serial.println(" d## - set Date [range 1..31]");
Serial.println(" m## - set Month [range 1..12]");
Serial.println(" y## - set Year [range 0..99]");
Serial.println(" w## - set arbitrary day of Week [range 1..7]");
Serial.println(" t - toggle 24-hour mode");
Serial.println(" a - set AM p - set PM");
Serial.println();
Serial.println(" z - start clock Z - stop clock");
Serial.println(" q - SQW/OUT = 1Hz Q - stop SQW/OUT");
Serial.println();
Serial.println(" >##,### - write to register ## the value ###");
Serial.println(" <## - read the value in register ##");
}//switch on command
}
//read in numeric characters until something else
//or no more data is available on serial.
int SerialReadPosInt() {
int i = 0;
boolean done=false;
while(Serial.available() && !done)
{
char c = Serial.read();
if (c >= '0' && c <='9')
{
i = i * 10 + (c-'0');
}
else
{
done = true;
}
}
return i;
}



