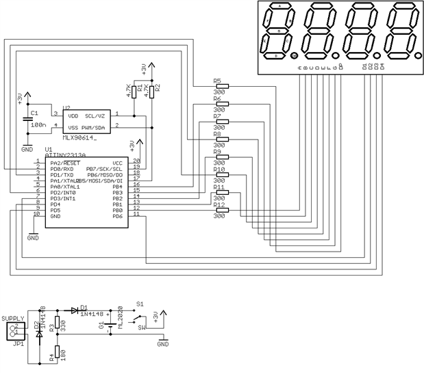
I would like to show you a infrared thermometer with MLX90614 sensor, seven segment display HP QDSP-6040 and ATtiny2313 MCU. Sensor allow to measure temperature in following ranges:
1) -40 - 125 °C - in case of measurement of sensor temperature,
2) -70 - 380 °C - in case of measurement of object temperature.
In project is implemented only measurement of object in Celsius degrees.
ATtiny2313 MCU communicates with sensor by SMBus. Measured value of temperature is shown on display. Current per single segment of display is configured to 4.67 mA, so display can be easily driven directly from MCU. In first solution as power supply was used ML2020 battery, but it was replaced with 200 mAh battery with TP4056 charger module. Housing was made from epoxy resin.
Schematic:
Images of first version:
Images of second version:
Video:
Source code in attachment.






Top Comments