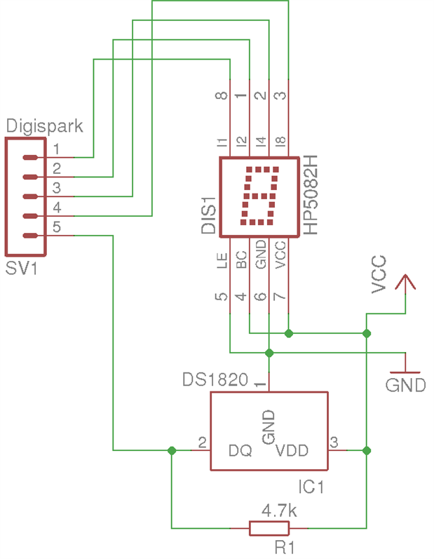
I would like to show you a simple thermometer with single seven segment LED display HP 5082-7356, DS18B20 sensor and Digispark module. DS18B20 sensor is able to measure temperatures in range form -55 to 125 °C. Digispark module communicates with DS18B20 sensor by 1-Wire interface and reads temperature every 10 seconds. Value of temperature (stored as integer) is displayed on HP display.
Schematic:
Video:
Source code:


Top Comments