Introduction
It's fairly geeky to want to make your own flashlight!
This project offers over 260 lumens of light output (approaching some typical LED lights for home use) and is powered by three AA or AAA batteries, or a single lithium ion (Li-ion) cell.
It was built from scratch in about 4 hours, using whatever I had handy.
Here it is not shown, because the light is very bright! I held a 5mm thick sheet of perspex in front of it.
The Circuit for Flashlight 'A'
The circuit is shown here. Basically it just consists of a DC-DC converter using a Texas Instruments LM2733X chip. The LEDs are Cree XP-E, and are quite bright!
There are two LEDs, for double the power : ) For ease of reference this circuit will be called Flashlight 'A':
The parts included:
LM2733X DC-DC converter ICLM2733X DC-DC converter IC
MBR0520LMBR0520L
15uH inductor15uH inductor
2.2uF capacitor 08052.2uF capacitor 0805
10uF 16V capacitor 080510uF 16V capacitor 0805
330pF capacitor 0603330pF capacitor 0603
68k resistor 060368k resistor 0603
12k resistor 060312k resistor 0603
47k resistor 060347k resistor 0603
Cree XP-E Cool White LEDsCree XP-E Cool White LEDs (two required)
LED reflectorLED reflector (two required)
3xAA battery holder3xAA battery holder
Slide switch panel mountSlide switch panel mount
Possible suitable casePossible suitable case
Bergquist 804090 MCPCB or similar (XP-E MCPCB often on ebay)
PCB or protoboard as required
Building It
For the LEDs, I had some metal core PCBs (MCPCB) made by Bergquist. I've had them for about a year or two and done nothing with them. I put some solder paste on them and then put the LED on top, and put it on top of a heat source. The heat source that I used was a pre-heater, but people have been known to use all sorts of cooking methods (note: solder and flux is toxic, don't use stuff that you use for cooking food!).
Next, I built up the rest of the circuit using a SMD prototyping board and normal hand soldering methods. It would be nice to build this on a custom PCB eventually.
Testing It
I have not done much testing, I just checked current consumption for now. The current drain from three AA batteries is about 1.05A, so they should last a couple of hours. The current through the LEDs is approximately 450mA. The datasheet states that the output is 107 lumens minimum at 350mA, and at 450mA it is expected to be about 125% of this value according to the charts. So, this means more than 260 lumens should be output for the two LEDs, but it will also depend on the LED temperature. With the metal core PCB it should be very easy to bolt on a heat sink if needed to keep them cool. For use as a flashlight it could also be good to have some dual reflectors for focusing to a tighter beam.
Summary
This short project resulted in a reasonably powerful flashlight. It is fairly easy to build! The difficulty will be enclosing it in a nice handheld package. I think it is worth the effort for all geeks : )
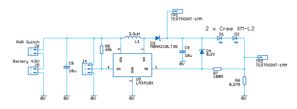
Flashlight 'B'
The next iteration of the design, called Flashlight B, uses a TI LM3410XLM3410X part, and dual Cree XM-L2 LEDs. It is discussed in the comments below. Here is the schematic:
A PCB was drawn up for this (the gerber files that can be sent to any PCB manufacturer are attached to this blog post, just before the comments section. The filename is export-flashlight-b-rev1.zip) :
The PCB is composed of the driver, and two circular areas where the LEDs will go. The PCB can be used in a single piece, or alternatively the PCB could be cut if it is desired to locate the circular LED areas somewhere else in an enclosure.
The boards arrived:
They have not been assembled or tested yet.. bookmark to watch this space!







Top Comments