Introduction
This project is about a new portable electronics prototyping kit : ) It is modular, and the first module is concerned with resistors and capacitors.
When I was a kid, I had a Tandy/Radio Shack 160-in-one electronics kit, and it allowed me to try out hundreds of projects. The kit I had used springs and wires. The components were all fixed on a base board, and the wires would be patched using the springs, in order to construct a circuit.
Image source: ebay
I wanted to create a modern version with modern parts : ) Nowadays wires are often patched using jumper wires into plastic breadboards. Breadboards are cheap, so I wanted to find some way to integrate them into the system.
Image source: FarnellFarnell
The appearance was also an important factor; I wanted the system to look as interesting as I could make it, to encourage interest from beginners. A building block style design sounded attractive.
Modern components are surface-mount, so I wanted the system to allow project prototyping using them in some way, and get people familiar with how modern components look.
Finally, I wanted to create some ecosystem, or expandable system, that could grow over time.
This blog post documents my attempts.
History
Several years ago, I attached a Raspberry Pi and a breadboard onto a block of wood. I still use this combination. It is simple but really convenient for rapidly prototyping. I can connect jumper wires directly from the Pi's 40-way connector, and connect them to any circuit created on the adjacent breadboard.
Then, about a year ago, I was experimenting with a BeagleBone Black, and I wanted to do a similar thing, but this time also attach a character display, for showing brief status information. But, the display was expensive, and I didn’t want to permanently attach it to the BeagleBone Black. After thinking for a while, I decided to create some sort of modular system where the display could be clicked into position.
I chose a red and black color scheme to suit the BeagleBone Black Industrial card.
While I was at it, I made the breadboard into a clickable module too. It worked quite well.
The plastic standoffsplastic standoffs click into position onto the black baseboard, and can be easily unplugged too. If you want to make this, it is really easy. Red 3mm perspex/acrylic is chopped up and the edges are sanded to a smooth finish, and some holes are drilled for the stand-offs (countersunk screws from the top side are used to secure the stand-offs). The breadboard is permanently stuck on.
The new EE-CARD Training System!
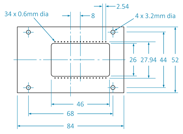
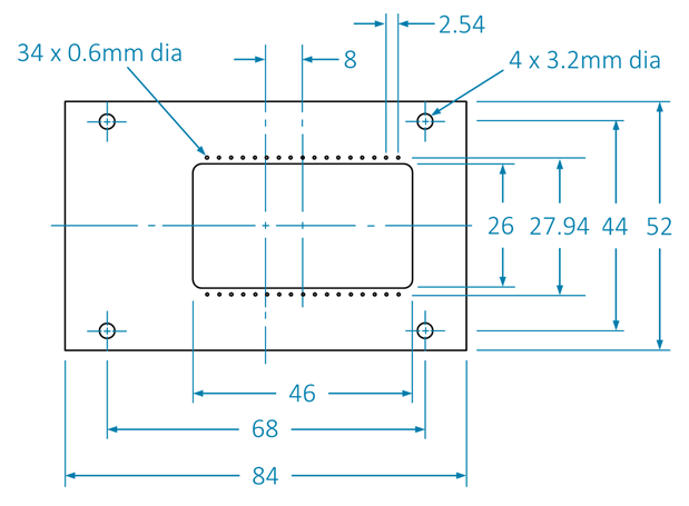
Moving forward to today, I wished to expand the system further, and make it into a general project kit. I decided to stick to the dimensions that I’d chosen for the breadboard; I’d used a credit card size of 84x52mm and a narrower size for the display. My dilemma was how to continue this type of system but try to replicate the old Radio Shack style project kits with the baseboard with the components on it! I really liked it, because the components couldn’t really be lost; they were permanently attached to the baseboard, and they were clearly labelled!
I decided to use a printed circuit board to imitate that old system. I could solder parts to it, and have them clearly labelled on the silkscreen print. The problem was how to integrate it with the breadboard. In the end, I decided to go with quite a simple approach. See the diagram here for the idea. A low-cost 170-hole breadboard is pushed in from the underside and permanently left attached to each EE-CARD. Wire connections are made from one EE-CARD to another using the breadboard space.
What Features?
For the initial functionality, it was clear that a board with resistors and capacitors would be mandatory. I chose some popular values, which should be sufficient for creating dozens of small circuits. Often the precise value isn’t as important as getting a resistance in a ballpark, so I was not too fussed that all popular resistor values were not represented. The Tandy/Radio Shack 160-in-one kit only has 12 resistors, and it provides for 160 projects : )
For some of the other EE-CARDs, a semiconductor board carrying some transistors and diodes and an op amp would be handy. A logic board could carry some gates and a 555 acting as an oscillator. A control board would have some buttons and LEDs. Maybe a microcontroller EE-CARD could also be created. Basically I feel the credit-card sized form-factor allows for quite a lot of functionality.
I set to work in EAGLE, creating the basic outline that would be used for all the boards, and then creating many copies of the design and adding the specific functionality. The first board rendering is shown here; I still need to do the others.
I tried to create a style that could be used for the future boards with some consistency; there is a graphic element on the top-right that quickly shows which board is picked up. At the bottom of the board there is also a text description, and board revision number.
Building It
To be continued : ) I will update this blog post when the PCBs are made in a few weeks time. In the meantime, if you wish to also replicate this project, the CAD files will be attached below as they are created, ready for sending to a PCB factory.
Designing your own EE-CARDs
It would be great to hear about custom EE-CARDS designed by others one day.
Summary
The basics of a modular, expandable portable prototyping system was presented, called the EE-CARD. The boards are credit-card sized, and allow for direct wire patching to create circuits. The EE-CARDS have pegs allowing them to be positioned in different combinations onto a base board with holes in it.









Top Comments