I'm designing a BoosterPack to evaluate GaN devices with the help of a microcontroller.
This double post (a+b) documents the PCB layout, specific for significant currency and high switching frequency. |
Custom Schematic Elements and Footprints Strategy
I rule and live by the law of laziness. I do as little as possible and try to simplify anything that pops up.
That's reflected in my 'custom element creation' strategy: whenever there's a schematic or footprint available, I use it.
Many EEs - and many policies in companies - prefer to create an own footprint for all items used in designs. Not me.
Still, in this limited design, I had to create custom items.
For the GaN device and the quadrature encoder there was nothing. I made both symbol and footprint.
For the power connectors and the inductor, I had symbols but no footprints, so I made those.
I've also made a custom footprint for the vias (2 sizes), to have them exactly the same as the TI reference design.
The complexity of this exercise was from easy to difficult.
Schematic symbols were all easy. We have low pin counts.
For the footprints, the vias and connectors were easy, the inductor medium, and the LMG5200 and encoder hard. More on that when I describe each item.
All symbols and footprints are available in the attached archive. Each section starts with the filename of the asset in that attachment.
LMG5200 GaN IC
symbol LMG5200.lib
footprint lmg5200.pretty.zip
There's no existing symbol or footprint for the LMG5200 GaN half-bridge.
I used Dave Vandenbout's KiPart script to generate that part (read: copy-paste datasheet info into a spreadsheet and generate symbol from that).
| LMG5200 | |||
| type | pin | name | side |
| pwr | 1 | VIN | top |
| output | 2 | HB | right |
| output | 3 | HS | right |
| input | 4 | HI | left |
| input | 5 | LI | left |
| pwr | 6 | VCC | top |
| pwr | 7 | AGND | bottom |
| output | 8 | SW | right |
| pwr | 9 | PGND | bottom |
See this blog for more info and instructions: Create my first KiCad part with KiPart utility.
The result is the following symbol:
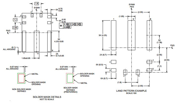
To create the footprint of this item, I used the Package Information section of the datasheet.
I used the footprint editor to redraw package, copper and solder mask. There's a little bit of calculations needed to convert all the info in the images to coordinates.
Because the copper pads should blend with the PCB flood filled areas, I've set the pad's footprint to "From parent footprint".
This to avoid that we get thermal reliefs. They are not appropriate for this component (in particular for pins 1, 8 and 9).
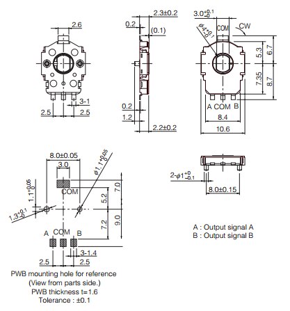
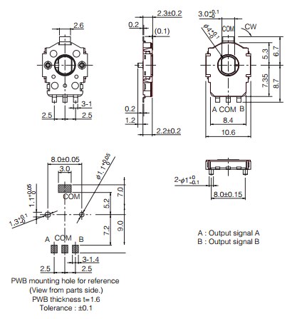
EVQ-VVD00203B Square SMD Encoder
symbol: rotary_encoders_jan.lib
footprint: Panasonic_Rotary_Encoders.pretty
This one also doesn't have footprint or schema symbol. I used the KiCad editor to create the schema. I didn't go fancy.
The footprint was tough. The device requires three mounting holes, one of them oval.
You set the shape of the drill in the pad preferences.
282841-2282841-2Terminal Block 2x1 5.08mm TH
footprint: BuchananTerminalBlocks.pretty
For this one, I only needed the footprint.
This one is straightforward. Nothing special.
XAL8080-472ME Inductor, Shielded, Composite, 4.7uH, 10.5A, 8.89 ohm, SMD
footprint: coilcraft_incuctors.pretty
Again, only the footprint was needed. Just a transform from datasheet measurements to the KiCad footprint editor coordinates.
VIAs
footprint: vias.pretty
There's not much to be said about these. I made them to stay as close as possible to TI's reference design.
I needed 12 and 38 mil vias for that. Even though KiCad has via footprints, these two values aren't available.
All designs are available in the attached archive. If you are a 3-D artist, I could use your help to create nice KiCad 3-D models of the footprints.
That would make the exercise complete.























Top Comments