This is part 3 of a series of 3 parts that I have planned for the Rohde & Schwarz RTB2004 Digital Oscilloscope road test. In this part I am planning to cover waveform mask measurement function, FFT, serial protocol analysis, function generator, connection to a PC through a USB cable, and live screen view on a PC through a LAN cable.
Before I continue with the evaluation, I want to mention that I was very impressed of the multitude of documents I have found on Rohde & Schwarz website, documents that helped me learn quickly the features and procedures for operating the RTB2004 oscilloscope. Here is a screenshot of the Rohde & Schwarz web page for this oscilloscope and notice in the "Downloads" section the selections: "Manuals", "Applications", "Firmware", and "Documents & Articles".
Browsing through these sections I found various interesting documents that I enjoyed reading and that helped me understand the features of RTB2004 oscilloscope and helped me operate this product.
Going now back to the road test evaluation, I will continue with the waveform mask measurement function. Rohde & Schwarz RTB2004 Digital Oscilloscope can define a mask around a waveform and then verify continuously if the real-time waveform remains within the mask limits. Passing and failing results are displayed on the screen. To evaluate this function I first setup a 10MHz 2V pk-pk square wave signal in the RTB2004 built-in function generator:
Then I enabled the Mask function from the applications selection panel:
The mask definition menu showed up on the lower region of the screen, as shown in the picture below:
On this menu I selected a new mask by pressing on the "New" button and then I increased the mask boundaries using the "Size+" control. The mask is shown with white color line surrounding channel 1 trace (yellow). I then selected the "Run" button and the RTB2004 oscilloscope started to continuously check if the sampled waveform is within the mask. The passing and failing results are shown on the left side of the menu:
In this example the waveform stays within the mask limits and the passing rate is 100% (failing rate is 0%). I then wanted to generate some failures and I added noise on the square wave signal using the noise feature of the function generator, as I described in part 2 of this road test. I started to see failures when I reached 20% noise injection:
The failures were marginal, 0.63%, so I increased even more the magnitude of injected noise:
The failure rate increased to 12.79% and we can visually see the waveform getting out of the mask region. I further increased the injected noise until I got 100% failure rate, as shown in the screenshot below:
I like that the RTB2004 oscilloscope has waveform mask measurement feature and I find this feature beneficial in circuit and data link troubleshooting.
Next I wanted to take a look at the FFT function. To do this I first setup a 2MHz 5V pk-pk signal in the RTB2004 built-in function generator:
The FFT function can be activated by pressing the "FFT" button on the front panel of RTB2004 oscilloscope. The screen divides in two and shows the time domain waveform at the upper side and the frequency domain FFT at the lower side, as I am showing in the screenshot below:
So let's discuss now what the FFT waveform elements mean on an annotated copy of this screenshot, shown in the picture below:
The first vertical "spike" is the fundamental component located at 2MHz. This is the frequency of the square wave signal shown in the time domain waveform viewer. The following "spikes" represent odd harmonics at 6MHz, 10MHz, and 14MHz. Odd harmonics continue at high frequencies beyond the measurement interval. There are also parasitic spurs superimposed on these expected spectral components. Since rectangular signals are typically used in communication interfaces (like microprocessors, systems-on-chip, peripheral modules, and various interface signals between them) the parasitic spurs translate into timing jitter, which may degrade the performance or generate failures.
The FFT of a square wave signal is expected to have one fundamental component and multiple odd frequency harmonics. Let's look now at the FFT of a sinusoidal signal also of 2MHz frequency:
We can see the fundamental component located at 2MHz and much lower odd harmonics: 6MHz harmonic is -26.38dBm compared to 8.22dbm for square wave signal. Ideally, the FFT of a sinusoidal signal should contain only the fundamental component and no harmonics. There are also some parasitic spurs probably caused by non-ideal sinusoidal signal or noise coupling. When we design or troubleshoot a circuit these parasitic spurs distort the signals and degrade the performance of our projects.
Next I built an experiment to evaluate the serial protocol analysis function. In this experiment I used one of my projects that has an UART serial interface between a computer and an FPGA board. The measurement setup is shown in the picture below:
Channel 1 was connected to the TX line and channel 2 to the RX line (of the computer side of the UART interface). This is 3.3V UART bus so I setup the trigger levels somewhere in the middle of the swing. The serial protocol analysis function can be activated from the on-screen menu. On this menu I selected "UART" type interface, as shown in the figure below:
Next I needed to configure the UART parameters to match the settings I have in my FPGA project. Rohde & Schwarz RTB2004 oscilloscope has a very clear graphical menu for configuring the serial bus parameters, as we can see in the following screenshot:
The trigger function was set to trigger on the TX start bit. With these settings I started to send data through the serial interface from computer to FPGA and back. Here is a screenshot of the captured data packet:
The yellow trace shows the TX line and the green trace shows the RX line. Below each waveform we see the values of the sent data in HEX format (30 BF 00 14). This is an instruction sent to the FPGA. The FPGA responds immediately in this case with values (E1 16 01 00) followed by a copy of what it has received from the computer (14 00 BF 30) which is a “reversed order” version of the TX line data.
Another function of the Rohde & Schwarz RTB2004 oscilloscope that I wanted to evaluate is the function generator. The function generator menu can be activated from the front panel or from the on-screen menu on the right side of the display area. Here is an example of the function generator menu that I used to setup a sinusoidal output signal:
The type of waveform is listed in the "Function" field and it is also graphically shown on the upper region of the menu. The rest of the menu is used to setup various parameters of the generated signal. There are more items than shown in the screenshot above, which are accessed by scrolling up and down (see the vertical blue line scroll bar). Here are other types of signals available on the function generator:
There is also a choice of creating an arbitrary function.
The Rohde & Schwarz RTB2004 oscilloscope has a voltmeter function, that can be accessed from the on-screen menu. Here is a screenshot of the available measurements:
Each measurement can be setup on one of the four channels of the oscilloscope. Here is an example of DC and AC RMS measurements on a sinusoidal waveform:
The Rohde & Schwarz RTB2004 oscilloscope has a pattern generator function that can produce four signals at the pattern generator pins on the front panel. The pattern generator menu can be accessed from the on-screen menu, as shown in the screenshot below:
The menu displays also a picture of the pattern generator pins on the front panel of the oscilloscope. The pattern type can be selected from the "Pattern" menu. The available patterns are: four-bit counter, arbitrary pattern, manual pattern, UART, SPI, I2C, CAN, and LIN, as I am showing in the screenshot below:
I started with selecting the 4-bit binary counter pattern and connecting the four channels of the oscilloscopes to each of the pattern generator pins. Here is a screenshot of the 4-bit binary counter pattern displayed on the RTB2004 screen:
Channel 4 shows the MSB and channel 1 the LSB of this 4-bit binary word. The pattern generator menu displays a drawing of this pattern. The counting direction can be changed from the "Direction" menu field.
Next I changed the pattern type to SPI serial. Here is a screenshot of the waveforms displayed on the RTB2004 screen:
Other patterns that I tried are: DC pattern (shown below)
and arbitrary pattern. The arbitrary pattern can be defined using the touch-screen feature by touching the bit time intervals on each of the P0 - P3 pattern waveforms, as shown in the following screenshots:
After defining the pattern, the oscilloscope displayed the four waveforms corresponding to P0 - P3 pattern outputs:
I continued my evaluation with looking at the waveform transfer to a computer through a USB cable. I found very useful an application note document describing this process. This document "walked" me step by step through connecting the oscilloscope to the computer and accessing the files process:
After connecting the USB cable, the oscilloscope memory showed up in the file explorer on the computer:
Using the file explorer, I was able to open the saved waveforms directly from the computer, like in this example of a saved screenshot that I opened in Microsoft Paint:
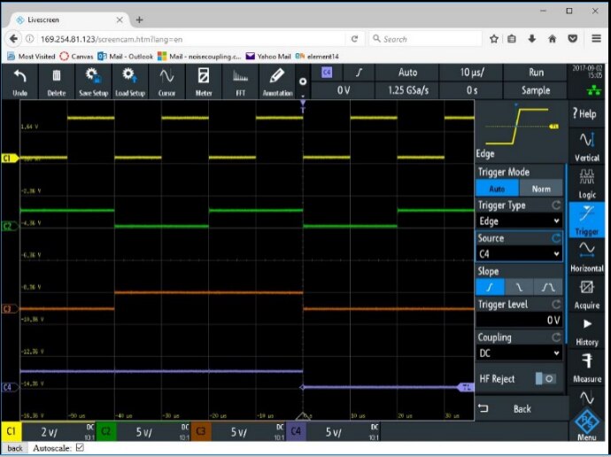
The Rohde & Schwarz RTB2004 oscilloscope can be also connected to a computer or a network through a LAN cable. This sounded quite complicated to me at the beginning, but it turned out to be a very easy process after following the steps in this application notes document:
So I first connected a LAN cable between the oscilloscope and computer, and then I found the IP address of the oscilloscope displayed on the screen:
Following the instructions in the application note document I opened a web browser on the computer and I typed in the IP address. Then the oscilloscope screen showed up in the web browser and followed in "real-time" the activity on the oscilloscope screen:
This is an awesome feature because it allows me to share the oscilloscope screen in real-time with other people in Skype and WebEx meetings and also to project it on a large screen in live meetings.
Here I conclude my third and last part of the Rohde & Schwarz RTB2004 oscilloscope road-test evaluation. Overall I am very impressed of the quality and measurement capabilities of this oscilloscope, and I am happy and grateful that I had the opportunity to road test this product. I will publish an official report for this road test review in the following days.
Best Wishes to Everyone,
Cosmin
































