Introduction
This is the third post on the development of an inexpensive but reasonably accurate meter for measuring resistance in the milliohm range. In the first post a simple current source was described that created a 10 mA current across a resistor that allowed the voltage drop to be measured using a multimeter and the resistance calculated. A number of helpful suggestions were received and I ordered additional components based on that feedback. In the second post a block diagram for the instrument was introduced and initial measurements were made with a microcontroller using the built-in ADC. Some, but not all of the ordered parts have been received now and this post will update progress as I don't want John's popcorn to get stale.
A Change to the Design Objectives
I originally specified that the current to the DUT would not be greater than 10 mA. Testing to date has indicated that meeting the desired accuracy will be difficult without amplification of the voltage difference across the DUT which adds some complexity and cost. Accordingly, the specification is being changed to 100 mA across the DUT.
Component Status
First, I have to admit to making a mistake in the orders. The MCP6N16 instrument amp comes in three versions with different minimum gain. I wanted the version with minimum gain of 1 and ordered the version that has a minimum gain of 100. Doh! Always read the datasheet carefully. For now I am substituting the MAX9619. I also ordered a precision LDO voltage source from the TI store which has not been shipped yet. Usually they are pretty quick. The volt meter I plan to use is still in shipment from China.
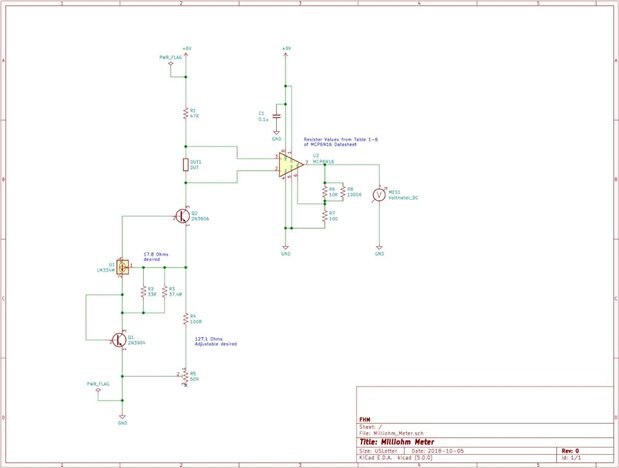
100 mA Current Source
This is the revised circuit, the only real changes being the addition of a MOSFET to handle the increased current and a new precision 0.1% 10 ohm resistor to set the current. I am using an inexpensive ANENG multimeter to measure voltage but it does agree well with my bench meter.
And here are the results:
The tests are being performed the same way as previously using a coil of wire that has been center tapped. The measured resistance of the full length of wire is 0.092 ohms as seen on top while the measured resistance of half the length is 0.046 ohms - exactly half.
Next Steps
The inexpensive voltmeter needs at least 4.5 V to operate so I will probably use either 4 x 1.5 V AAA batteries or USB power and a precision voltage source to set the current. If I decide to use a microcontroller instead of a voltmeter then a 3V3 LDO will be used to power that. The parts for Kelvin probes are on order. Progress depends on the postal service now...
Past Posts on this Topic
More on Current Sources and a Kelvin (4-Wire) Milliohm Meter
Testing Current Sources for a Kelvin (4-Wire) Milliohm Meter


Top Comments
-
fmilburn
-
Cancel
-
Vote Up
+4
Vote Down
-
-
Sign in to reply
-
More
-
Cancel
-
shabaz
in reply to fmilburn
-
Cancel
-
Vote Up
+4
Vote Down
-
-
Sign in to reply
-
More
-
Cancel
-
fmilburn
in reply to shabaz
-
Cancel
-
Vote Up
+3
Vote Down
-
-
Sign in to reply
-
More
-
Cancel
Comment-
fmilburn
in reply to shabaz
-
Cancel
-
Vote Up
+3
Vote Down
-
-
Sign in to reply
-
More
-
Cancel
Children