Back in August 2020 to October 2020, I was working on a smart solar lighting project for my new deck. Now I am revisiting this project with a goal to getting some lighting working on the deck. Prior blogs on this subject: Smart Solar Lighting Project - Detailed design , Smart Solar Lighting Project - Mechanical designs , Smart Solar Lighting Project - Initial design ideas , Smart Solar Lighting Project - Update 10/2/2020 , Smart Solar Lighting Project - Update 10/8/2020 , Smart Solar Lighting Project - LED Intensity Control System and Smart Solar Lighting Project - Illumination improvements .
The biggest issue with the prior concept was that the small solar cells that I had planned to mount onto the deck railing did not generate enough of a charge on the Li-Ion batteries due to the near constant shading due to the oak trees around the deck. After several charge discharge cycles being monitored by the lights, I found that I could get maybe a 25% charge of the batteries on a good day. This was also backed up by a couple more data points, on the small hanging LED lanterns (also solar) that we that we attached to the railings on the deck. They would only generate enough charge to run the lanterns for 30 to 60 minutes.
My first thought was to mount a larger solar panel onto the roof of the house and charge a 12 volt battery and then run wires to all the fixtures (stair lights and hanging lanterns). I spent a few days watching the sun light patterns and shading on several spots on the roof of the house, but quickly be came disappointed in that those locations spent most of the day in shade, that and the fact that the roof also did not have a favorable exposure (east facing as opposed to south facing). The more I thought about this and also considering my future plans of adding a roof mount solar system onto my shop (great orientation and very little shading), I decided to eliminate solar collection and instead utilize a standard 5 volt power supply.
With a power source decided, I starting thinking about a plan to minimize overall complexity, while achieving an automatic on on demand on/off function. The idea quickly morphed into a centralized controller that would switch power (5V) to all the fixtures at once. The fixtures would be super simple, current controlled LEDs that would self regulate when power was applied. I envisioned a common PCB that would contain three LEDs on each face of the board. The hanging lanterns would use a PCB with only one side populated to create a down-light pattern, while the stair lights would use a pair of PCBs with both sides populated to create a front/rear light pattern.
Here are the new hanging lanterns along with the stairs light fixtures:
The hanging lanterns each contain the same solar light fixtures. The modules are easily removed and are ideal for new replacement modules that will be externally powered. The crooks holding the lanterns are 1/2" electrical conduit that I bent and painted black. The conduit will contain the outdoor low voltage power cables in order to route power to the lanterns. Similar black conduit will need to be constructed to route power to the stair light fixtures.
Here are the solar LED modules (removed from the lanterns):
In opening up the module and looking around it seems that the device has a 600mAh Ni-MH battery, a 57lm LED (6300K) and a broken PCB (bad solder joint on the battery negative terminal). The circuit board looks al lot like other solar LEDs that I have opened up, with a single, 4-lead IC and an inductor. The IC uses a oscillator and the inductor to boost the battery voltage high enough to turn on the LED.
Given the approximate LED illumination, I started to design the replacement PCB. As stated above, I wanted to both a 3 and 6 LED option on the PCB.
The basic concept of the schematic is a simple constant current source to drive each LED. The target current for the LEDs is 30mA. At 30 mA, the sense resistor (20Ω) develops a 0.6 volt drop which begins to turn on the transistor, which in turn, begins to shut down the MOSFET that drives the LED. The current measured turns out to be right on 30mA, and the current only changes slightly over a +/- 1 volt swing of the input voltage. The final size of the PCB is 1.0" x 1.0", which gives plenty of room for the PCB to fit inside the light module. I decided to go with warm LEDs (3700-5000K) as I am not a big fan of the super white/blue light output.
Using the solar LED modules and PCB dimensions, I started to design a replacement module to house the new LED light PCBs.
And here are some pictures of the printed parts:
On the top side of the lighting housing I plan to use a F-Type coaxial connector to provide a waterproof power inlet (still awaiting parts). I will splice a short section of RG-59 coax onto the end of the twin lead, which will push back into crook/conduit. This will provide a cheap connector pair to handle the power connection. Here is an image of the chosen connector:
I have done some preliminary testing on various combinations reflector and lens to identify the lighting potential. Here are the results:
My initial lens design was a clear lens with a prismatic outer surface (to disperse the LED bright spots), but the 3D printing process and use of supports, left the inner surface of the lens a bit cloudy and in the end limit light transmission. By removing the prismatic surface, I was able to flip the lens during printing and eliminate the supports. This change led to the highest LUX measurements. The reflector does help, especially with a bright light or metallic surface (funny how in some cases the white surface outperformed the shinny surface, while in others it was the opposite).
For the stair lights, I am going to go with a similar concept to the smart solar light modules that I developed earlier, but with some modification. Here are some images of the prior design:
Instead of the full length PCB, I am going to use two of the of the new 1.0" x 1.0" light modules, populated on both sides for a total of 12 LEDs. The two PCBs will be mounted to a pair of supports that will sandwich the PCBs and space them out to match the earlier design.
Here are some of the 3D models for the modified parts:
On the reflector, I added another set of standoffs and enlarged the bottom opening to accommodate the three LEDs (as opposed to 1 LED in the prior design). A pair of the bridge supports will tie the two light modules together as it is inserted into the waterproof acrylic tube.
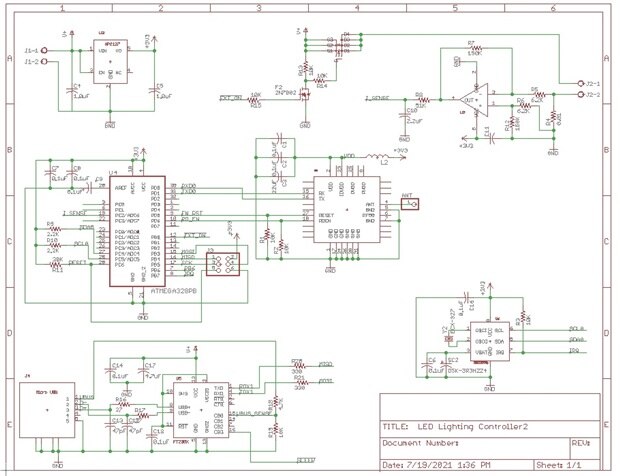
The next component in the system is controller board. The main function of the controller board is to apply power to lighting modules. The design is a modification of my smart solar controller board, leaving off the Li-Ion battery and charger circuit, along with the on board current controlled LEDs. Added to this design is a USB to serial device and a power switching and current monitoring circuit. The idea is to port the smart solar firmware over to give the lights an intelligent scheduling feature as well as the ability to respond to an enOcean switch to provide on demand light (with a timed automatic turn off feature). While the power is switched on, the device will continue to monitor the current demand, and shut off the power if a trip-point is exceeded. Here is the schematic and layout for the controller board:
For this system I had a 5V 10A power supply that I decided to use. At the present, the maximum load is ~540mA, so I have a lot of excess power that I can use should I need any more lighting.
Next steps:
- I need to run conduit under the deck to protect the wiring from the squirrels (they seem to like plastic for their nests).
- Add conduit runs (painted black) for the stair lighting assemblies.
- Complete the stair lighting assemblies.
- Complete the controller assembly and firmware.
- Connect everything up and test every thing out.
Enough for now. I need to print out a few more parts and add some finishing touches to some of the assemblies.
Thanks for reading along.














Top Comments