This is part II of a three part post.
Please read Part I QLab Midi Controller for an introduction to the project.
Parts Required
1x Teensy 3.1 - https://www.pjrc.com/store/teensy31.html
1x 60mm Illuminated Arcade Button - http://www.arcadeworlduk.com/products/High-Profile-60mm-Arcade-Button.html
1x Rectangular Arcade Button - http://www.arcadeworlduk.com/products/Rectangular-Illuminated-Arcade-Button.html
1x Triangular Arcade Button - http://www.arcadeworlduk.com/products/Triangular-Arcade-Button.html
5x 5V Wedge Base LEDs - http://www.arcadeworlduk.com/products/awuk-5v-10mm-wedge-base-led.html
1x Hammond Instrument Enclosure - http://uk.farnell.com/hammond/1456fg4bkbu/enclosure-aluminium-instrument/dp/1415246
1x USB A TO MINI B PLUG - http://uk.farnell.com/bulgin/px0441-2m00/cable-usb-a-plug-to-usb-mini-b/dp/1229677
1x USB B RECEPTACLE (PANEL) - http://uk.farnell.com/bulgin/px0443/connector-usb-b-receptacle-panel/dp/1229685
1x Sacrificial Micro-USB cable
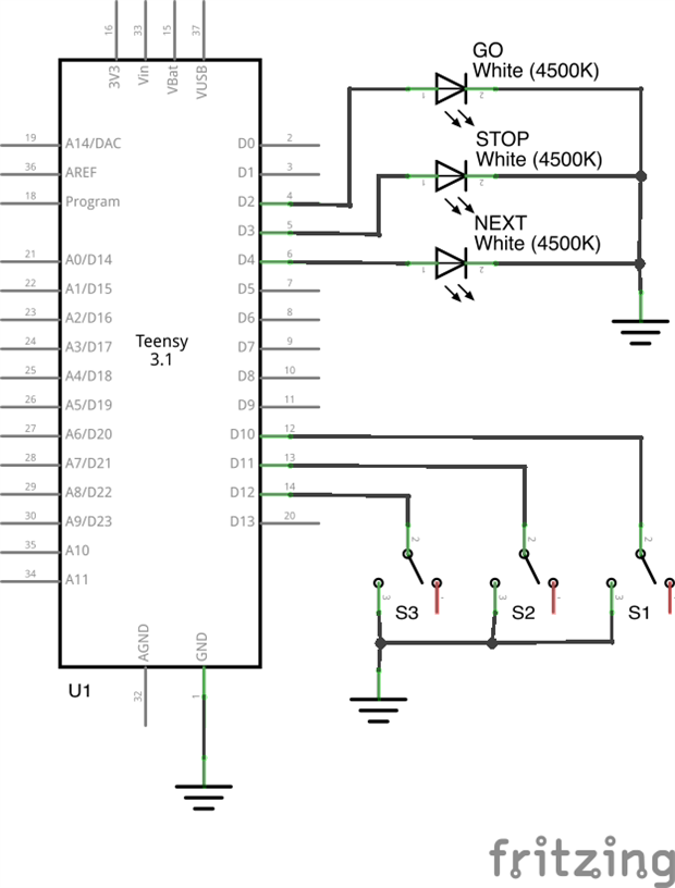
Schematic
The wiring for the controller is very simple. Internal pull-ups negate the need to resistors on the switches. I’ve put together a very rough schematic in Fritzing. Please let me know if you have any questions, comments or suggestions.
Operation
When powered up all three of the buttons will illuminate.
The Go button is intended to fire the currently selected cue. To do this it sends a MIDI note to the computer when the button is pressed, and turns the note off when the button is released. During this time the go button will blink 3 times.
The next button will send a different note to the computer when pressed. The LED on this button will extinguish while the button is pressed.
The Stop button has two functions. QLab will fade all active cues when the ‘Panic’ button is pressed. The time of this fade can be modified in the preferences. If the button is pressed a second time the track will stop immediately. To reflect this, the first press of the stop button will cause the button to flash for three seconds. the second press will cancel the flash and re-illuminate the button.
Construction
The enclosure front was cut to accommodate the three buttons, the rear face was cut to accept the panel mounted USB receptacle (apologies for the lack of photos). Each of the Buttons was installed and four cables were run to each of them. The Teensy and wire ends were then mounted onto a piece of strip-board
The inclusion of the specific Bulgin connectors are purely optional, I chose them because the USB cable can be ‘locked’ in place, and a standard Mini USB can also be accepted.
The QLab MIDI Controller Arduino code will follow in part III.
This project is still work in progress. Comments, questions, and suggestions are welcome.



