Hi
I have a transformer 13.8v DC.
I also have arduino nano. According to the spec, arduino can be powered from 7-12v.
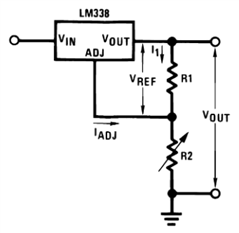
I thought using http://www.ti.com/lit/ds/symlink/lm338.pdf in-order to step down the voltage to around 12v.
I have used the default scheme as mentioned in the datasheet
R1 is 1Kohm, R2 is 1Mohm.
- When Vout is un-connected to arduino - If I sample Vout using a multi-meter I get 12.19v which is great!
- When I connect Vout to arduino's Vin port - the voltage drops down and continuously changes between 8.5v and 9.2v.
- I want to mention the circuit is not getting hot, not the arduino and not the regulator
If I understand lm338k functionality, it supposed to provide a stable voltage even with load connected.
Even though ~9v is valid for powering arduino, I don't understand the phenomena.
Someone have an idea what I am doing wrong?
How can I continue the debug?
Wall-Wart photo:
I don't know why it says 7.5V, it actually outputs 13.75v when I test it with multimeter.
Measurement
I have just received The specified item was not found.
It has an osciliscope of up to 12v (Good enough for this task)
I put the measurment on Vout of the circuit above.
I have catched a trigger (8v fall edge) when I put higher load (I provde a pulse for enabling a DC motor driver) in parallel to the arduino.
You can see the voltage it pushed from 9.5v to 6.5v during the DC activation (Higher load is attached)
When aduino is reaching towards 6.9v it then power down and the motor stops.
The signal comming back to 9.5v is because both arduino and DC motor are offline since the arduino cannot contorl over the DC anymore...
Vout on the circuit is connected to Vin of arduino.
I then put big capacitor between the 5v voltage reference of the arduino (Regulated power supply) and GND.
This keeps ardunio on 5v during this hickup.
Thanks!
Idan





