element14 Community
element14 Community
    Register Log In
  • Site
  • Search
  • Log In Register
  • Community Hub
    Community Hub
    • What's New on element14
    • Feedback and Support
    • Benefits of Membership
    • Personal Blogs
    • Members Area
    • Achievement Levels
  • Learn
    Learn
    • Ask an Expert
    • eBooks
    • element14 presents
    • Learning Center
    • Tech Spotlight
    • STEM Academy
    • Webinars, Training and Events
    • Learning Groups
  • Technologies
    Technologies
    • 3D Printing
    • FPGA
    • Industrial Automation
    • Internet of Things
    • Power & Energy
    • Sensors
    • Technology Groups
  • Challenges & Projects
    Challenges & Projects
    • Design Challenges
    • element14 presents Projects
    • Project14
    • Arduino Projects
    • Raspberry Pi Projects
    • Project Groups
  • Products
    Products
    • Arduino
    • Avnet & Tria Boards Community
    • Dev Tools
    • Manufacturers
    • Multicomp Pro
    • Product Groups
    • Raspberry Pi
    • RoadTests & Reviews
  • About Us
  • Store
    Store
    • Visit Your Store
    • Choose another store...
      • Europe
      •  Austria (German)
      •  Belgium (Dutch, French)
      •  Bulgaria (Bulgarian)
      •  Czech Republic (Czech)
      •  Denmark (Danish)
      •  Estonia (Estonian)
      •  Finland (Finnish)
      •  France (French)
      •  Germany (German)
      •  Hungary (Hungarian)
      •  Ireland
      •  Israel
      •  Italy (Italian)
      •  Latvia (Latvian)
      •  
      •  Lithuania (Lithuanian)
      •  Netherlands (Dutch)
      •  Norway (Norwegian)
      •  Poland (Polish)
      •  Portugal (Portuguese)
      •  Romania (Romanian)
      •  Russia (Russian)
      •  Slovakia (Slovak)
      •  Slovenia (Slovenian)
      •  Spain (Spanish)
      •  Sweden (Swedish)
      •  Switzerland(German, French)
      •  Turkey (Turkish)
      •  United Kingdom
      • Asia Pacific
      •  Australia
      •  China
      •  Hong Kong
      •  India
      • Japan
      •  Korea (Korean)
      •  Malaysia
      •  New Zealand
      •  Philippines
      •  Singapore
      •  Taiwan
      •  Thailand (Thai)
      • Vietnam
      • Americas
      •  Brazil (Portuguese)
      •  Canada
      •  Mexico (Spanish)
      •  United States
      Can't find the country/region you're looking for? Visit our export site or find a local distributor.
  • Translate
  • Profile
  • Settings
Arduino
  • Products
  • More
Arduino
Arduino Forum CD4066B CMOS Quad Bilateral Switch question
  • Blog
  • Forum
  • Documents
  • Quiz
  • Events
  • Polls
  • Files
  • Members
  • Mentions
  • Sub-Groups
  • Tags
  • More
  • Cancel
  • New
Join Arduino to participate - click to join for free!
Actions
  • Share
  • More
  • Cancel
Forum Thread Details
  • Replies 20 replies
  • Subscribers 402 subscribers
  • Views 2894 views
  • Users 0 members are here
Related

CD4066B CMOS Quad Bilateral Switch question

roineust
roineust over 8 years ago

i'm thinking of using a CD4066B CMOS Quad Bilateral Switch in an Arduino project. i understand it can handle +-7.5V or +15V as the voltage it is switching (logic is 5V and ~20mAh).

But i can't seem to understand what is the switching current for these 15volts.

Can it switch for example 11V and 900mAh per channel (it has 4 channels)??

 

Here is the chip datasheet:

http://www.ti.com/lit/ds/symlink/cd4066b.pdf

  • Sign in to reply
  • Cancel

Top Replies

  • dougw
    dougw over 8 years ago in reply to roineust +3
    Nice choice Jon, The device is fully on with just 5 mA through the LED so it can easily be driven by an arduino with an appropriate resistor as indicated by rachaelp . This gets you 2.5 A ac when connected…
  • dougw
    dougw over 8 years ago +2
    Look at the On-State resistance data. Typical resistance at room temperature is about 500 ohms and could be as high as 1K. This means if you run 20 mA through the switch the voltage will typically drop…
  • michaelkellett
    michaelkellett over 8 years ago in reply to roineust +2
    I don't think there is one: The best I could find on a quick search was ADG1611, 4 switches, 1 ohm on resistance but max current 280mA per channel. Try taking a step back - can you explain what you are…
Parents
  • dougw
    dougw over 8 years ago

    Look at the On-State resistance data.

    Typical resistance at room temperature is about 500 ohms and could be as high as 1K.

    This means if you run 20 mA through the switch the voltage will typically drop 10 volts.

    They are not very good at switching power. You can switch several in parallel to reduce the resistance, but it still won't be very good.

    High power analog switches are available.

    • Cancel
    • Vote Up +2 Vote Down
    • Sign in to reply
    • Cancel
  • roineust
    roineust over 8 years ago in reply to dougw

    Thanks for the reply.

     

    My problem is that there are extremely limited weight and size limitations for switching power in this project. As well there is a need to switch around 10 channels - hence i'm looking for a chip that weight ~1 gram, which can handle several channels, rather than using 10 times a solid state or a mechanical rely, which add up to more than 50 grams and 3 match boxes volume, which is a lot in this case. 

     

    Do you know of a small chip that does what the CD4066B CMOS Quad Bilateral Switch does and has the same small chip size - but rather can handle around 1-2 Amps of current?

    • Cancel
    • Vote Up 0 Vote Down
    • Sign in to reply
    • Cancel
  • jc2048
    jc2048 over 8 years ago in reply to roineust

    If you really need the isolation, you're probably back to a solid-state relay.
    Something like this will give you 4kV of isolation and switch a couple of amps

     

    http://uk.farnell.com/infineon/pvn012spbf/relay-photomos-spst-no/dp/1608203

    • Cancel
    • Vote Up +2 Vote Down
    • Sign in to reply
    • Cancel
  • michaelkellett
    michaelkellett over 8 years ago in reply to roineust

    What are you switching - can the things you are switching share a common ground with the Arduino ?

     

    MK

    • Cancel
    • Vote Up +1 Vote Down
    • Sign in to reply
    • Cancel
  • roineust
    roineust over 8 years ago in reply to michaelkellett

    No they can not share a common ground with the Arduino.

    • Cancel
    • Vote Up 0 Vote Down
    • Sign in to reply
    • Cancel
  • roineust
    roineust over 8 years ago in reply to jc2048

    Jon, this relay chip looks interesting weight and size wise.

    Could it be switched easily from an Arduino?

    How do i handle its legs pin out? what legs are for the main voltage/current and what are for the logic voltage/current? can it handle an Arduino 5V 20mAh logic signal? why does it have 6 legs?  

    • Cancel
    • Vote Up 0 Vote Down
    • Sign in to reply
    • Cancel
  • jc2048
    jc2048 over 8 years ago in reply to roineust

    Datasheet


    http://www.farnell.com/datasheets/690678.pdf?_ga=1.212576983.298976934.1443043972

     

    See bottom of page 2 for connection diagrams.

     

    Input is an LED. Needs 25mA. If it's a hobby project, the Arduino will probably cope, particularly if you don't have all 10 on at once. If it's a product use transistors like you would with a relay coil.

    • Cancel
    • Vote Up +2 Vote Down
    • Sign in to reply
    • Cancel
  • roineust
    roineust over 8 years ago in reply to jc2048

    In the following page, it says 'Voltage - input: 1.2V DC' does it mean that i can't use the Arduino 5V logic output directly and need to step it down to 1.2V?

    Here it is: PVN012SPBF Infineon Technologies | Relays | DigiKey 

    • Cancel
    • Vote Up +1 Vote Down
    • Sign in to reply
    • Cancel
  • rachaelp
    rachaelp over 8 years ago in reply to roineust

    It's an LED in the input, you put a series resistor to limit the current. The Vf of the LED will be 1.2V so you take your output voltage from your Arduino pin, subtract Vf and then select your resistor to give the appropriate current using ohms law. Looking that the IRF datasheet it'll allow 2.5A output current with a 5mA LED current so 5V - 1.2V = 3.8V. R = V/I so 3.8 / 0.005 = 760R. Choose the nearest standard value to that and it should be fine driving it from the Arduino output pin. You might want to check the actual output voltage you are getting in case it's lower than 5V and adjust your resistor accordingly.

     

    Best Regards,


    Rachael

    • Cancel
    • Vote Up +2 Vote Down
    • Sign in to reply
    • Cancel
  • jc2048
    jc2048 over 8 years ago in reply to rachaelp

    Oh, where did I get 25mA from? I know where it was - it was the Farnell product page:

     

    http://uk.farnell.com/infineon/pvn012pbf/relay-photomos-spst-no/dp/1608202

     

    Sorry about that - next time I'll read the datasheet.

     

    Depending on what the load is, you might want some protection on the output.

    • Cancel
    • Vote Up +2 Vote Down
    • Sign in to reply
    • Cancel
  • rachaelp
    rachaelp over 8 years ago in reply to jc2048

    Jon Clift wrote:

     

    Oh, where did I get 25mA from? I know where it was - it was the Farnell product page:

     

    http://uk.farnell.com/infineon/pvn012pbf/relay-photomos-spst-no/dp/1608202

     

    Sorry about that - next time I'll read the datasheet.

    It's the max control current given on page 2 of the datasheet so you weren't wrong. If you need 4.5A at the output then you'll need to go to 25mA

     

    Jon Clift wrote:

     

    Depending on what the load is, you might want some protection on the output.

    Yes, that's a very good point.

    • Cancel
    • Vote Up +1 Vote Down
    • Sign in to reply
    • Cancel
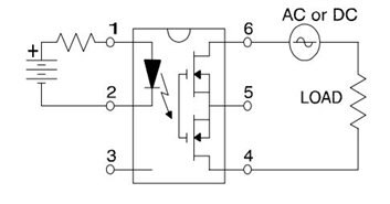
  • dougw
    dougw over 8 years ago in reply to roineust

    Nice choice Jon,

    The device is fully on with just 5 mA through the LED so it can easily be driven by an arduino with an appropriate resistor as indicated by rachaelp.

    This gets you 2.5 A ac when connected like this:

    image

    There would be a voltage drop of 0.25V with a 2.5A load.

     

    5 mA input allows a 4.5 A unipolar output when both FETs are in parallel, like this:

    image

    • Cancel
    • Vote Up +3 Vote Down
    • Sign in to reply
    • Cancel
Reply
  • dougw
    dougw over 8 years ago in reply to roineust

    Nice choice Jon,

    The device is fully on with just 5 mA through the LED so it can easily be driven by an arduino with an appropriate resistor as indicated by rachaelp.

    This gets you 2.5 A ac when connected like this:

    image

    There would be a voltage drop of 0.25V with a 2.5A load.

     

    5 mA input allows a 4.5 A unipolar output when both FETs are in parallel, like this:

    image

    • Cancel
    • Vote Up +3 Vote Down
    • Sign in to reply
    • Cancel
Children
  • jc2048
    jc2048 over 8 years ago in reply to dougw

    Yes, it has the virtue of simplicity, but with 10 outputs it's an expensive solution, particularly if you don't actually need the isolation. I suspect Michael's approach might be better if we knew the problem we were solving.

     

    Even with isolation, it would probably be cheaper to use quad optos and separate MOSFETS.

    • Cancel
    • Vote Up +2 Vote Down
    • Sign in to reply
    • Cancel
element14 Community

element14 is the first online community specifically for engineers. Connect with your peers and get expert answers to your questions.

  • Members
  • Learn
  • Technologies
  • Challenges & Projects
  • Products
  • Store
  • About Us
  • Feedback & Support
  • FAQs
  • Terms of Use
  • Privacy Policy
  • Legal and Copyright Notices
  • Sitemap
  • Cookies

An Avnet Company © 2025 Premier Farnell Limited. All Rights Reserved.

Premier Farnell Ltd, registered in England and Wales (no 00876412), registered office: Farnell House, Forge Lane, Leeds LS12 2NE.

ICP 备案号 10220084.

Follow element14

  • X
  • Facebook
  • linkedin
  • YouTube