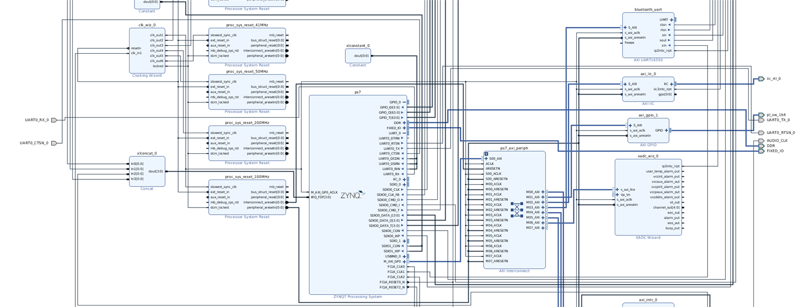
Hello - I want to connect a Telemetry Radio with a 4-wire Serial Communication port (RX,TX, RTS, and CTS) to Minized. To accomplish it, I am using UART0 (Serial1 as alias in Avnet device tree) on PS7 with EMIO as below:
and then I add it to my device tree "myproject/project-spec/meta-user/recipes-bsp/device-tree/file/system-user.dtsi" as below:
&uart0 {
status="okay";
current-speed = <115200>;
port-number = <0>;
};
In Petalinux, I get the following info regarding my Serial ports:
root@(none):/# dmesg | grep tty*
Setting up static identity map for 0x100000 - 0x100060
e0000000.serial: ttyPS1 at MMIO 0xe0000000 (irq = 25, base_baud = 6249999) is a xuartps
e0001000.serial: ttyPS0 at MMIO 0xe0001000 (irq = 26, base_baud = 6249999) is a xuartps
printk: console [ttyPS0] enabled
pps_core: Software ver. 5.3.6 - Copyright 2005-2007 Rodolfo Giometti <giometti@linux.it>
43c00000.serial: ttyS2 at MMIO 0x43c01000 (irq = 49, base_baud = 3000000) is a 16550A
clocksource: ttc_clocksource: mask: 0xffff max_cycles: 0xffff, max_idle_ns: 537538477 ns
It looks like ttyPS1 is tied to UART0, however, I don't see any signal on my oscilloscope? Am I missing something here? I read that UART0 is tied to terminal. If this is true, what steps should I take to redirect UART0 to my Radio Transceiver? or is there an example of UART via EMIO for Minized?
Thank you,
Iman
