Hello,
We are developing demo Application for Picture in picture. for this we are using PicoZed 7030 board with FMC HDMI daughter card. We are referring FMC-HDMI-CAM + PYTHON-1300-C Reference Design Tutorial from zedboard.org. In this project Video On-Screen Display (OSD) Ip produces output video from external video sources (i.e HDMI,Camera input) and internal graphics controller.
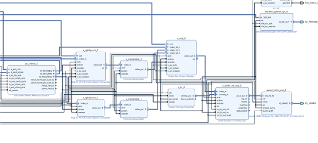
In Vivado we used Axi vdma to read image from sd card . Inside Sd card we have used .bin file which is converted from .jpg image.
Following is the snippet of block design.
But we are not getting proper result over display.
We are not sure about which image format to place in Sd card to get proper result over the display. Is there any thing we are missing?
Thanks in advance

