Dear Experts
I need help regarding interrupt handling using UIO. I am using Vivado 2015.4 and Petalinux 2015.4. The board used is Zedboard.
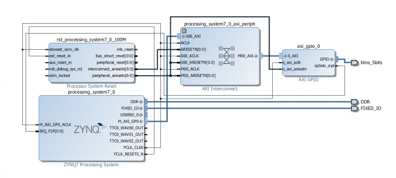
I made the following vivado project attached as image. The interrupts from AXI and Fabric (PL-PS) are enabled.
Afterwards i was able to export it as UIO and it shows in /dev as uio0.
My code is as follows:
/*
* File: main.c
* Author: fss
*
* Created on August 23, 2017, 12:35 PM
*/
#include <sys/mman.h>
#include <stdio.h>
#include <stdint.h>
#include <stdlib.h>
#include <poll.h>
#include <fcntl.h>
#include <errno.h>
#define GPIO_DATA_OFFSET 0x00
#define GPIO_TRI_OFFSET 0x04
#define GPIO_DATA2_OFFSET 0x08
#define GPIO_TRI2_OFFSET 0x0C
#define GPIO_GLOBAL_IRQ 0x11C
#define GPIO_IRQ_CONTROL 0x128
#define GPIO_IRQ_STATUS 0x120
unsigned int get_memory_size(char *sysfs_path_file)
{
FILE *size_fp;
unsigned int size;
// open the file that describes the memory range size that is based on the
// reg property of the node in the device tree
size_fp = fopen(sysfs_path_file, "r");
if (size_fp == NULL) {
printf("unable to open the uio size file\n");
exit(-1);
}
// get the size which is an ASCII string such as 0xXXXXXXXX and then be stop
// using the file
fscanf(size_fp, "0x%08X", &size);
fclose(size_fp);
return size;
}
void reg_write(void *reg_base, unsigned long offset, unsigned long value)
{
*((volatile unsigned long *)(reg_base + offset)) = value;
}
unsigned long reg_read(void *reg_base, unsigned long offset)
{
return *((volatile unsigned long *)(reg_base + offset));
}
uint8_t wait_for_interrupt(int fd_int, void *gpio_ptr)
{
static unsigned int count = 0, bntd_flag = 0, bntu_flag = 0;
int flag_end=0;
int pending = 0;
int reenable = 1;
unsigned int reg;
unsigned int value;
// block (timeout for poll) on the file waiting for an interrupt
struct pollfd fds = {
.fd = fd_int,
.events = POLLIN,
};
int ret = poll(&fds, 1, 100);
printf("ret is : %d\n", ret);
if (ret >= 1) {
read(fd_int, (void *)&reenable, sizeof(int)); // &reenable -> &pending
// channel 1 reading
value = reg_read(gpio_ptr, GPIO_DATA_OFFSET);
if ((value & 0x00000001) != 0) {
printf("Interrupt recieved");
}
count++;
usleep(50000); // anti rebond
if(count == 10)
flag_end = 1;
// the interrupt occurred for the 1st GPIO channel so clear it
reg = reg_read(gpio_ptr, GPIO_IRQ_STATUS);
if (reg != 0)
reg_write(gpio_ptr, GPIO_IRQ_STATUS, 1);
// re-enable the interrupt in the interrupt controller thru the
// the UIO subsystem now that it's been handled
write(fd_int, (void *)&reenable, sizeof(int));
}
return ret;
}
int main(void)
{
int fd = open("/dev/uio0", O_RDWR);
if (fd < 0) {
perror("open");
exit(EXIT_FAILURE);
}
int gpio_size = get_memory_size("/sys/class/uio/uio0/maps/map0/size");
/* mmap the UIO devices */
void * ptr_axi_gpio = mmap(NULL, gpio_size, PROT_READ|PROT_WRITE, MAP_SHARED, fd, 0);
while (1)
{
wait_for_interrupt(fd,ptr_axi_gpio);
}
close(fd);
exit(EXIT_SUCCESS);
}
But the issue is that this code is not catching the interrupt. Kindly help me in this. Any suggestion/links are more than welcomed
Regards
<html><head><title>Jive SBS</title></head> <body><font face="arial,helvetica,sans-serif"> <b>Error</b><br><font size="-1"> An general error occurred while processing your request. </font></font></body></html>


