| BUY NOWBUY NOW | Technical Documents | Video | Features | Kit Contents |
![]() | Kit Overview
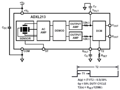
The Analog Devices ADXL213EBADXL213EB is a simple breakout board that allows quick evaluation of the performance of the ADXL213 accelerometer. The ADXL213ADXL213 is a 2-axis, low-noise, temperature-stable accelerometer with PWM output. The small size (1" x 1") of the ADXL213EB makes it easy to mount the accelerometer to an existing system without the need for additional hardware and with minimal effect on performance of the system and of the accelerometer.
The user needs to add only three additional through-hole passive components, depending on the bandwidth required in the application. The ADXL213EBADXL213EB has a 5-pin 0.1 inch spaced header for access to all power and signal lines that the user can attach to a prototyping board (breadboard) or wire using a standard plug. Two holes are provided for mechanical attachment of the ADXL213EB to the application.
The ADXL213ADXL213 Accelerometer:
Key Applications: Automotive tilt alarm, Data projectors, Navigation, Platform stabilization/leveling, Alarms and motion detectors, High accuracy, 2-axis tilt sensing. | |||||||||||
| ||||||||||||
Technical Documents
Learning Center
Design Elements
| Type | Description |
|---|---|
| CAD Model | ADI: CAD Model for ADXL213AE |
Video
Kit Features
Key Features for ADXL213ADXL213 Accelerometer:
- Dual axis accelerometer on a single IC chip
- 5 mm × 5 mm × 2 mm LCC package
- 1 mg resolution at 60 Hz
- Low power: 700 μA at VS = 5 V (typical)
- High zero g bias stability
- High sensitivity accuracy
- Pulse width modulated digital outputs
- X and Y axes aligned to within 0.1° (typical)
- BW adjustment with a single capacitor
- Single-supply operation
- 3500 g shock survival
- Qualified for automotive applications
Kit Contents
The Analog Devices ADXL213EBADXL213EB is supplied with below contents:
- Evaluation Board



