| BUY NOWBUY NOW | Technical Documents | Video | Features | Kit Contents |
![]() | Kit Overview
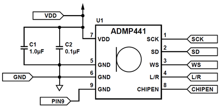
The Analog Devices EVAL-ADMP441Z-FLEXEVAL-ADMP441Z-FLEX is a simple evaluation board that allows quick evaluation of the performance of the ADMP441ADMP441 MEMS microphone. The small size and low profile of the flexible PCB enables direct placement of the microphone into a prototype or an existing design for an in situ evaluation. The EVAL-ADMP441Z-FLEX consists of an ADMP441 microphone soldered to a flexible PCB. The only other component on the board is a 0.1 µF supply bypass capacitor.
The flex PCB is designed to mate to a ZIF connector with 1.0 mm pin spacing. The Molex 52610-107152610-1071 connector is included in the kit with the flex PCB. The flex PCB can be mated to the connector by first pulling out the connector’s tan clamp, inserting the flex PCB, and then pushing the clamp closed. Wires can be soldered directly to this connector’s pins or it can be mounted directly on a rigid PCB for evaluation. It is recommended to use 28 AWG or smaller wire for soldering to this connector’s pins. The PCB thickness at the pin edge is 0.3 mm.
Key Applications: Teleconferencing systems, Gaming consoles, Mobile devices, Laptops, Tablets, Security systems | |||||||||||
| ||||||||||||
Technical Documents
Learning Center
Design Elements
| Type | Description |
|---|---|
| Simulation Model | ADI: IBIS model for ADMP441 |
| Reference Design | ADI: Reference design for Avnet LX9 MicroBoard (source code) |
| Reference Design | ADI: Reference design for ADMP441 FMC-SDP Interposer and Evaluation Board / Xilinx KC705 |
| Application Library | ADI: Application Library for BeMicro FPGA Project for ADMP441 with Nios driver |
Video
Kit Features
Key Features for ADMP441ADMP441:
- Digital I2S interface with high precision 24-bit data
- High SNR of 61 dBA
- High Sensitivity of -26 dBFS
- Flat frequency response from 60 Hz to 15 kHz
- Low current consumption of 1.4 mA
- High PSR of -75 dBFS
- Small 4.72 mm × 3.76 mm × 1 mm surface-mount package
- Compatible with Sn/Pb and Pb-free solder processes
Kit Contents
The Analog Devices EVAL-ADMP441Z-FLEXEVAL-ADMP441Z-FLEX is supplied with below contents:
- Evaluation Board





