| BUY NOWBUY NOW | Technical Documents | Video | Features | Kit Contents |
![]() | Kit Overview
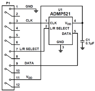
The Analog Devices EVAL-ADMP521ZEVAL-ADMP521Z is a simple evaluation board that allows quick evaluation of the performance of the ADMP521ADMP521 bottom port, digital output, omnidirectional microphone. The EVAL-ADMP521Z has a dual-row, 12-pin, 0.1-inch spaced header for access to all microphone pins. All signals are connected to the row of pins along the edge of the board. The pins on the inner row are not connected to any signals.
The EVAL-ADMP521ZEVAL-ADMP521Z is designed to plug directly into either row of Connector J6 on the Analog Devices, Inc., EVAL-ADAU1761ZEVAL-ADAU1761Z evaluation board. When these two boards are connected, the EVAL-ADMP521Z board should extend off the left edge of the EVAL-ADAU1761ZEVAL-ADAU1761Z board. The dimensions of the EVAL-ADMP521ZEVAL-ADMP521Z are 13 mm × 18 mm.
The ADMP521ADMP521 is a high performance, ultra low noise, low power, digital output bottom-ported omnidirectional MEMS microphone. The ADMP521 consists of a MEMS microphone element and an impedance converter amplifier followed by a fourth-order Σ-Δ modulator. The digital interface allows for the pulse density modulated (PDM) output of two microphones to be time-multiplexed on a single data line using a single clock. The ADMP521 is function- and pin-compatible with the ADMP421 microphone, providing an easy upgrade path.
Key Applications: Smartphones and feature phones, Tablet computers, Teleconferencing systems, Digital still & video cameras, Bluetooth headsets, Notebook PCs, Security and surveillance | |||||||||||
| ||||||||||||
Technical Documents
Learning Center
Design Elements
| Type | Description |
|---|---|
| CAD Model | ADI: CAD Model for ADMP521ACEZ-RL (BXL File format) |
| Simulation Model | ADI: IBIS Model for ADMP521 |
| Application Library | ADI: Application Library for Microphone Beamforming Simulation Tool (32-bit) |
| Application Library | ADI: Application Library for Microphone Beamforming Simulation Tool (64-bit) |
Video
Kit Features
Key Features for ADMP521ADMP521 Ultra-Low Noise Microphone are as below:
- Small and thin 3 mm × 4 mm × 1 mm surface-mount package
- Omnidirectional response
- Very High SNR of 65 dBA
- Sensitivity of -26 dBFS
- Extended frequency response from 100 Hz to 16 kHz
- Low current consumption: 900 µA
- Sleep mode for extended battery life, <1 µA consumption
- 120 dB maximum SPL
- High PSR of -80 dBFS
- Fourth-order S-Σ modulator
- Digital PDM output
- Compatible with Sn/Pb and Pb-free solder processes
Kit Contents
The Analog Devices EVAL-ADMP521ZEVAL-ADMP521Z is supplied with below contents:
- Evaluation Board






