| BUY NOWBUY NOW | Technical Documents | Video | Features | Kit Contents |
![]() | Kit Overview
The Analog Devices EVAL-ADXL377ZEVAL-ADXL377Z is a simple breakout board that allows quick evaluation of the performance of the ADXL377ADXL377. The ADXL377 is a 3-axis analog-output accelerometer with ±200 g measurement range. The small size (1" x 1") of the breakout board makes it easy to mount the accelerometer to an existing system without the need for additional hardware and with minimal effect on performance of the system and of the accelerometer.
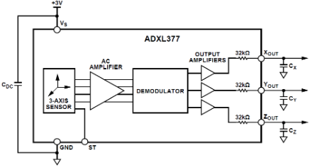
The ADXL377ADXL377 is a small, thin, low power, complete 3-axis accelerometer with signal conditioned voltage outputs. The ADXL377 measures acceleration resulting from motion, shock, or vibration with a typical full-scale range of ±200 g.
The user selects the bandwidth of the accelerometer using the CX, CY, and CZ capacitors at the XOUT, YOUT, and ZOUT pins. Bandwidths can be selected to suit the application, with a range of 0.5 Hz to 1300 Hz for the x-axis and y-axis and a range of 0.5 Hz to 1000 Hz for the z-axis.
Key Applications: Concussion and head trauma detection, High force event detection | |||||||||||
| ||||||||||||
Technical Documents
Learning Center
Design Elements
| Type | Description |
|---|---|
| CAD Model | ADI: CAD Model for ADXL377BCPZ-RL (BXL File Format) |
Video
Kit Features
Key Features for ADXL377ADXL377 Evaluation Board are as below:
- 3-axis sensing
- Small, low profile package:
- 3 mm × 3 mm × 1.45 mm LFCSP
- Low power:
- 300 µA (typical)
- Single-supply operation:
- 1.8 V to 3.6 V
- 10,000 g shock survival
- Excellent temperature stability
- Bandwidth adjustment with a single capacitor per axis
Kit Contents
The Analog Devices EVAL-ADXL377ZEVAL-ADXL377Z is supplied with below contents:
- Evaluation Board





