| BUY NOWBUY NOW | Technical Documents | Video | Features | Kit Contents |
Kit Overview
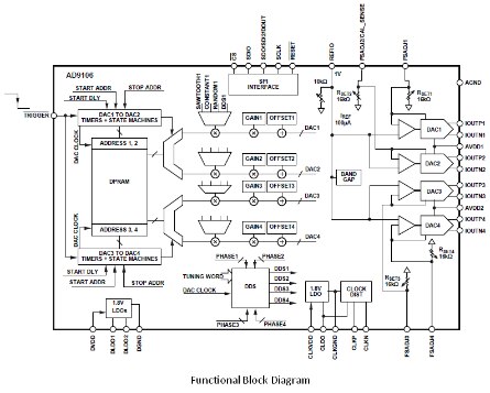
The AD9106-EBZAD9106-EBZ evaluation board includes a PIC 18F455018F4550 processor programmed to function as a PC USB interface to the SPI port of the device. The AD9106AD9106 is a Quad Digital to Analog converter and Waveform Generator. And an AD9514 clock chip that takes in a 1440Mhz signal from the clock source and provides the CLKP/N input to the AD9106. The EVB runs from a single 5 volt supply.
The AD9106AD9106 Evaluation Board GUI software has a number of tabs. Each tab allows the user to view or manually program a subset of AD9106 registers and on-chip data RAM. The RAM tab lets the user download vectors to the RAM. The AD9106 evaluation board CD includes RAM vectors for use with example files described below where appropriate. There is a DAC tab for each of the four AD9106 DACs. The DAC tabs depict the waveform generation signal chain for each DAC. The Register Write Sequence tab is used to select and write register configuration files to the AD9106.
The AD9106AD9106 TxDAC
Key Applications: Medical instrumentation(Ultrasound transducer excitation), Portable instrumentation(Signal generators, arbitrary waveform generators). | ||||||||||||
| ||||||||||||
Technical Documents
Learning Center
| Type | Description |
|---|---|
| User Guide | ADI: Qucik Start Guide for AD9106 Evaluation Board |
| Datasheet | ADI: Datasheet for AD9106 Quad, Low Power, 12-Bit, 180 MSPS, DAC and Waveform Generator (Rev 0) |
Design Elements
Video
Kit Features
Features of AD9106AD9106 D/A Converter:
- Highly integrated quad DAC
- On-chip 4096 × 12-bit pattern memory
- On-chip DDS
- Power dissipation at 3.3 V, 4 mA output
- 315 mW at 180 MSPS
- Sleep mode: < 5 mW at 3.3 V
- Supply voltage: 1.8 V to 3.3 V
- SFDR to Nyquist
- 86 dBc at 1 MHz output
- 85 dBc at 10 MHz output
- Phase noise at 1 kHz offset, 180 MSPS, 8 mA: −140 dBc/Hz
- Differential current outputs: 8 mA maximum at 3.3 V
- Small footprint 32-lead, 5 mm × 5 mm with 3.5 mm × 3.6 mm exposed paddle LFCSP
- Pb-free package
Kit Contents
The Analog Devices AD9106-EBZAD9106-EBZ supplied with below contents:
- AD9106-EBZAD9106-EBZ Evaluation Board
- Mini-USB Cable
- AD9106AD9106 Evaluation Board CD






