| BUY NOWBUY NOW | Technical Documents | Video | Features | Kit Contents |
Kit Overview
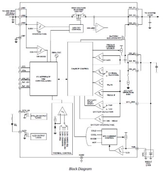
The Analog Devices ADP5062CP-EVALZADP5062CP-EVALZ evaluation board provides an easy way to evaluate the ADP5062ADP5062 device. The ADP5062ADP5062 charger is fully compliant with USB 3.0 and the USB Battery Charging Specification 1.2 and enables charging via the mini USB VBUS pin from a wall charger, car charger, or USB host port.The ADP5062 operates from a 4 V to 6.7 V input voltage range but is tolerant of voltages up to 20 V thereby alleviating concerns about USB bus spikes during disconnect or connect scenarios.
The ADP5062ADP5062 features an internal FET between the linear charger output and the battery. This permits battery isolation and, hence, system powering under a dead battery or no battery scenario, which allows for immediate system function on connec-tion to a USB power supply.
Based on the type of USB source, which is detected by an external USB detection chip, the ADP5062ADP5062 can be set to apply the correct current limit for optimal charging and USB compliance.The ADP5062 has three factory-programmable digital input/out-put pins that provide maximum flexibility for different systems. These digital input/output pins permit combinations of features such as, input current limits, charging enable and disable, charging current limits, and a dedicated interrupt output pin.
Key Applications: Digital Still Cameras, Digital Video Cameras, Single Cell Li-Ion Portable Equipment, PDAs, Audio and GPS Devices, Portable Medical Devices, Mobile Phones. | ||||||||||||
| ||||||||||||
Technical Documents
Learning Center
| Type | Description |
|---|---|
| Datasheet | ADI: Datasheet for ADP5062 Linear Li-Ion Battery Charger with Power Path and USB Compatibility in LFCSP (Rev 0) |
Video
Kit Features
Features of ADP5062ADP5062:
- Fully programmable via I2C
- Flexible digital control inputs
- Up to 2.1 A current from an ac charger in LDO mode
- Operating input voltage from 4.0 V to 6.7 V
- Tolerant input voltage from −0.5 V to +20 V (USB VBUS)
- Fully compatible with USB 3.0 and USB Battery Charging Specification 1.2
- Built-in current sensing and limiting
- As low as 54 mΩ battery isolation FET between battery and charger output
- Thermal regulation prevents overheating
- Compliant with JEITA 1 and JEITA 2 Li-Ion battery charging temperature specifications
- SYS_EN flag permits the system to be disabled until battery is at the minimum required level for guaranteed system start-up
- 4 mm × 4 mm LFCSP package
Kit Contents
The Analog Devices ADP5062CP-EVALZADP5062CP-EVALZ supplied with below contents:
- ADP5062CP-EVALZADP5062CP-EVALZ ADP5062ADP5062 Evaluation Board





