| BUY NOWBUY NOW | Technical Documents | Video | Features | Kit Contents |
![]() | Kit Overview
The Analog Devices ADP1853-EVALZADP1853-EVALZ is an evaluation board to evaluate ADP1853ADP1853. The input range for this evaluation board is 9 V to 15 V, and the regulated output voltage is 3.3 V with a maximum 20 A output current. A switching frequency (fSW) of 300 kHz is chosen to achieve a good balance between efficiency and the sizes of the power components.
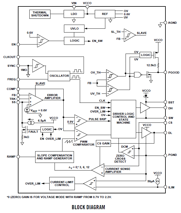
The ADP1853ADP1853 is a wide range input, dc-to-dc, synchronous buck controller capable of running from commonly used 3.3 V to 12 V (up to 20 V) voltage inputs. The device nominally operates in current mode with valley current sensing providing the fastest step response for digital loads. It can also be configured as a voltage mode controller with low noise and crosstalk for sensitive loads.
The ADP1853ADP1853 is used as a master synchronization clock for the power system and for convenient synchronization between controllers. The CLKOUT signal can synchronize other devices in the ADP185x family such that slave devices are phase-shifted from the master to reduce the input ripple current, improve EMI, and reduce the size of the input bulk capacitance. The ADP1853 can also be configured as a slave device for current sharing.
Additionally, the ADP1853ADP1853 includes accurate tracking, precision enable, and power good functions for sequencing. The ADP1853 provides a high speed, high peak current gate driving capability to enable energy efficient power conversion. The device can be configured to operate in power saving mode by skipping pulses, reducing switching losses and improving efficiency at light load and standby conditions.
Key Applications: Intermediate bus and POL systems requiring sequencing and tracking, including: Telecom base station and networking, Industrial and Instrumentation, Medical and healthcare | |||||||||||
| ||||||||||||
Technical Documents
Learning Center
Design Elements
| Type | Description |
|---|---|
| Reference Design | ADI: Reference Design for ADP1851_53 Buck Designer Tool |
| CAD Model | ADI: CAD Model for ADP1853ACPZ-R7 (BXL File Format) |
Video
Kit Features
Features of ADP1853-EVALZADP1853-EVALZ:
- Input voltage range: 9 V to 15 V
- Output voltage: 3.3 V
- Output current: up to 20 A
- Switching frequency: 300 kHz
- Operates in PWM or PSM
- Designed for evaluation of the ADP1853ADP1853 functionality
- Flexible and easy to re-configure and modify
Features of ADP1853ADP1853:
- Input voltage range: 2.75 V to 20 V
- Output voltage range: 0.6 V to 90% VIN
- Maximum output current of more than 25 A
- Current mode architecture with current sense input
- Configurable to voltage mode
- ±1% output voltage accuracy over temperature
- Voltage tracking input
- Programmable frequency: 200 kHz to 1.5 MHz
- Synchronization input
- Internal clock output
- Power saving mode at light load
- Precision enable input
- Power good with internal pull-up resistor
- Adjustable soft start
- Programmable current sense gain
- Integrated bootstrap diode
- Starts into a precharged load
- Externally adjustable slope compensation
- Suitable for any output capacitor
- Overvoltage and overcurrent-limit protection
- Thermal overload protection
- Input undervoltage lockout (UVLO)
- Available in 20-lead, 4 mm × 4 mm LFCSP
- Supported by ADIsimPower
design tool
Kit Contents
Tha Analog Devices ADP1853-EVALZADP1853-EVALZ supplied with below contents:
- ADP1853-EVALZADP1853-EVALZ ADP1853ADP1853 Evaluation Board






