Hi,
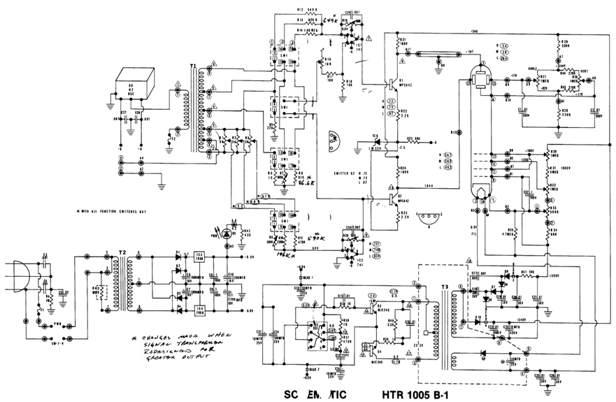
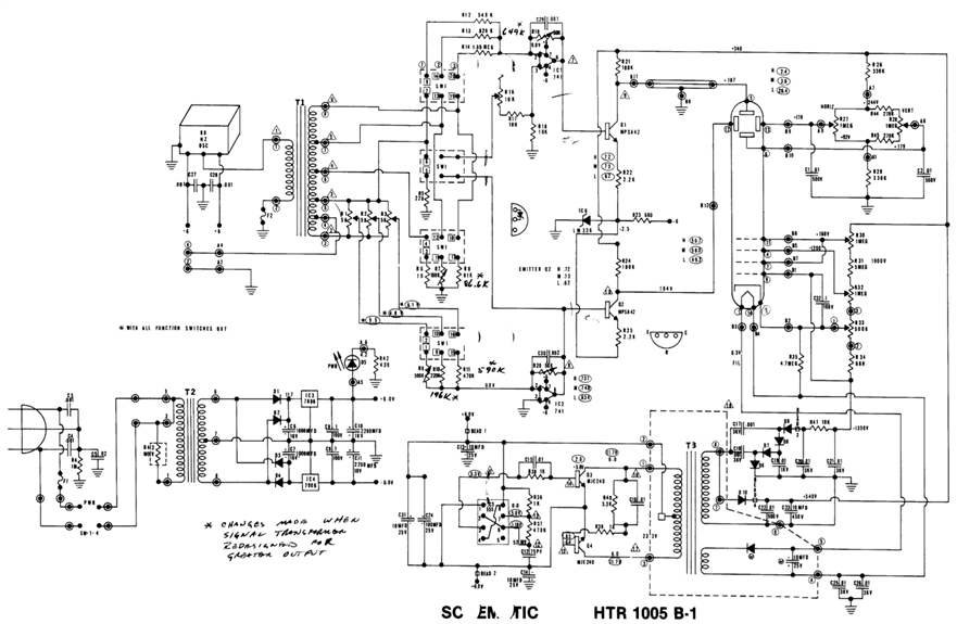
Recently I bought Huntron Tracker HTR 1005B-1 Pulse Generator/Signal Tracer Component Checker. But the transformer was no longer there(i guess that's why they sell it for a very cheap price). I try contacting the Huntron if by any chance i can buy a new transformer. Unfortunately, they no longer support the model I bought. Has anyone worked with this model before?

