Hi, This is my first post and hope you can clear my doubts I have about optoisolator boards!
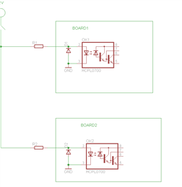
I have 2 boards which acquire singularly and correctly 12 v Contact as shown in the image belove :
Both boards work with singular connection without problem (first figure)
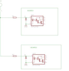
My problem is that I want to make them working with the same digital input DI . So I decided to make this connection:
At first glance it seems to work because i can see both board make what they are designed for (like in the singular connection) but I want to be sure this connection cant give any problem in the future
Its important to note that the boards are different and in particular the value of the resistors are different so the total current will be splitted in two but with different amplitude.
From my point of view what its important to consider is that my power supply can supply enough current (the total current ) for each board and that my contact can support the total current.
Could you please confirm me my theory ?
Hope you can help

