Hello,
I'm trying to create a circuit which allows the battery and/or power bank to supply and receive power (be charged) at the same time.
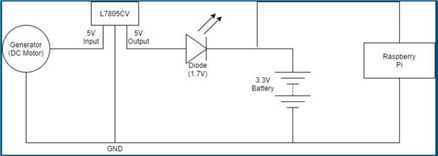
I tried using microchip 5V regulator and diode, but not really sure because it still doesn't work.
Any advise/input/feedback would be appreciated.
Cheers
