element14 Community
element14 Community
    Register Log In
  • Site
  • Search
  • Log In Register
  • Community Hub
    Community Hub
    • What's New on element14
    • Feedback and Support
    • Benefits of Membership
    • Personal Blogs
    • Members Area
    • Achievement Levels
  • Learn
    Learn
    • Ask an Expert
    • eBooks
    • element14 presents
    • Learning Center
    • Tech Spotlight
    • STEM Academy
    • Webinars, Training and Events
    • Learning Groups
  • Technologies
    Technologies
    • 3D Printing
    • FPGA
    • Industrial Automation
    • Internet of Things
    • Power & Energy
    • Sensors
    • Technology Groups
  • Challenges & Projects
    Challenges & Projects
    • Design Challenges
    • element14 presents Projects
    • Project14
    • Arduino Projects
    • Raspberry Pi Projects
    • Project Groups
  • Products
    Products
    • Arduino
    • Avnet & Tria Boards Community
    • Dev Tools
    • Manufacturers
    • Multicomp Pro
    • Product Groups
    • Raspberry Pi
    • RoadTests & Reviews
  • About Us
  • Store
    Store
    • Visit Your Store
    • Choose another store...
      • Europe
      •  Austria (German)
      •  Belgium (Dutch, French)
      •  Bulgaria (Bulgarian)
      •  Czech Republic (Czech)
      •  Denmark (Danish)
      •  Estonia (Estonian)
      •  Finland (Finnish)
      •  France (French)
      •  Germany (German)
      •  Hungary (Hungarian)
      •  Ireland
      •  Israel
      •  Italy (Italian)
      •  Latvia (Latvian)
      •  
      •  Lithuania (Lithuanian)
      •  Netherlands (Dutch)
      •  Norway (Norwegian)
      •  Poland (Polish)
      •  Portugal (Portuguese)
      •  Romania (Romanian)
      •  Russia (Russian)
      •  Slovakia (Slovak)
      •  Slovenia (Slovenian)
      •  Spain (Spanish)
      •  Sweden (Swedish)
      •  Switzerland(German, French)
      •  Turkey (Turkish)
      •  United Kingdom
      • Asia Pacific
      •  Australia
      •  China
      •  Hong Kong
      •  India
      • Japan
      •  Korea (Korean)
      •  Malaysia
      •  New Zealand
      •  Philippines
      •  Singapore
      •  Taiwan
      •  Thailand (Thai)
      • Vietnam
      • Americas
      •  Brazil (Portuguese)
      •  Canada
      •  Mexico (Spanish)
      •  United States
      Can't find the country/region you're looking for? Visit our export site or find a local distributor.
  • Translate
  • Profile
  • Settings
Power & Energy
  • Technologies
  • More
Power & Energy
Forum Power Supply help
  • Blog
  • Forum
  • Quiz
  • Documents
  • Polls
  • Events
  • Mentions
  • Sub-Groups
  • Tags
  • More
  • Cancel
  • New
Actions
  • Share
  • More
  • Cancel
Forum Thread Details
  • State Verified Answer
  • Replies 10 replies
  • Subscribers 286 subscribers
  • Views 1265 views
  • Users 0 members are here
  • linear
  • ac-dc
  • power_supply
Related

Power Supply help

richkid
richkid over 12 years ago

hey guys i'm a noob and currently trying to build a power supply that converts 110v- 24v DC-6A. can i get some some assistance like with a material list and a schematic diagram ?

  • Sign in to reply
  • Cancel

Top Replies

  • billabott
    billabott over 12 years ago +1 verified
    This circuit here is what I believe you are after.
  • Former Member
    Former Member over 12 years ago +1
    Here are the some tutorials for AC to DC powe supply with constant and variable DC supply. http://www.youtube.com/watch?v=BZmn_HKPx7Y http://www.youtube.com/watch?v=2EFnqZUxFZ4
  • richkid
    richkid over 12 years ago in reply to billabott +1
    Thanks alot , thats what i was looking for (^_^)
  • fidelsalinas
    0 fidelsalinas over 12 years ago

    The easiest way in my opinion would be to use a compuers old psu, there a ton of tutorials online on making your own bench power supply.

     

    F/S

    • Cancel
    • Vote Up 0 Vote Down
    • Sign in to reply
    • Verify Answer
    • Cancel
  • billabott
    0 billabott over 12 years ago

    This circuit here is what I believe you are after.

    • Cancel
    • Vote Up +1 Vote Down
    • Sign in to reply
    • Reject Answer
    • Cancel
  • Former Member
    0 Former Member over 12 years ago

    Here are the some tutorials for AC to DC powe supply with constant and variable DC supply.

     

    http://www.youtube.com/watch?v=BZmn_HKPx7Y

     

    http://www.youtube.com/watch?v=2EFnqZUxFZ4

    • Cancel
    • Vote Up +1 Vote Down
    • Sign in to reply
    • Verify Answer
    • Cancel
  • billabott
    0 billabott over 12 years ago

    Would you believe a 4mm Stackable Type Banana Plug Red for just $0.16 each plus $0.04 S&H in small lots? 

    • Cancel
    • Vote Up 0 Vote Down
    • Sign in to reply
    • Verify Answer
    • Cancel
  • richkid
    0 richkid over 12 years ago in reply to billabott

    Thanks alot , thats what i was looking for (^_^)

    • Cancel
    • Vote Up +1 Vote Down
    • Sign in to reply
    • Verify Answer
    • Cancel
  • Former Member
    0 Former Member over 12 years ago

    Im currently working on an ATX power supply. Just solder the Green (POWER_ON) with the Black (GND) together. That allowes the power supply to turn itself on.

    Then bind the colours to each other. Then add a binding post. It will result in a power supply with 12V, 5V, 3,3V,-12V,3,3 SENSE, -5V (old powersupplies)

    • Cancel
    • Vote Up 0 Vote Down
    • Sign in to reply
    • Verify Answer
    • Cancel
  • Former Member
    0 Former Member over 12 years ago

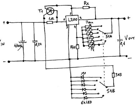
    here's sch I have made a good lab power supplaj has overheat protection and short circuit protection is not so difficult to make searching the help of a more experienced but you will not regret it instead of the six trimmer potentiometer can insert one by which you regulate the voltage from minimum to maximum or simply adjust the trimmer first five-set trimmer on a particular volatažu 1.5 V, 2V, 3V, 6V, etc. and instead put the last trimmer potentiometer tuned to the desired voltage...image

    • Cancel
    • Vote Up 0 Vote Down
    • Sign in to reply
    • Verify Answer
    • Cancel
  • ChuckMcM
    0 ChuckMcM over 12 years ago in reply to billabott

    Just sort of FYI, that particular circuit the LM338K is a) only good to a maximum of 5A (original question is for 6A), and b) when the regulator is in linear mode its good for about 2A at 24V. That said, if you're willing to build a load bypass circuit you can make a 10A powersupply with this unit see the datasheet http://datasheet.octopart.com/LM338K-STMicroelectronics-datasheet-5316166.pdf for a typical example. In all cases building a 150W linear supply will be roughly 66 - 75% efficient so you're going to be throwing off anywhere from 40 to 50W of excess heat.

     

    Consider building a switching supply or buying a pre-made one.

    • Cancel
    • Vote Up 0 Vote Down
    • Sign in to reply
    • Verify Answer
    • Cancel
  • Former Member
    0 Former Member over 12 years ago

    in this post where I posted the schedule for Power supplay rx reszistor to determine how many amps in the catalog for the L-200 has a formula for calculating how many amps do to limit the output and can bind several tranzistors pass transistor to distribution of power

    • Cancel
    • Vote Up 0 Vote Down
    • Sign in to reply
    • Verify Answer
    • Cancel
  • Former Member
    0 Former Member over 12 years ago in reply to Former Member

    I refer you to Page 2 of the attached pdf data sheets and Figure 1, where (if you magnify it you will see the answer to your question regarding calculating resistor values for current limiting and voltage regulating. Figure 21 on page 7 for s/c current limiting. V5-2 is the voltage between pins 5 and 2 of L200, set at 4.5A in the example, Rsc=0.1ohm. Vref is the voltage at Pin 4 of the IC. I had difficulty in understanding the question.

    Attachments:
    imageL200IC.pdf
    • Cancel
    • Vote Up 0 Vote Down
    • Sign in to reply
    • Verify Answer
    • Cancel
element14 Community

element14 is the first online community specifically for engineers. Connect with your peers and get expert answers to your questions.

  • Members
  • Learn
  • Technologies
  • Challenges & Projects
  • Products
  • Store
  • About Us
  • Feedback & Support
  • FAQs
  • Terms of Use
  • Privacy Policy
  • Legal and Copyright Notices
  • Sitemap
  • Cookies

An Avnet Company © 2025 Premier Farnell Limited. All Rights Reserved.

Premier Farnell Ltd, registered in England and Wales (no 00876412), registered office: Farnell House, Forge Lane, Leeds LS12 2NE.

ICP 备案号 10220084.

Follow element14

  • X
  • Facebook
  • linkedin
  • YouTube