This is a follow-up for my christmas-light project, first referenced in this discussion:
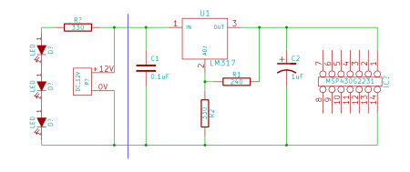
This seems like an even more noobish question, but when I run lights on 12 volts and a microcontroller on 3.3 volts through a regulator, can they still use the same ground? My gut feeling (and high school basic knowledge) tells me that there should be some kind of division, to keep current going from 12v towards 3.3v. (the left side towards the right side).
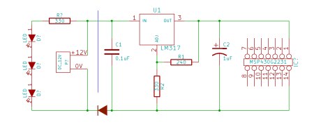
Would it be enough simply to insert a diode at the blue line like so?:
Or is it more complex than that?
I am not sure I am still in the right group, but the structure of Element14 still baffles me

