Aim of the Experiment
This project primarily utilizes inductors for designing a functional prototype of buck-boost regulator. The goal is to utilize the inductor along with dual FETs and other passive components that would alltogether transition the active state of the multi-configurable circuit through pre-set thresholds, this would be accompanied with added functionality of wave generation through the use of an 8/32bit- MCU in the final circuit. The end-device would also be integrated with an embedded 8-Ch. Logic Analyzer for logging the parameters to the PC.
There are many power supplies which are available commercially but making one by yourself is something awesome and dire requirement for this challenge. With our custom made supply one can make conditions to charge your battery packs, or get desired voltages for your projects and much more. So lets do it...
Theory
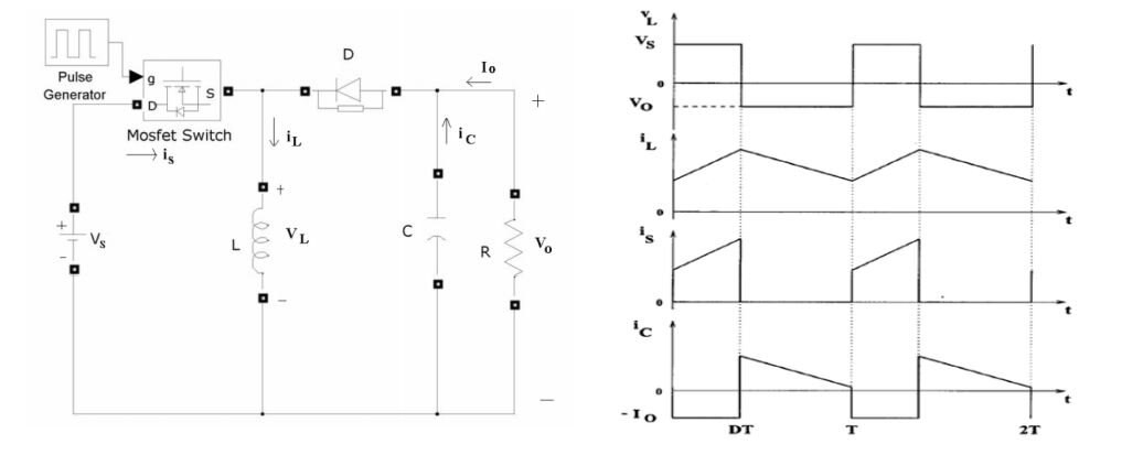
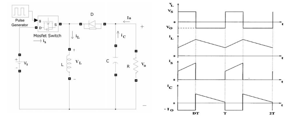
A Buck Boost Converter is a DC-DC regulator which provides an output voltage that may be less than or greater than the input voltage, hence the name “Buck-Boost”. A non-isolated topology of the buck-boost converter is shown below. The converter consists of DC Input voltage source Vs, controlled switch S, inductor L, diode D, filter capacitor C, and load resistance R. With the switch on, the inductor current increases while the diode is maintained off. When the switch is turned off, the diode provides a path for the inductor current. The buck-boost converter waveforms are also depicted. The condition of a zero volt-second product for the inductor in steady state yields; VsDT = - Vo (1-D)T. Hence, the dc voltage transfer function of the buck-boost converter is, Vo/Vs = - D/1-D. So the equation is, Vo = - DVs/1-D.
Block Representation
What I Got in the Kit
A Tenma -72-8155- LCR Meter, along with assorted set of SMD and Radial Inductor Pairs.
While measuring Inductors, I have noticed a slight (minimal) error in the approx. values of the Inductors, the Lx test-point provides much accurate result than that with alligator-ended probe!!!
Design Guidelines
- The boost converter rapidly switches a switch on and off.
- When the switch is closed, it connects an inductor across the input supply while the diode blocks any current from flowing back from the output side.
- The inductor charges up. (Although it seems like shorting a coiled piece of wire across the input should waste a lot of power, the inductor actually stores up the energy in its core.)
- When the switch opens, the inductor resists any change in current (and, shorting it across the supply means it has a lot of current going through it). Since the output side has a much higher resistance than the switch, the inductor has to raise its voltage to keep the current flowing. (Resisting change in current by changing their voltage is the magical property of inductors.)
- The output capacitor charges up from the inductor plus the power supply at the higher voltage.
- When the switch turns on again, the capacitor is charged at the higher voltage and powers the load until the next cycle. Since power is only ever applied to the output side part of the time, there will always be a ripple on the output voltage.
- If the switch is on for a relatively longer time in each cycle (it's duty cycle is higher) then the inductor stores up more energy, resulting in a higher output voltage when the switch turns off. Controlling the duty cycle lets you adjust the voltage.
So much for the principle, how do you turn that into a real circuit?
Below, I've tried to sum up the rules of thumb that I gleaned after reading through various TI documents and searching around...
Inductor
The inductor is the most important part of the circuit.
- It's headline value is its inductance, measured in Henrys. I recommend going for 1.5-2x the calculated value so you have some room.
- The current rating, this needs to be enough to handle the peak current in the inductor.
- The core material, you want one that's suitable for a power inductor. I went for those ferrite core ones that I got from the Kit, marketed as a power inductor.
Switch(FETs)
This is the second most important piece of the circuit, and where I made a mistake first time around. A MOSFET is a good choice because it's easy to drive with a microcontroller. You need to look out for:
- Rds(on) This is crucial, it's the resistance of the switch when it's turned on. My first attempt was scuppered by having a too-high value here. <10mOhm is ideal. If this is too high then the inductor won't be able to draw enough current and you'll waste power in the switch.
- The Vgs(th) value, this is the voltage you have to apply to the gate of the transistor to turn it on. If you're using a 5V microcontroller, this needs to be 1-2V.
- Vds(max), this is the maximum voltage the transistor can handle, go for the output voltage plus some safety margin.
- Ids(max), the maximum current that the switch can handle. This needs to be bigger than the peak current.
Capacitors
I found that, powering our circuit, I needed a much bigger output cap than assumed.
- The capacitors in the output stage needs to have a low ESR value for efficiency.
On the input side, I used the same setup. Getting the almost exact values of the Cap from LCR-meter was the real rescue.Thanks Element14 and our sponsors.
Diode
The diode is fairly easy, just go for a Schottky diode that can handle the average current and has a low forward voltage (450mV seems to be the limit for non-exotic parts).
Microcontroller
I went for an 8-bit ATMEGA328P because it's available in through-hole DIP packaging, it's not too big and the AVR GCC toolchain is pretty good. I have used classic Arduino IDE to develop the PWM code for driving the FETs.
...So far, for Blog#1; the next blog would be presented with our custom built PCB for our proposed design!


Top Comments