Introduction
A boost converter (step-up converter) is a power converter with an output DC voltage greater than its input DC voltage. It is a class of switching mode power supply (SMPS) containing at least two semi-conductors switches and at one energy storage element. Filter with a capacitor is sometimes added to the output of the converter to reduce output voltage ripple. A boost dc-dc converter is also called a step-up converter since it “steps up” the input voltage. As power (P = VI) must be unspoiled, the output current is lower than the source current.
The dc-dc boost converter (BC) is one of the basic power electronics converters, which is serving the purpose to step up the voltage from lower level to higher level. In a solar PV system, a very high gain conversion ratio may require in case of a big reduction of PV output voltage due to partial shading. However, the conventional BC fails to achieve these goals due to poor dynamic performances and the presence of higher ripple in source current and in output voltage. To eliminate some of these problems, BCs are frequently connected in parallel. When connected in parallel dc converter often called Interleaved Boost Converter (IBC).
In high power applications, it is advantageous to use the interleaved connections (parallel connection of multiple switching converters) of two or more boost converters to increase the output power and to reduce the input and output ripple. Interleaved converters also provide higher efficiency at lower complexity rather than multiple cascaded converters. In interleaved boost converters, the effective switching frequency can be doubled which helps to increase the reliability and reduce switching losses. However, interleaved topology improves converter performance at the cost of additional power switching devices and inductors. The leakage inductance of the IBC can increase the diode current stress-causing an extra EMI (Electro-magnetic interference) problem.
Traditional boost converter is not suitable for high-power applications due to high ripple current. Rather interleaved boost converter is suitable for high power application due to lower ripple current. An interleaved boost converter consists of several identical boost converters connected in parallel and controlled by the interleaved method which has the same switching frequency and phase shift. The interleaved boost converter has a lower ripple in input-output current and voltage waveforms. It can operate on a higher switching frequency and thus reduces losses and the overall size of the converter.
Operating principle of Boost Converter
The main principle of a dc-dc boost converter is the inclination of an inductor to repel changes in current through it. When being charged it works as a load and absorbs energy (a bit like a resistor); when starting discharged it works as an energy source (a bit like a battery). The voltage it generates at the time of the discharge cycle is related to the degree of change of current.
Fig: Boost converter schematic
Fig: (a) On-state
Fig: (b) Off-state
The basic operation of a dc-dc boost converter contains of 2 separate states (Figure above):
- For the On-state, the switch S (shown in the figure (a)) is closed, in an increase in the inductor current occurs;
- For the Off-state, the switch is off and the only path provided to inductor current is through the capacitor C, the load R and the flyback diode D. These results in transferring the energy collected during the On-state into the capacitor.
- The input current and inductor current are same which can be seen (in figure (b) Off-State). So it is not discontinuous as it was in the buck converter circuit and the necessities on the input filter are relaxed linked to a buck converter.
Experimenting Boost Converter
An experimental boost converter circuit was made in a trainer board as shown in the following photo.
The components used in the circuit:
1. General purpose switching diode, 3A
2. 330uF, 63V Capacitor
3. Power Transistor, NPN
4. 4.7K Resistor use to control base current of the BJT
5. 20W, 220ohm resistor used as a load
The experiment was performed for different inductor values (e.g. 102uH, 670uH, 1023uH, 10uH).
The following instruments were used:
1. Function generator for generating switching pulse for BJT,
2. Power supply for providing input voltage for the converter
3. Multimeter for measuring the output voltage
4. LCR meter for measuring the inductance
5. Trainer board for placing the components
6. Oscilloscope for observing the input and output waveforms
In the following circuit, a 670uH power inductor was used.
The following image shows a test result for the above experiment. For the input voltage of 5V output voltage was recorded as 11 V for a switching frequency 10KHz at a duty cycle of 50%.
The following setup used 1mH (1023uH as measured) Bourns radial leaded inductor.
The output voltage was recorded as 10.3V for 5V input. This output was found for a switching frequency 10KHz at a duty cycle 52%.
For an input voltage of 10.7V, a 20.1V output was generated when the switching frequency was around 14KHz.
The following setup was made using Bourn 10uH high current choke.
No output voltage amplification was found for any switching frequency. The output voltage is almost same to the input voltage for any frequency and duty cycle.
Interleaved Boost Converter
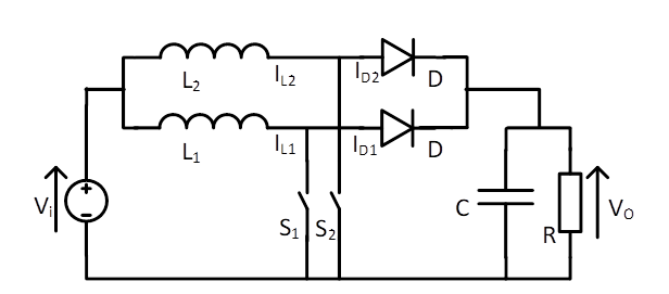
A boost or step-up converter is a power converter that has a higher DC voltage at the output than at the input. Owing to the large ripple content in the current, conventional boost converters are incompatible in applications involving high power. Rather interleaved boost converter is suited for high power application due to lower ripple content in current. Multiple identical step-up converters having the same phase shift and the switching frequency are assembled parallelly to construct an interleaved boost converter. IBC has a lower ripple in input-output current and voltage waveforms. It can operate on a higher switching frequency and thus reduces loss and scale down the converter. The circuit diagram of a two-phase IBC is given in the following figure.
In a two-phase boost converter, a pair of boost converters is kept 180° apart in phase. Current at the input is the summation of the individual inductor current (e.g. IL1 & IL2). Since the converter operates 180° out of phase, each inductor cancels the ripple of the other and thus the total input current ripple is reduced. The interleaved boost converter can be employed in power factor correction circuits, photovoltaic systems, fuel cell systems, etc.
This is an experimental circuit for interleaved boost converter using Bourns Inductors.
Effect of Inductance on IBC
Inductor value has a big impact on the performance, size, and price of the boost converter. Choosing an appropriate inductor for boost converter is very important. With the increase in inductor value parasitic resistance, dc resistance, and cost increase. As the resistance increases and saturation current decreases with the increase in inductance, a large inductor leads to less conversion efficiency.
The smaller inductor has smaller dc resistance, which means smaller dc conducting loss. However, the current ripple becomes larger which causes larger AC loss or core loss.
The inductor is also a determinant of the operating mode of a boost converter. Whether a converter will operate in continuous conduction mode (CCM) or discontinuous conduction mode (DCM) or both will depend on the inductor value. By properly sizing the inductor, unexpected issues may be avoided as well as having a better understanding of which mode or modes in which the boost is operating.
Finding Optimum Inductor Value for IBC
Considering the above advantages and disadvantages of large and small inductance it is clear for best performance an optimum inductor value is required for the dc-dc boost converter. Input current ripple is a very important performance parameter of any boost converter. The lower the input current ripple the better the converter is. This input current ripple depends on the inductance of the boost converter to a great extent. In a paper, the way of calculation of input current ripple for different duty cycles is shown. The figure below shows the profile of the inductor current according to the switching pattern in DCM. The input current ripple can be calculated using the following formulas.
DT means the switching-on time, and DAT indicates that the phase current becomes zero. Using D and DA, the voltage gain of each phase boost converter and the rising and falling slopes of the inductor current can be expressed.
DA is varied according to the switching frequency fs (1/T), the inductance L, the duty ratio, and the output current of each phase io/N. DA is expressed as:
Because DA is determined by several factors, the analysis of the input current in a DCM operation becomes very complicated. Figure below (a) and (b) show the phase inductor current and input current according to the switching pattern in CCM and DCM of a 3-phase IBC. For CCM, the input current has two slopes, one rising and one falling. The input current of the IBC in CCM is easily analyzed. However, the slope of the phase current in DCM can be one rising and two falling slopes, or two rising and one falling slopes, which makes the analysis difficult. In order to analyze the input current, D, DA, and the rising and falling slopes are selected as the analysis criteria.
Using the above current ripple equation the inductor value for different duty ratios can be calculated using the following formulas.
a. For duty ratio D from 0 – 1/3 inductor value can be calculated as:
Where L is the required inductor, T is the time period, i0 is the input current ripple.
b. For duty ratio D from 1/3 – 2/3 inductor value can be calculated as:
c. For duty ratio D from 2/3 – 1 inductor value can be calculated as:
From the figure above a clear relationship between an input voltage and input, current ripple can be found. It is depicted that for a specific inductor, the input current ripple is different at different input voltages. Every inductor has a minimum input current ripple for a specific input voltage and it increases for increasing or decreasing of the input voltage. So, from the above graph, we can conclude that an IBC can generate minimum current ripple for a specific input voltage only. So for minimum input ripple, an IBC required different inductance at different input voltages and this is not possible to implement practically.
To make it practical Dong-Hee Kim and G. Choe find an optimized value of the inductor for an input voltage range which is shown in the figure above using the solid blue line. From a careful look at the graph, it can be found that actually infinite inductor value is not required for a range of input voltage to keep input current ripple at a minimum. Only three different inductors are required to do the job. Three separate inductor values for three different range of duty ratio are given in the following table. If only one inductor is chosen for the converter then the optimum inductor for the conductor is 81uH.
Input Voltage Range | Output Voltage | Duty Ratio | Switching Frequency | Inductance | Capacitance |
60 V to 51 V | 90 V | 0 to 1/3 | 20 KHz | 100 uH | 940 uF |
51 V to 42 V | 1/3 to 2/3 | 75 uH | |||
42 V to 33 V | 2/3 to 1 | 65 uH |
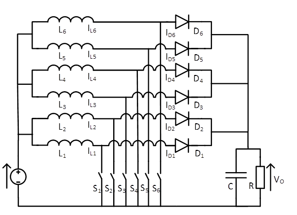
So, a more efficient IBC can be developed using three separate inductors in the case of one optimized inductor. Considering the above fact following new topology for interleaved boost converter can be used.
In the converter, three separate branches are included containing different inductors in each branch and automatic switching occurred in different branches based on the input voltage. For generating the required switching pulse PWM technique will be used and a control algorithm will be required to maintain the sequence.
For the edge of illustration, a time-varying input voltage was chosen. For zero to 4 seconds the input voltage is 45V. According to the table above the most suitable inductor for this input voltage is 75uH. So, the controller will activate 75uH inductor brunch and corresponding switches are S3 and S4. Generated pulse for S3 and S4 are shown in figure above. The duty cycle is also calculated by the controller and also depends on the input voltage. For 4 to 8 seconds the input voltage is 35 volts. As per the calculated inductance 65uH is the optimum inductor for this voltage. The controller activates 65uH branch automatically and the timing pulse for switch S1 and S2 are given in the figure.
Matlab Simulink Simulation Result
Practical Implementation
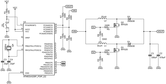
From figure 3.7 it is clear that if one inductor is used for an IBC when input voltage is form 30 volts to 70 volts then 81uH is the optimum inductor which provides minimum ripple in input current. Using that value a practical circuit was made and the output voltage, input current and inductors currents was observed. The circuit was made using ferrite core power inductor, and IRF520 mosfets. The controller was designed using Arduino microcontroller environment. IRF520 mosfet is Arduino compatible and no mosfet driver is required for this circuit. Input and Output voltage was measured using Arduino analog pin. Arduino supports 10 bit analog to digital converter with is enough accurate for this application. For generating switching pulse with exact duty cycle for producing stable output voltage PID controller was used. Figure 4.21 represents the circuit diagram of the converter. The circuit was design in Eagle CAD.
The Arduino microcontroller was operated from a 16MHz external microcontroller. The switching frequency chosen for the converter was 15KHz and two Arduino digital pins were used for a generation the switching pulse. The output from a digital oscilloscope is presented here. Figure 4.22 shows the practical setup of the converter circuit. Arduino Nano was used in the practical circuit.






































