Hi All,
In the previous blog3 i have explained about interfacing of the H-bridge shield board with XMC2000 Kit to drive DC Motor. In this blog we going to
interface the infineon High Switches (PROFET+2_12V SHIELD)
The High current Profit boards have 4 high side Outputs which is capable of driving 20A current. Datasheet is here
In my case I have stacked this shield on top of the TLE94112L shield. the setup looks like below
Control the Outputs:
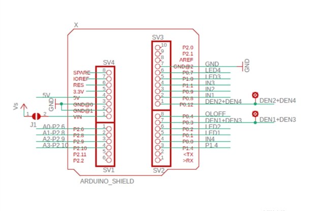
Its very simple to control the OUT of BTS7002 by setting high (3.3v) on the IN Pin. In my case i have choosed
IN1 & IN4 to control the OU1 and OUT4.
Schematic:
configured the XMC4200 Pins P0_11 & P2_2 as output
XMC_GPIO_Init(LOAD_IN4,&config); XMC_GPIO_Init(LOAD_IN1,&config);
and toggle the pin inside the SysTick Handler
XMC_GPIO_ToggleOutput(LED1);
XMC_GPIO_ToggleOutput(LOAD_IN4);
XMC_GPIO_ToggleOutput(LOAD_IN1);
Make sure that BAT+ is supplied with 12V , I have used 12V 7.5Amps solar battery.
I used 12V LED strips/lights as load for my use case. And finally I could control my lights with a high current profit shield.
The working video is here.
In the next blog5 we are going to add wireless connectivity.

