This weeks post will be about my receiver board design. I already published the schematic a few weeks ago, as I wanted to make it available as soon as possible, just in case someone else could use it. But now I want to elaborate a little bit on the decisions I had to make for the receiver.
I have very closely based my design on the evaluation board receiver. There are different reasons for it: The first is to start with design that is known to work. This will help troubleshoot problems while assembling and testing these first units. The second reason is the required tuning of the resonant capacitors. In order to properly do it we have to measure the coils inductance at 100kHz and 1Vrms to then calculate with these values the capacitors. I don’t have a LCR meter, and the ones with these characteristics are quite expensive. So it’s best to stay close to the EVM values and coils, at least at first.
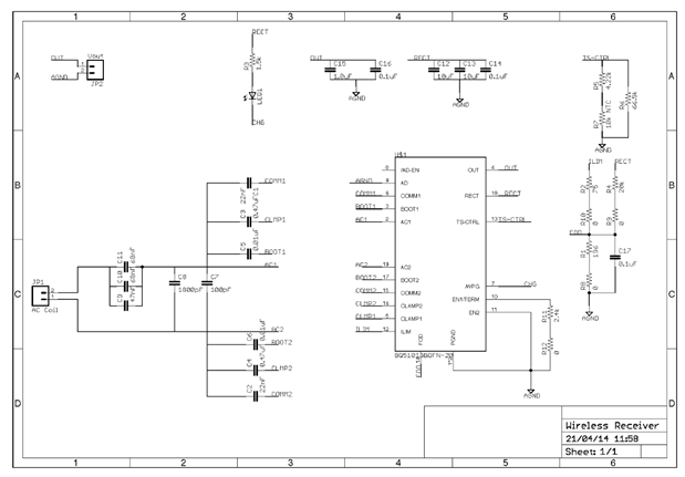
My goal is to achieve a waterproof enclosure. Because of it there will be no external power adaptor. In this way we reduce the necessary openings in the enclosure to none. All the corresponding circuitry from the evaluation board has been removed.
The temperature NTC resistor values were also taken from the bq51013B datasheet. A low temperature threshold of -10ºC on the low side and a value of 100 ºC on the high side seemed reasonable.
Another important adjustment is the current limit of the chip. I want to be able to get the maximum current of 1.0A out, so the corresponding resistor has been set to 75Ohm.
The chip also has different operating modes that can be selected by pulling high or low the EN1 and EN2 pins. The following table from the data sheet summarizes the possible combinations. In our case both are tied to ground.
So now I have a wireless power receiver. But for my waterproofing application I need not only a power receiver, but also a way to store the energy. This will be done with a Lipo battery. As mentioned by mcb1 these batteries are quite sensitive to overvoltage and wrong charging. Therefore I need a Lipo battery charger. The bq51050B has essentially the same pins as the 51013B (the only difference is that OUT is called BAT and EN1 is called TERM, all the other pins are the same) and additional components, but includes a Li-Ion charger in the IC. This chip just seems perfect for my application. After having a look at the evaluation board for the bq51050B and noticing that it’s essentially the same as the one of the bq51013B I decided to make a PCB that could be used with both ICs. In this way I won’t need to order separate PCBs, which will save me some money, and the additional board area will be small. Depending on which IC gets mounted, some components will be left unpopulated, while others may be substituted with 0 Ohm resistors.
The only components I had to add to make the board compatible with both IC were two resistors between TERM (EN1 at the bq51013B) and GND. These will determine when charging will be completed. I selected a value of 2400 Ohm, which means loading will finish when current gets below 10% of the maximal value, in my case 1A.
I have also added a couple of 0 Ohm resistors in series with FOD, ILIM, TERM and RECT resistors (R8,R9,R10,R12) in order to be able to add a second one in case I needed to change the resistor values to non standard ones afterwards. I got this suggestion at the TI Wireless Power Forum. (http://e2e.ti.com/support/power_management/wireless_power/f/693/t/333462.aspx)
I now finally have a complete receiver design!
Here is the BOM
Qty | Value | Device | Package | Parts | Description | Farnell Code |
1 |
| LED0603 | 0603 | LED1 | LEDs | 1465991 |
2 |
| CAP | 0603 | C5, C6 | Capacitor | 1817916 |
3 |
| CAP | 0603 | C14, C16, C17 | Capacitor | 2146610 |
2 |
| CAP | 0603 | C3, C4 | Capacitor | 2354077 |
1 |
| CAP | 0805 | C15 | Capacitor | 1833815 |
1 |
| RESISTOR | 0402 | R3 | Resistor | 2072645 |
1 | 100pF | CAP | 0603 | C7 | Capacitor | 1344349 |
1 | 10k NTC | RESISTOR | 0402 | R7 | Resistor | 9528067 |
2 | 10uF | CAP | 1206 | C12, C13 | Capacitor | 2394272 |
1 | 1800pF | CAP | 0603 | C8 | Capacitor | 1865530 |
1 | 196 | RESISTOR | 0402 | R1 | Resistor | 1802961 |
1 | 20k | RESISTOR | 0402 | R4 | Resistor | 2072753 |
2 | 22nF | CAP | 0603 | C1, C2 | Capacitor | 1301890 |
1 |
| RESISTOR | 0402 | R5 | Resistor | 2350371 |
1 | 47nF | CAP | 0603 | C9 | Capacitor | 2070428 |
1 |
| RESISTOR | 0402 | R6 | Resistor | 2073198 |
2 | 68nF | CAP | 0603 | C10, C11 | Capacitor | 1414650 |
1 | 75 | RESISTOR | 0402 | R2 | Resistor | 2073246 |
1 | AC Coil | LONGPADS | LONGPADS | JP1 |
| 2114372 |
1 | BQ51013 | BQ51013B | QFN-N20 | U1 |
|
|
1 | Vout | LONGPADS | LONGPADS | JP2 | Header 2 |
|
4 | 0 | RESISTOR | 0402 | R8, R9, R10, R12 | Resistor | 2072513 |
1 |
| RESISTOR | 0402 | R11 | Resistor | 1358052 |
The schematic:
And PCB layout:
<html><head><title>Jive SBS</title></head>
<body><font face="arial,helvetica,sans-serif">
<b>Error</b><br><font size="-1">
An general error occurred while processing your request.
</font></font></body></html>
As always: Comments and suggestions are welcome. Once I send the design to the fab it will be too late!
EDIT: I have updated the files. I have corrected some smaller issues I noticed while assembling the first units


Top Comments