It has been a while since my last post, and I’m very sorry for it, but a new project where I’m getting involved is absorbing all my time.
Nevertheless during this time all my ordered components have arrived and I will start assembling the receiver board next week.
This week I’m going to write a little bit about my battery voltage regulator setup.
All my new projects (or most of them) work at 3.3V. This is nice because they draw less current then at 5V, I don’t need level converters to interface new sensors that only work with 3.3V etc. But when I started looking at battery powering one of these projects with a Li-Po battery I quickly realized that my traditional voltage conversion with a linear regulator approach would not work. The voltage of a Li-Po can range from 2.8 when unloaded to 3.7 when loaded. These numbers vary depending where you look them up, but the important fact here is that the voltage is both above and below my desired 3.3V.
One possible solution to this problem is called a Buck-Boost converter. These converters act like a buck converter when the input voltage is above the desired output one, and switch to boost converter mode if the input voltage drops below the output one.
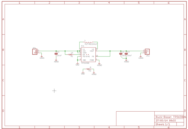
I decided to use TI TPS63001 regulator. It comes in a small QFN package, needs only one inductor and a few capacitors and resistors as additional components.
Here is the boards schematic:
The PCB layout file:
And the BOM:
Quantity | RefDes | Value | DESCRIPTION | SIZE |
1 | L1 |
| Inductor |
|
3 | C1,C2,C3 | 10uF | Capacitor, Ceramic, 25V, X5R, 10% | 1206 |
3 | R1 | 1MOhm | Resistor | 0603 |
Finally, here is the assembled circuit (I still have to improve my reflow soldering skills, as the board looks quite dirty!)
The circuit works nicely and will be attached to the battery, so I can now get my desired 3.3V!


