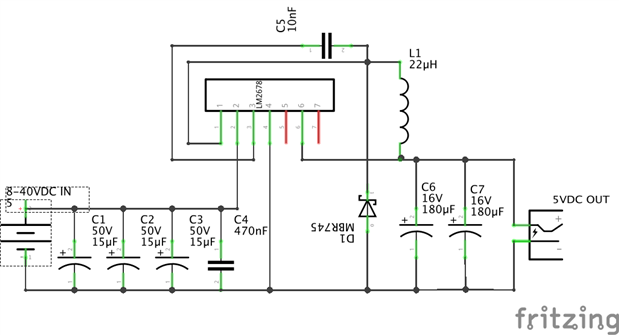
When you're building a project that has multiple modules with different voltage requirements, you may need to build a 5V buck converter. This video walks through the process to build a converter that will take up to 40V input down to 5V at up to 5A, and you can get the schematic as well as the necessary parts in the show notes below!
PARTS/TOOLS:
https://www.newark.com/tdk/slf10145t-220m1r9-pf/power-line-ind-22uh-1-9a-20/dp/90R0605
https://www.newark.com/nichicon/upw1c181med1td/aluminum-electrolytic-capacitor/dp/65R3976
https://www.newark.com/vishay/vs-6tq045s-m3/schottky-rectifier-45v-6a-to-263ab/dp/68AC5624
https://www.newark.com/vishay/k474z20y5vf5th5/ceramic-capacitor-0-47uf-50v-y5v/dp/27X7721
https://www.newark.com/vishay/d103z25z5vf63l6r/ceramic-capacitor-0-01uf-50v-z5v/dp/80K9840
https://www.newark.com/panasonic/eea-ga1h150/aluminum-electrolytic-capacitor/dp/83T6876
https://www.newark.com/texas-instruments/lm2678s-5-0-nopb/step-down-regulator-to-263-7/dp/41K4192

