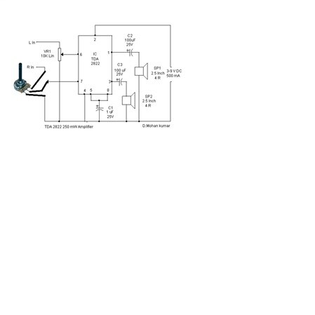
I was wondering if it was possible for me to make a circuit which would amplify a stereo audio signal for use with small speakers using a 5v current... I have a couple of speakers, a spare TDA2822 chip and I have access to other basic resources... I found a diagram (attached) except I don't know what the symbols and notation such as "C1 - 1uF" and "VR1 - 10K Lin" mean... Could you help me???

