I was tempted not to post this project because it didn't turn out how I wanted. So what changed my mind? I was reading some older posts and one of the community veterans had commented that projects don't always turn out right. Yup. So I'll share what I learned along the way and maybe someone else will build the better mouse trap - or dog yap trap and I can sleep past 6am on a Saturday.
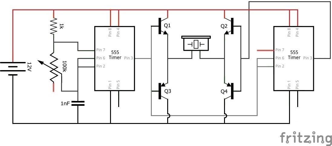
Like many a tinkerer, the 555 has a special place in my heart. It's one of those MacGyver chips that seems to have endless uses. Okay, not endless - but A LOT. When I saw a 555 H-Bridge Push-Pull dog deterrent circuit, I had to try it. The original circuit used BD679 and BD680 Darlington transistors. I ordered some from China but... I may see them in April. Maybe. I substituted TIP41's and TIP42's because I could get them.
Schematic corrected March 12, 2020.
For a speaker, I chose some cheap piezo horns and modified one. I removed the horn and adapted a 1" PVC coupler in its place. The plan is to connect a 24" barrel and make the sound as directional as possible.
Since 30kHz is outside of the human hearing band, one of the piezo speakers was to be used as a receiver to test the output. A multimeter connected to the receiver piezo does respond to varying sound levels. Since I was going for an elevated output... I was okay with the test system not being all that sensitive.
So... I breadboarded the circuit and this is what it sounded like...
Needless to say, this was not what I expected. I played with the potentiometer initially - until I noticed the smell of wires getting really, really warm. I'm not audio expert, but I'm going to say that buzz is that the speaker can't respond to whats going into it. Playing with the potentiometer didn't seem to affect the output sound.
I let the circuit cool and played with it a bit more. The output frequency is not stable at all and pretty much runs away (escalates) as the transistors get hot. I could heat sink them, but I don't have faith that it will change much.
So I tried to go a different direction. I connected a standard 555 circuit up and connected it to the piezo. My Fluke says that it starts at 29.3kHz and climbs slowly. The major issue? I can hear it.
I shouldn't be able to hear it.
Thanks to the timely arrival of my new tool, I was able to grab this screen shot. Thank you again to element14 and the judges.
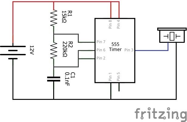
This also allowed me to check my original circuit. I substituted the trigger circuit from the simple 555 circuit in for the original 1k / 100k circuit.
While I was expecting the amplitude, I wasn't expecting the frequency. Time to heat sink the TIPs and slow the initial 555 by a factor of 10.
Yup. Heat sinks didn't really change anything. How can the transistors get that hot that quickly with only a 2 amp power supply?
I have rebuilt the circuit for 20kHz, 15kHz, 10kHz and 3kHz a couple of times each with inconsistent output results. Why? Well...
1. One of the things I discovered was that my wall wart makes noise - enough on the last build that with one power lead (either one) disconnected I was still getting audible output on the piezo. I measured about 5mV peak to peak at an unstable 210kHz-ish. At the piezo, it was a clear 60.0Hz. A filter cap on the power input didn't clean it up.
2. On the original circuit, Pin 5 on the 555's floated. I could get variations in output frequency just by getting a finger or wire near the pin. A 100pF capacitor acted more like an antenna than anything else. A 1nF capacitor tying the pin to ground made the 555 output consistent.
3. Maybe it was the breadboard, but the wave forms became more distorted the more times I rebuild the circuit. The hiss from the video was always present. I did go back to the single 555 output just to make sure that I hadn't damaged the piezo. I didn't beak it - but I could also still hear it at 33kHz. That ain't right.
4. A few times, I did get input frequency as output frequency so the concept is functional. I never saw another smooth waveform like in the picture above. More often, I saw rail to rail with a leading spike - and lots of harmonics.
I'm going to call this one BUSTED. I do believe that the switching noise from the power supply created some of the hiss. If ultrasonic was happening, it didn't matter because the audible noise was also present. I guess I'll keep looking for a better dog yap trap.







Top Comments