I would like to present a simple headphone amplifier based on PCC88 tubes. This construction was made a around a year ago. This amplifier gives a very fun from listening of music.
Main construction based on the White's cathode follower. Here is schematic of this part:
Here you could find more information about White's follower with equations for e.g. gain: http://www.tubecad.com/october99/page4.html
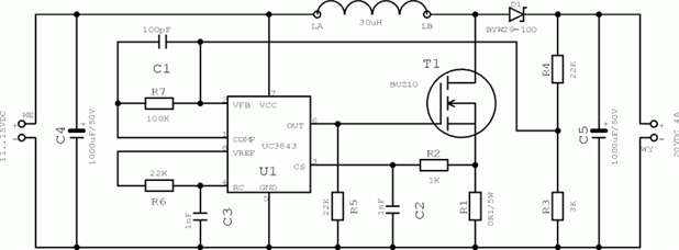
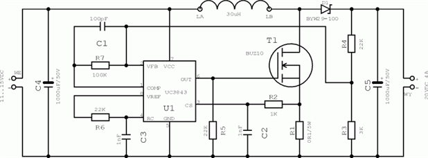
As power supply I have used a boost converter which gives around 180V with 40 mA of current. Here is schematic of boost converter:
Values of elements:
R1 = 0.47 Ω
R3 = 10 kΩ
R4 = 681 kΩ
L = 1mH
T1 = IRF840
D1 = BYV29-500
C5 = 470uF + 100nF
Case was made from old box for transformer which was polished.
Here is short video presentation:




Top Comments