oliverschalles 24.07.2018 16:05
Project 'GiraSol' - Oliver Schalles
Calle Calvario 15
04288 Bédar / Almeria
Spain
0034 664025031
**********************************
11th. Update,  from 10. 2. 2020 @ 19:21
 
A real help  from a  friend: 
An Electronic Device  Producer  offered  me  samples  from a highly  precisely Lux 'meter  -  basically  a  one  pixel  camera with programmable  exposure  time  and aperture' ...   and all to talk over  the  I2C bus   ( VEML 6030 )
Here I  won in the  contest  for  sun energy  collecting things'- the possibility to choose  from ' precise  electronics and  stumbled over the VEML 7700, a  precise luxmeter - but as I  found out  all devices  have the same  I2C address ( to communicate  with  it) - so  the need to find out a possibility to manipulate  them , to be  able to talk  with one of them 4 - so I asked by  email the Producer, if there  any  posibilities' exist, to switch them devices - with the same  address ?? .. 
for  a  single  device of it (VEML7700)  a adafruit library with  an example  program for Arduino, exists. so far  so good . 
an hour later I got a  response - "yes, it is true -  you, one cannot readout' individual - devices  with the  same  address,  on the  same  bus ...!"
became  interrupted  -   so  next  time  more  to it... 
now:
11.2.2020. 
so . what  to do ?  browsing around  and  found  some ideas  -  I2c  switching  devices - switching the  sda lines,   cutting off the vdd to the  devices ...  wow . 
and  but  - they   put me on a  different path:  the  VEML 6030 -  a similar  device  to the  7700, but has  additional pins: interrupt  and :  Address'assign! 
when that  pin is  tied to gound - you have  a certain -  fixed adress ( 0x10 )  - and when that pin is  tied  to Vdd - than the address  changes  to  0x48.. !
wow . so one  could  communicate  with 2  devices - addressing theirs individual  address - ok ,
but  still the  need of 4 devices -  west, east, horizont  and  zenith  - so again,  switching ?? 
not so  good . 
browsing  again, until I found in a Arduino Forum: https://forum.arduino.cc/index.php?topic=466617.0    THAT idea: 
to explain I need to upload  a fast drawn schematic :  
the sensors:  # 1, 2, 3, 4  are  connected  paralell, I2C Bus - sda  & scl, and the power to each device - 
and  the  adress input pin of each device is  connected to the  out of the  decoder or  the GPIO pin of the  arduino_  - : when switched high' the address of the device ' switches over to   0x48,  and  the arduino can address / comunicate /  read out ' the  datas.. 
when that line is  low, (0Volts ) it has  a different address in that array - and  just not listening to', 
  when  the  arduino wants  to talk  to someone  who listen to 0x48,  ( like  a telephone  number(!) ) .
.. the  genial thing is: 
 - for every  I2C device RTC clock, a Oled  Display ;  here, the  light sensores, and its unique features  -  to program' it, has to have a different, unique Library   (in where  is  written the different addresses, often ! )   2  adresses ?   - two libs !!   ( it adds up more  bytes to store in the final program, that sports the arduino... )
- here we just need to communicate with only one  device  at a time  -  and so it will work  to support / communicate with a device that listens  to 0x40 - 
- and that will be - all of them 4, here,   (or  10 - if  you 'want') so: when selected, by an high signal from the  arduino  ( by a GPIO Port ) ,  
THAT device  will be  able  communicate with the Arduino. 
so  only  one lib, only one  program that  has to run 4 times,  after addressing the sleeping (better said  listening to an other address ) device - to establish communication - to stet the parameters  and  to read out,  than switching to other device _ high to the address pin - and  the  same thing over again. .... 
I could   use  4  digital out pins  of the arduino - but  for  why - when I can have 2 ? 
, just need to - bin'code - the two out lines and a decoding  device  2:4 ( 74'138 ) : it's  out's are connected to the device address pins (after a 5 to 3.3 volt  shift..)  as above in the schematic .. <
 for  why  that all ? 
I  build up a Photo'diode / tansistor  Array - to get ' infos  about where  at the  sky is brightest  point ? - to track the sun.. yes. 
so at fist again a schematic form that array  -  a note  from my  analoge notebook,  a photo from it : 
as  we  can see  -  we have  4  PD,  and  a center one  - the  center is intended  to  just  measure  the amount of overall light_   to detect   the   night / day  difference - 
  while the 2  pairs, crosswise  - for to detect  the  rotation of the sun -  from east to west over the  day  -  and  the elevation angle  from  morning - horizont  to   noon,  at zenith  and  back to  horizont,  at evening.. 
so them 2 pairs  deliver ots  analoge  signals  to the  arduino, which detcts the  amount of light  form each, calculate the / a difference  from a  pair ( rotation /  elevation) and gives the  diifference, and the direction  to fire the motors  - high difference  - motor(s)  fast, small difference, motor slow,  and - at no difference:  motor  stop - the mirror is alligned... 
Ideas  and  Praxis : 
first tests, connecting, test on stability  and sensivity: ( i experimented  quite  a while  to find out  the values  to the correct resistors  and  capacities' .. )
        
    
    
	
	
	
	
   
by  aproaching the light to one of the PD in the array - one  can see how the indicating LED  responds to it... 
here, the idea  - to ' a  functioning PD Array. :
        
    
    
	
	
	
	
   
and the  final ' aperture: 
now the PD's  are 'coated  with black heat'shrink tube  - to prevent light coming  from aside ... 

And  the pcb, is  coated  with  a laquer  to prevent to 'enter atmospheric  influences to the board... 
        
    
    
	
	
	
	
   
so it will be attached to the parabolic  dish: 
an overview' : 
The 'camara' tilt and pan thing' - is is intended  to 'fine-adjust the 'mechanics  to the  electronics... 
 so, that the focus is  really  there , where the heat collecting element  is   mounted on !!  
 

so back to the ' help from a  friend - 
 Vishay ( I am not  in any'ways ' connectet,  '$$' to them ' )  - 
 but I asked them what to do when some devices , have same  address, blah, blah, 
  and long story  short _ they  sent me  - within  4  days  ( Germany/ Spain ) 
10 samples of their VEML 6030, for free. 
but these  devices'  so to name', are as big as  2 by 2 milimeters , 
and  when one of them  will fall on the  floor  - it will be  for ever lost . 
.. 
 BUT - they  are  super precise, the datas  one  can read out,  will do  make  sense,  and  one' (Arduino  GiraSol Program') can 'work highly  accurate with it: 
to detect: 
Where is the sun ???
"... or use manual soldering method ...!"      ( aiiii ) 
2 by 2 millimeter, each...   mmm . '
think, it  will be a big challenge... 
Ok..   
  
 
Thank  you  for  your  time  to read, for  your interest_ 
Sunny  Greetings  from Bedar', Andalucia. 
Oliver
**********************************
10th. Update, from 5. 2. 2020 @ 15:50:
Some of the secret works behind the 'curtain: 
(optical) Switches, RS Flipflop, Arduino lead to a State-Machine... 
The  'State Machine'  - the model I made  from an  old  cd rom drive - and mounted on the carrier one of the switches - the other one  was already attached to the  frame at the other end'point... the  switches triggers the R or the S input of the  flipflop, so that the out of the FF either has  'high': going to 'west', or 'low': going east, depending on the  direction the  carrier  moves.. 
That model (to get the code for the Arduino, and to see if any obstacles may  occur', BEFORE I  would  let that Program  'sport'  the  real big motor for the  GiraSol... I attached the optical endswitchs to the GiraSol X axis 'recently ', so now, the 'need  for the model... made  some  videos from it :  but I want to start  with the  layout  from the RS FlipFlop, 
(drawn in Eagle, exported the design via Lasertoner'transfer on a real, double sided' pcb, etched, drilled  and 'populized it) -  and - was already  build into the  GiraSol -Box, so I needed to simulate on  a breedboad - the FF, for that State Machine 'model...  
The  Arduino detects the low/ high change on one digital input pin, and drives accordingly to it the 2 PMW out lines' - reversing the - one PWM, the other, to ground  - so the motor  spins with its PWM speed this way or the other (clockwise / anti'clockwise) ...
Directly  after power'up these  RS-FF's goes in a  un'definite state (due to components differencies -  small, but...)
So to prevent the toggel'ing to an indefinite  state - there is this build-in condensator (C1, 100nF) - it takes  a 'bit' longer to get completely charged, so that input  (at pin 6) is  a bit longer torn to ground' - long  enough,  to trigger the RS FF, to a definite  state ...  
Here  two channels in the  design, exactly 1:1  - one  for the X axsis - rotation  and one  for the Y axsis - elevation..  
(in the  final PCB I have 1K to all inputs, the pullup's are 100K,  and the IC is finally a '4093,  a quad CMOS SchmidTrigger NAND..
I do really  like them cmos digital  ic's , for  you can run them, make them work  on  3  to 15 Vcc !)  
 and   - in the JP1  - 1 & 2 are the input pins  for the optical switch signals, and in JP2 you find the out's of the FF..
one of them 2 is  enough to detect  the direction: high or low - (  for the second is  just reversed to the first ) 
so  i decided to  define: logical '1', 5 volts  =  goWest; and logical '0', 0 Volts -  means  goEast...
the CD Rom drive..
the modified drive - endswitch installed:
beedboard FF, motor-driver, while attaching to the model' ..
here   you can see that  'model' running - in the background  the breedboard, on witch I built  the  RS FF (one  channel) 
nice  to see the outs  from the FF indicated by the 2 LED's - which lits according to the direction the slider 'moves ... 
the other switch is a bit hidden under the pcb, for it was  already  installed - I just  used it - as one endswitch..  
        
    
    
	
	
	
	
   
the core part of the state-machine  program :  (azimuth =  rotation -  from  east to West, at daytime ,  and  from west, at  evening, back to East , to the morning start position... ) 
  // read the state of Azimuth input pin:, signal from output of  the RS FF //
  ffAzimuth = digitalRead(ffAzimuthPin);
  if (ffAzimuth == HIGH)                        // if FF Q Azimuth = HIGH => goWest
  {
    goWest();
    // delay(2000);
  }
  else
  {
    while (ffAzimuth == LOW)
    {
      goOst();
      // delay(2000);
    }
  }
}
// --------------------------------
void goWest()
{
  analogWrite(mot_Xb, 0);             // first: Ground
  analogWrite(mot_Xa, speed);
}
// --------------------------------
void goOst()
{
  analogWrite(mot_Xa, 0);               // first: Ground
  analogWrite(mot_Xb, speed);
}
all wired, Arduino Nano Driven:
the setup with the real machine' via the GiraSol Box; motor drivers and optical endswitches..
the rotation axis and one optical switch...
That optical Switch in ' Action: 
        
    
    
	
	
	
	
   
the State  Machine in full action. Program uploaded to Girasol Arduino Nano, executing..  
L'adar ?  
 
        
    
    
	
	
	
	
   
so far  for today ... 
 thank  you  for  your interest, for  your  'patience ... 
greetings to you all -  from beautiful (today, not so sunny)  Andalucia... 
Oliver
**********************************
9th. Update,  from 5. 2. 2020 @ 11:50:
News:
still alive - working on and on secretly ... 
I am sorry  for  so  long  being on silence  - currently buisy to care for  an elderly man, ( 82 ) and that takes  pretty  time ... 
the  dish i wanted to directly  metallize - is  now  covered'  with highly reflective mirror  foil,  and a free'hand test - to the  direct sunlight, was  able  to set a wooden stick on fire  within 3-to 4  seconds when held directly  to the  focus... that, was pretty impressive for me ...  
 
        
    
    
	
	
	
	
   
**********************************
8th. Update, from 23. 11. 2018 @ 17:30:
The optical endswitches...
the End-Switches…
as recognized - the mechanical switches I wanted to use and installed them already one year ago - they start to rust, to oxidize - so a more durable solution was in need.
I googled around in my pile of electronically parts and found - some pair of optical devices:
an infrared diode mounted in opposite to a phototransistor - so the light beam opens the collector-emitter path.. ( so a ‚ positive logic‘ )
But, to toggle the electronic in the Girasol -Electronic Box - it's expecting a signal that goes logic 'low', '0‘, so the signal had to be inverted…
The final 'switch' is to toggle the entrance (an RS Flipflop ) - the active path - an 'open-collector' draws the input to ground, to trigger ..
I need to build 2 pair optical end switches - one pair for the elevation axis, and one pair for the rotation’ ..
first schematic:
The detecting electronic works on breed board:
At right the 'interrupt to the 'light beam device'
The led indicate 2 channels, and one I grabbed by the oszi..
Its a bit lame, but it works perfect for my small issues - and was 25$.. (!!)
You can see, that the logic level changes from high, ( about 4.2 volts, ) to low, about, 0.7.. 0.8 volts..
Its set that one step on the screen represents 2 volts..
Normal ' MHz oscilloscope - one channel, starts at 200$; good ones, with two or even 4 inputs - at _500, digital storage, too, 1000$,
( talking about hi-end, - than open end.. goes up at 6000.. (! )
So that device ' I have is a super cheap one, digital, stores as well, all basic functones available.
And I do not megahertz, just to see if that signal chances, and how ! You can see roughly the power supply, if the power is clean '
And that's basically you need for the hobby
breadboard, one pair:
This little board is the soldered version of the breed board ...
I need 2 of them  - one for rotating east/west and the other for the elevation - horizon/zenith:
When running it shows the state of the optical switches
Green - no interrupt, Red - beam is blocked, (device is at end point..)
the second device,but now with ic socket.
I removed unnecessary pins and left over the 'active pins in the socket' s
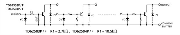
the TD62503 consists of 5 transistors - the base as open 'input, and an open collector 'output, basically -  
and all emitters are connected internally to pin 8..
Only  4 of the transistors I used : the 4 inputs -  and 4 open collectors (200 mA each) - and the common emitter:
connected to :
The yellow/green gives the signal; Red - positive for IR Led, black - commune negative, ground...
So have 2 pairs of detecting boards with the 4 sensors -the return points at east, west, horizon & zenith
When the machine runs 'into'an (optical) switch at its  end'point, it has to stop and do reverse (by the GiraSol - Program ):
these are the detectors, to tell the program and 'it asks - is there, at that pin, connected to Arduino -  a high ( 5 volts,) or low' - logic, = 0 volts ??
The following electronic, directly after, is to store the way (direction where to go ) - a toggle - RS FlipFlop tells', stores the state - if east or west switch is ' triggered, it changes its output state: on its tour to west = high', going to east = low'..
West tour ends' up - at that detector when it runs into, 'triggers‘ the switch, and the prior high signal now goes low ... = now, go east, - until you' hit the other end - the east switch..
The signal cooking, signal shaping' and toggling, does the hardware before the arduino..
The whole action is focused on - if one of them 4 reaches the switch, the toggle action is performed - the toggle line is connected to arduino, and the other toggle signal - as well to the Arduino. One of these signals ( high/ low) triggers the 'Service Interrupt Routine', ( at pin D2/3 )  witch calls a routine, wto look what state that toggle signal has: 
all members in the program is now informed, that the 'goto-west' direction has changed - now it shall 'go east'.
for having 2 motores, all has to be double, so 2 interrupt pins, and 2 toggle signal pins..
So the need of 4 detectors…
***
so far, theoretically …
Next day I found out, that the strange behaviour (sometimes a randomly’ triggering) of one pair I recognized - at test phase with them big' ones, -
was due a mistake I made:
I assumed that the devices were build up similar, consisting just one IR LED and a Phototransistor - but after a check and download the data sheets -
I saw that the bigger ones were completely  ready  - no need for a resistor for the IR LED:
  - no need for a resistor for the IR LED:
just to  connect to  Vcc, Ground  -  and having than, the open collector to use ( iCE  @ 40 mA ) …. 
The 'small' one from sharp is the simple version, diode / photo transistor..  
- the big one has it's electronic' already built-in:
So I needed to skip, simply, just short out' the 350 ohm resistor, to sufficiently power up the device.
The resistor - limited the power, the device needed to run fully: so that strange behaviour is/was 'caused by not sufficient supply voltage..: 

the cables  have  to be  well 'isolated -  not prior against electricity  - but against moisture.. 
to identify: the + pole is the shorter one .. 
now, than: measuring cable' length, attached some jacks, designed the PCB where the two pairs of signals have to go in,
to be shaped and amplified, to go to the GiraSol-Box'
A spiralchord from an telephone gives free movement for the senselevation detectors, of course, they are moving with the mirror, so there the rotation'..
Now, the last 3 days ‚in’ to build a lil board that does, in fact, trigger the switch inputs of the GiraSol-Box,
Had to open the box to see if my cable to them devices having the same color-lines connected throu'..
And that thing, the attempt’ was OK, but did not work to trigger:
So I've had to change the design, and found a even better solution :
now the final’ switch/trigger/contact to the RS FlipFlop - will be done with optocouplers ( its IR Diode in series with the visible LED) The open collector, draws the input 'low, perfect to trigger !!!
It does it’s  work,now,  yesterday evening until this  morning  -  reliable, all states  were fast and well recocnized and super stable': 
Right, bottom, the cable jacked in'to the GiraSol.box...

the 6 wire cable to the output pins have to have a socket’ to the cable to push-in to the jack of the GiraSol Box…:
Red is Vcc ( +5V)
white is ground,
Black - west
Yellow - east
Green - horizont
Blue - zenith
(Lakota colours to the directions)
It works like a charm...
Set & reset, by 2 devices, 4 sensors, - connected to the GiraSol.Box:
A one year task: now ready, done ..
These sensors I found in a big copy machine and had them all in my ‚scrap box‘
2 months ago, the optocoupler I used here (4 in one) came from Farnell, from the price I won on here, on Element14 !! ( Huuuurraaaayyyy !!!!)
So all came together at the right time..
These optical switch devices - now - has to be mount to the real machine..
Next steps lead to new updates… 
warm greetings, despite from pretty fresh and wet weather, now, in Andalucia..
Oliver
**********************************
7th. Update,  from 23. 11. 2018 @ 14:30:
reorganizing the 'blog, for better radar'bility:
now the  updates  are  ordened chononogically: 
actual...
...
...
...
oldest ...
Oliver
**********************************
6th. Update,  from 19. 10. 2018 @ 23:06:
a biig 'Thank You' to the Element14 community :
The resistors and the ic's.. : 
It's just a small part of it, the other electronics I received 4 days later, after choosing from all their components from Farnel
I did not expect them any more - for, due to the high shipping prices, I e'mailed to Tariq - who finally did the order for me, that he should skip the resistors  - 
but as I saw today,  he must have 'ignored' it, and so, the resistors were sent to me..
so  again - Thank  you  so much  
 
Oliver
**********************************
5th Update,  from 17. 10. 2018 @ 20:08:
the cleaning, polishing action, with abrazive whitening toothpaste - and the diy - polisher..
And, the result from today.. ( better as I thought )  - the 'reflectivity' - after1-hour polishing  -
I even could hear the different areas where it was dull while polishing'..
After working on, the sound legalized to other already done areas:
the better, finer, smoother, the better the reflective layer, every fanit scratch, or dullness, one can see, alike magnified on the result.
They say that silver layer one can add-on, thicker, to legalize scratches, but have no experience, practical, until now.. ( as it would behave as a 'filler.. I've to see )
After the polishing action, I sprayed, cleaned at first with tab-water, then with distilled..
of course - with my sprayer ...
The weather was nice, no wind, not too hot or cold and a clear sky, perfect working conditions. 
Hope the weather will be good tomorrow, so I can do the final polish... 
greetings to  you all - from Andalucia - 
Oliver
**********************************
4th Update,  from 16. 10. 2018 @ 22:06:
the working double-spray-on-air-pistol' ...
as I promised I took a 'clip (this  afternoon)  from the  working' pistol' - here water - and a dry wooden board to show. :
        
    
    
	
	
	
	
   
The best - ok, it works like a charm, too - it takes from the two bottles the same amount of liquid (!!!) as intended:
Next step's:
The last two polishing action - a toothpaste which whitens the teeth, abrasive, soft, and the last polish with normal toothpaste - even finer the abrasive,
- for not able to get here cerium dioxide, or titan dioxide as a fine powder, thought about to use talcum powder, but it has different, coarse grains in it.
So thinking about car polish liquid, but that is waxed or has silicone in it, and - looks nice, but as a bonding to the silver layer? Catastrophe. 
Need to remove any faint of silicone than, and that would be more work, and disappointing, for it is not a real polish, but a masking, filling to the fine grooves in the lacquer, the dull, abrazed surface...
So I ended up with toothpaste, for its water-soluble and so for removable from the dish, no fillers, just real fine polishing action...
After the dish is finally polished, I need to clean with all I've in hand, fluoride, from the toothpaste, shall be removed with sulfuric acid - on the surface, after the acid, I'll remove, neutralise
with a strong base, then a water de'tensifier, and distilled water to clean all up...
I can see how the molecules work to each other !! 
the last two days  - a lot of rain, here... 
greetings  from Andalucia  
 
Oliver
***************************************************************
3rd Update,  from 12. 10. 2018:
how to 'mirrorize', to make the dish 'highly' reflective - 
the  need  for  a double-spray-on-air-pisol' - and the DIY build:
................................................................................
At first:
I have to, want wholeheartedly' say a biiig "THANK YOU" to all here, in the community, for the price I won - and for the help I received ...
I could choose the electronics - and all came to my hands - and it felt like having Christmas!
It was  really  thrilling for me   
  
..................................................................................
I will go on with the updates - likewise logical - the last entry, down'under' was:  - how to silverize that dish-  and found out, that I do need a finer mist to spray on. - 
this garden-pump-sprayer - they made too big drops, and the handling was pretty challenging.. (the liquids from each bottle has to be sprayed on, simultaneously ! )  
so I looked for an other, better solution since than. 
My neighbour Christobal lend me his air compressor - with a dust blower pistol, from which I unscrewed the tip -  and looked around in my boxes of material' and ended up with some  connectors and rings  - from the garden hose. The connector, to attach the end of the hose - fitted ' accidentally ' perfect in the pistol: I even could screw it on'- with a ´bit of force, so - it was perfectly tight.
now - I could use the pistol it to fit anything on it!  (a ' female' connector) 
after that 'important step'  - I looked further on - the male connectors to it - found two -  which I could screw-on each other. 
One of it I extended the outlet - with a PVC tubing,  some  8 centimetres - to have the outlet for the air.
My idea - then: letting end fine tubings at the outlet, so the air will take the liquid out and form the spray... 
to add in 2  little tubings from a  venofix butterfly (the med-doctors use them to get a blood sample from off your vein') . 
I just wanted to let them end, in the endpiece...
but how to get them in that housing? 
I drilled  2 little holes on each side of the endpiece - oppositional' than I cut off the needles and pushed the little tubings into the housing - one left, one to the 'right -
and long enough to end up in the nozzel. A drop' of CA glue, tightend the drillings... :
the end-piece: all parts in place:
But, that 'construct' worked - for just around 5 minutes: 
The air stream forced the ends of the fine tubings to vibrate -  and so the ends destroyed themselves by hitting to each other ...
The need to reconstruct  the entire 'end-tip': 
A concrete airflow, a housing for the end of the fine tubings. Form metal. Glued, fixed together - like a pack of three.. :
wow - and again,  hovering the house, was looking in all boxes, cartons. And I found' a radio antenna. The last end part was fine,  but was it thin enough to fit?
tube, red shrinktube, metal tube, the end of the flexible, a toothpic in the lumen' :
Cutting, measuring, recutting, until all the 3 ends were in place - the tubing outlets for the liqids and the air tube. Before glueing the fine flexible tubes, the ends - into the fine metallic tubes, I pushed in the ends, in the lumen a tip of a waxed toothpick - to prevent that any glue would clog up the fine outlet.
airtubing and the 2 liquid dispenser tubings - that tiplet - to get in place:
here in the housing, starts the airtube:
After the ends were fine and cured I added the longer air tube - fixed altogether by shrinktube, some epoxy to the triplet and all at, in' the end of the PVC nozzle...
shrink tube forms the triplet :
a bigger shrink tube all around, to tighten all up and to stabilize. - the shorter tip is the air nozzle (red) :
all in place, ready to connect:
That construct works like a charm. It draws about 1 ml every second to nebulize...   
 
Now,  how to attach the little tubings to the liquid bottles, and a holder for the bottles -  to that pistol ? 
browsing the house, an empty 5-litre demin water canister would do it ':
cutting away the half of it from top to down, cutting away the unused parts -
at top of that construct a big hole to fit on to that pistol, to the garden hose connector... :
into the open syringes I can add some filter material, and they guarantee that the tubings will be well 'supplied, always submerged in the liquid..
the bottleholder, 2 x 0.5 liters:
the center drilled caps with the superflexible liquid-tubings:
after all testing all has to be cleaned, all, the working marks...  yes...  
 
next step - waiting on good weather, to clean the whole dish thoroughly, to give last polish on it, and than, the setup of new  silverize-fluids -
the activator - ( tin chloride );
the silversolution itself (silver ions bound in 'aminoacid-complex')
and the  recductor - (glucose and a vitamin C, organic  acid  )
 )
further above, in the previous update, I posted the more complex receipt to it. 
the tin chloride, the activator,  -  I will spray on with the pump-sprayer.  
and for the reductor and the  silver solution, I will use that new -
Double-Spray-On-AirGun

so long - i ll keep you updated !!
with nice  regards and  greetings  from Andalucia -
Oliver
**********************************
2nd Update: from 23.09.2018 
the history  about  to choose  the dish, and  - how to 'mirrorize', making  it 'highly' reflective:
All them 'parabols' I had im my hands were coated, of course - the one I used here, shown in the video, has a core from aluminium with is massive 'coated' glass fibres X epoxy (structures on the backside) and a fine layer of it on the front..
I wet-sanded the front, with 150, 300, 500, 800, 1000 up to 1.500 - the parabol' was laid up ward, and I filled the parabolic gap with water and some drops of a dishwasher, detergent'
My grinding tool was a 30 cm round tap from a small rubbish bin...and I just followed softly (!!) the form, curve - not to change the geometry...
than the question: which way to use - to make that parabolic area highly reflective?
:
Aluminiumfoil ? , space blankets ( mylarfilm, golden and silver reflective )? adhesive reflective foil? silverize by chemics? wow.
a loot of ways,  one as bad and unpractical, as cutting the foil in stripes, glueing them, step by step, to cover the entire area, (glueing?  - with what? - a glue that contains thinner in order to evaporate to cure'  - how will that solvent go through mylar, a tight foil ?  - no way. , so 2  components epoxy? 
Idea good' (no thinner need to evaporate) - but: 
Wow, what a procedure  - to get the glue on, in a fine coat? You see every irregularity in/of the geometry of reflexion: even the faint layer of epoxy ruined the surface...  
And, additionally  - after a  year, the entire work starts to get dull on the cut edges, and the mylar film 'brittled' loose, and leaving the metallization randomly on the surface: very, very bad. - Frustrating-No-Way. ...
Than, finally, I found a 'patent' to silverize 'ANY surface' as they claim - it made sense to me - and I started to achieve all the stuff I needed for...
Made the liquids, and tried'out - on a glass plate, to see if the chemismus worked - and it did.
The liquids need to be adjusted in concentration, and I found that the pump spray devices (garden center) do spray, work - but the produced drops are too big, so I need finally an air-compressor - for a finer mist ...
The silverizing solution and the reductor liquid has to be sprayed on, simultaneously and while meeting on the surface, it forms pretty immediately a fine reflective silver layer - from 10 µm to ...150 , 200 µm, depending on low long you treat the area.
On the glass plate, I found areas, where the silver layer was tightly bound to the surface - and areas, where I could just wipe the layer off, with my fingertip, but it was not intended to silverize, its intention of the probe was to see if the liquid' work as intended...)
It is highly depending on how clean you (can) work. Every fingertip, every particle, or a faint residue' of oil, grease, fat, will hinder from bonding..
The liquids have to be made with demineralized'- or even distilled water, all rinse-procedures have to be done as well of course- with dest/demin water ...
the 'receipt: liquids to silverize...
Activator, reductor  & silver in solution (light sensitive ! -  so I wrapped the bottles in alufoil...) 
the 3 pumpspraybottles - at the location of the test - outside in the patio:
  (and  it silverize nearly  all, but, a bit nitric acid, diluted -  will swap it all clean again ...  )
  )
overall silver ! - here to remark: at the areas where the activator could reach - there, the layer is very,
very tightly bound - even to ceramic... !
the outcome from the first test, a spray on, some 4 seconds. So the layer is ultra thin and the object has to be highly clean before...
the  3 liquids:
1.: the activator contains stannum, tin ions (tin chloride) that gives any surface the possibility that the silver will have 'starting points -
from where the micro crystals do grow from - to form the metallic, conductive silver layer.
2.: the 'reductor' is based on organic acids, glucose (kind of sugar), and vitamin C
3.: the silver solution -  the main ingredient: Silver as 'nitrate (water soluble) and an organic complexer' (Glycine, Amino'aethanol) that 'carries' the silver-ions.. 
When the reductor and the silver solution meets at the surface - the silver (iones) will be reduced to metallic silver - the reflective layer...  
so far the metallizing actions - when I do spray it on the parabolic  - I let you know from, of course .. 
when once - the reflective layer is applied -
I have to clear it out, even to polish at certain areas - and then there is the need for a final UV protective, clear, fine lacquer coat,
witch the silver protects from atmospheric influences...
Oliver
my facebook
account - if someone wants to contact me there, too,  you are welcome!
https://www.facebook.com/oliver.schalles.9 
**********************************************
1st Update: from 19.09.2018 
the 'new construction to the elevation axis -
the force was so strong
that the old rod nut was
pushed out of its harness... 
wow.  - I was looking for a new possibility to order the entries -  found until now ' nothing -  so I will append the material I do have. 
Today  I  completely  was  able  to renew the elevation 'system: 
the motor, the connection from the motor housing, case to the bear 'ring'housing was wobbling, so I used just a piece
of a wider metallic tube and resined (epoxy) the gap in between the housing of the motor and the bear'ring housing... perfect tight and rigid, now. ( some days ago ) ..
The rod nut, in its housing ' rod-nut-holder' -
a long 'nut, hexagonal, glued in - as well with epoxy. To make it 'fit in - I widened the existing channel, and
dremel'ed in, the hex profile, so
the long nut finally fitted in..
As well some days ago
. 
and  the
todays
' work: the strengthening to the sides, which carry, will hold the rod nut'-holder... (the nearly triangular pieces of metal, with the
bore hole
for the axis) - glued to the
innerside
of the down-under-part of that parabol.. :
Here to see the motor, the rod and the housing of the hex-long-screw-nut', and the triangular strengtheners':
the hex-nut, glued in the holder (epoxy) 

the motor,  the black tube to the  housing,  and the silvery tube-housing of the  bear'ring:
a  shot from below, upwards: motor, rod, hex'housing, attached  to the bottom of the paraboldish; 
      above the motor: the elevation axis.. 
.. about 55 degrees


last year, what's today's left over - from the polishing action ( without the reflective silver layer !)
the laser beam reflects at first spot, to the second, to get reflected to the third. :
(5mW 405nm):
horizont' position - at  evenings and in the mornings.. (we  will see   )
 )
the  coloum cacteea in background are  Trichocerus - terchekki, -peruvianus & -panachoi..  
 
I was totally overwhelmed - that more than 13.8 K visitors had sawn my project. 
  and - I do 'Thank You' for your time - to see, and look and follow, or even comment.. 
A good day,  a good night - wherever you are - hope you are ok,  and  well -
greetings  from Andalucia, con mucho sol -
- Oliver
******************************************************************
My first entry from  24.07.2018 16:05
I am completely new here (joined today) ...
... and  have no idea about the  'what's about',  but I do work on a  'heart' project  - my  'GiraSol' Project, which I wanted to share  with  you : 
its a 'device, consisting of a  reflective parabolic  dish, that collects  sunrays, energy  to a  focus  where a  converter' (copper pipes in where  a fluid  gets  heated  up and  is  lead to an isolated boiler, where the  heart is  given into it, to the usable water - for  a hot shower  or to use to wash up the  dishes  in the kitchen - it even could  be used  to heat up a  floor in the  house... 
the  sunfollwer electronics, Program to calculate  is  made  for an Arduino Nano, it has  8  analogue 'In'put pins : 
5 for them photodiodes, 3 for the temperature from the boiler
2  big motor driver ic's IBT ( h.bridges  for DC' motor's ), to drive by  PWM the rotation motor ( east-west )  and the  elevation motor ( zenith-horizont )
the  sensors are made of 2 pairs of photodiodes, and a centre PD, all in all, 5. 
4 End-switches, to detect the max'mechanical limits  - after 2 Schmit-Trigger RS FlipFlop - polled' to  2 interrupt pins..  ( on D2, D3 @ Nano ) 
The  thermor  has got its own ArduinoUno -  
for the 3  NTC - and the mechanical overtemperature switch
the temperature - coming from the Parabolic Dish, to load the thermor,
the water'temperature 'absolute, in the thermor, and -
the temperature at the out'let - back to the focus, to get reheated there again...
OpAmp followers  and  one comparator, to detect overtemperature, 
a 0.9' Oled Display to show the current temperatures - 
a pushbutton to show up the data on b.press..
I have  a load of photos already posted on Facebook on its  'project page - here: the link to it: 
https://www.facebook.com/Project-GiraSol-1605063979506661/ 
shall i do upload them photos / clips  here too??  and if yes - where to ?  - I definitively need help not to get lost here ...
Greetings  from sunny Bédar, Andalucia, South Spain..
Oliver
first  steps - 2  photodiodes, arduino nano, the  sketch - listed  below - 
the motor  driver, the dc windowlever motor, connected to the rotation axis:
(a rear-axis  from a opel astra, without all them mounted  stuff on it.. ) :
Overview:  in front the  Parabol, in the back, the thermor in which the energy will be stored in'..
a test to  pan, tilt the  system, to see how it responds to different voltages: 
dc motors do reverse the direction of rotation when we do reverse the connections of the dc voltage. 
the speed is pretty  high  with  current, steady 12 V DC - but in work modus',  the  speed is  really, really slow - realized via the  PWM... ' 
PWM: tiny spikes of  12  volts -> very slow motion;  5 ... 10%
longer, wider  spikes: half impulse <>  half delay' - forces to spin faster: 50 %
and real big ones,  long impulses witch nearly flowing to each other:  the motor spins really fast ...  90%:
These impulse and pause times were repeated in nearly 1:1.000, 1:500 seconds interval.. (Arduino et al. ) depends on which pin is  assigned.
the  GiraSol-box - the  Arduino Nano as the core - and two  mighty dc motordriver for the  asxis's:
 
			     
             
				








































Top Comments
- 
	
	
					
				  
 
		
			
											
					dubbie
				
					
		
			
		
			 
 
	
		- 
				Cancel
			
 
 
 
		 		 		
		- 
					
						
						
													Vote Up
						
						+2
													Vote Down
											
				
- 
															
				
- 
											Sign in to reply
									
- 
				More
			
- 
				Cancel
			
 
 
 
 
Comment- 
	
	
					
				  
 
		
			
											
					dubbie
				
					
		
			
		
			 
 
	
		- 
				Cancel
			
 
 
 
		 		 		
		- 
					
						
						
													Vote Up
						
						+2
													Vote Down
											
				
- 
															
				
- 
											Sign in to reply
									
- 
				More
			
- 
				Cancel
			
 
 
 
 
Children