![]() | Enter Your Electronics & Design Project for a chance to win a Grand Prize for Originality, a Tool Set, and a $100 Shopping Cart! | Project14 Home |
| Monthly Themes | ||
| Monthly Theme Poll |
Introduction
PITS is a Pickup Indicator Test System I am developing for use with injection test sets on older electronic analogue designed protection relays. This concept is not original, Omicron have such a product for use with their test set. The unit is very expensive and to my knowledge can only be used on Omicron test sets. Megger do not offer a pickup indicator detector for their test sets.
This version I am building, I intend to make universal so that it will function with both the Omicron and Megger test sets.
Protection Relays
The MIDOS MCGG relay is a standard overcorrect protection relay installed throughout the 1980s and 90s. They are available in a variety of formats from single phase units to a three phase and earth format that I will be demonstrating the PITS with.
It succeeded the old style electromechanical relays such as the Alstom CDG, but is itself now superseded by multifunction digital designs like the Micom series and more lately by numerical multifunction designs like the Multilin series by GE, that are a fully microprocessor design.
Back to the MCGG relay. Each phase and earth fault element are set in exactly the same manner using the column of dip-switches assigned to it. The status of the elements is shown by the bank of LEDs above the dip-switches.
The top eight dip switches define how much current is required for the relay to detect an over-current defined as the pickup current, Is. This is a ratio of the current rating of the relay, this rating will be either 1A or 5A, for my relay it is 1A as stated on the relay nameplate.
The value of the dip-switches is added up and multiplied by the current rating. In my case, the dip-switches add up to 1 (0.1 + 0.1 + 0.8), so Is the pickup current is 1 x 1A, which equals 1A.
The manufacturer permits a +10% tolerance to this pickup level, so the relay would be expected to pickup between 1A and 1.1A. This is indicated by the bottom, green LED for the relevant element to light up, identified as I>Is.
The next three dip-switches, coloured black, define the trip curve for the timing function of the relay. The basic trip curves are defined in the IEC 947 standard, Standard Inverse (SI), Very Inverse (VI), Extremely Inverse (EI) or Long Term Inverse (LTI). The basic trip curve works in conjunction with the six blue dip-switches below them, that defines the time multiple, in terms of Is to be applied to the trip curve.
Alternatively the trip curve dip-switches can be set to a definite time function of 2, 4 or 8 seconds (D2, D4 and D8 respectively). With a definite time function set, the time multiple has no effect.
So my relay is set to 0-1-0 which selects the Extremely Inverse Curve. The time multiple is set to 0.325. So, if I inject 5A into the relay, I can read off the nominal trip time on the Extremely Inverse plot in the graph as about 3.25 seconds. To get the actual operating time, I multiply this by the TMS setting of 0.325. So the relay should trip after 1.09s +/- 9.5% for an EI curve as defined by the manufacturer.
When the input current exceeds the combination of the trip curve and time multiple, the middle LED, t, is lit and a contact is closed on the back of the relay and the feeding breaker is tripped open.
The final lower bank of dip-switches, separated from the upper column, set the instantaneous trip function of the relay. This is set as multiples of Is from 1 to 31, or set to infinity to turn the function off.
If this value is exceeded, then the top LED for the element, INST, is turned on and a separate contact of the relay is closed, that can be used to trip open the feeding breaker. The manufacturer specifies the instantaneous trip as a maximum of 35ms.
On my relay, the instantaneous element is set to 24 (8 + 16). So at 24 times the Is setting of 1A, i.e. 24A, the relay will trip under 35ms.
Injection Testing Concept
An injection test set will inject a chosen current into the input circuit of the element and wait for a trip response coming back from the relay.
The test set then records the current applied and the operating time, so it can be verified that these match the specifications provided by the manufacturer.
Testing the delayed trip and the instantaneous trip times is therefore easy as each of these operate a contact that can be fed into the test set.
As the pickup setting only operates an LED, then I use a manually operated switch to signal to the test set when the relay has picked up and dropped off.
To do this means I have to slow the ramp rate down, to give me time to react and operate the switch. There can also be issues if the switch contacts bounce and the drop-off current is missed, meaning that the test has to be repeated.
This doesn’t affect the testing an individual relay to any great extent, but when faced with a switchboard containing 30 relays, the extra time taken starts to add up.
The intention of PITS, is to detect the operation of the pickup LED and feed it back into the test set. This will remove the possibility of contact bounce from affecting the testing and allow me to speed up the ramp rates to reduce testing time.
PITS Requirements
The design requirements for PITS are as follows;
- Compatible with different manufacturer’s test sets
- High speed operation - less then 100us
- Volt free contact output to test set - up to 24V DC
- Remove contact bounce
- Battery operated
- Interchangeable mounting for LED pickup
1. Making the unit operate form its own source and having a volt free output contact, will make the unit independent of the injection test set so that it can be used on different test sets.
2. Most test sets can time down to 1ms, therefore the unit will need to transfer the LED signal faster than this to ensure that test results are not affected.
3. Setting a test set to detect a volt free contact initiates the test set to source a voltage for the contacts. The default setting for this voltage is 24V DC on the test sets available to me.
4. Instead of using a relay for the output, which would be compatible with multiple voltage levels, but potentially introduce contact bounce, I intend to utilise a MOSFET to provide the output signal.
5. Whilst testing, there is generally mains power available around the switchgear and protection panels. However, at least two sockets are already required, one for the test set and another for the laptop. My preference is for a battery operated unit to reduce the reliance on mains. Initially an18650 cell would be my choice, therefore voltage control and a charging circuit will also be required.
6. MCGG relays have a steel front, therefore mounting of the LED detector should easily be achieved using magnets. Other types of relays have either aluminium of plastic front faces. Therefore, I plan to make the LED detector pluggable to allow it to be swapped out for different mounting arrangements.
Initial Design
Detection of the LED will be achieved by a simple comparator circuit that is triggered by a photodiode mounted infant of the LED on the relay. To mount the photodiode, I have some donut magnets that go around the LEDs, the photodiode can then be mounted onto the back of the magnet using some rubber tap washers.
The initial photodiode used was an S5972 from Hamamatsu. At that point in time, I hadn’t really appreciated that the physical size of a photodiode affected its sensitivity and the diodes differed in the light wavelengths they responded best to.
Using the S5972, I never really achieved stability in the detection circuit. When the resistor network for the comparator was adjusted to achieve a level at which the circuit would detect the green LED, the circuit was so sensitive, it would operate at the normal illumination levels found within switch rooms.
A test with the S5972 against the relay whilst just measuring the photodiode resistance showed the level of instability. Against a green LED, the photodiode was reading around 50MOhms and stayed open circuit on some LEDs. In comparison, the photodiode dropped to between 2.2 and 6.5MOhms when against a red LED.
| {gallery} My Gallery Title |
|---|
Green LED Test |
Red LED Test |
Deciding that this was one of my issues, I swapped to using an SLD-70BG2 photodiode from Silonex and achieved much better results with the resistance tests.
The table below identifies the main specifications of each of the photodiodes.
Parameter | Hamamatsu S5972 | Silonex SLD-70BG2 |
Spectral range | 320 to 1000nm | 400 to 700nm |
Maximum sensitivity | 800nm | 550nm |
Active area | 0.5 sq. mm | 9.8 sq. mm |
Rise time | 2ns | 4us |
Junction capacitance | 3pF | 180pF |
The next issue to overcome was the relatively high resistance across the MOSFET of 780 Ohms when the comparator switched on.
Assistance was provided by Rod to increase the pull down resistor value on the MOSFET to increase the Vgs voltage and cause the MOSFET to conduct more. The IRF510 I had chosen needed a Vgs of 10V to turn it on fully which the comparator circuit could not achieve only operating from a 5V supply.
Switching the resistor up to 980kOhms reduced the on resistance of the MOSFET down to 22Ohms. The binary inputs of test sets are very low burden, so although not quite right, the 22Ohms resistance is adequate for my application.
By this time I had added an LED indication to the circuit to show when the comparator had switched over, as my mounting method of the photodiode obscured the LED on the relay. I attempted to use the opposite output of the comparator chip to do this and managed to break the circuit and stop it from working completely.
Jon came to the rescue identifying that I had connected up the pnp transistor incorrectly, and offered an alternative circuit. With this implemented, the detection circuit was back up and running with the added benefit of the MOSFET resistance now being dropped further to 1.3Ohms.
Many thanks to 14rhb and jc2048 for their assistance, the full discussion can be found at;
https://www.element14.com/community/thread/65315/l/project-pits-problem
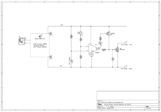
Prototype Circuit
The prototype was built up on veroboard ready to be tested against the relay and test set.
Due to my limited selection of components, some of the resistor values were fudged and are not quite the values stated in the schematic.
Initially, the output to the test set is connected through 4mm safety sockets to take standard test leads and the photodiode is connected to the circuit via a 2.1mm DC power plug and socket.
The circuit is a basic comparator. The reference voltage on pin 2 is set by R2 and R3, with RV1 providing an element of adjustment, although with the current setup, this is no longer required.
R1 provides the pull up for the photodiode, so that pin 3 is at 5V when the photodiode is off. When the photodiode detects light, its resistance drops and the voltage at pin 3 of the comparator goes below pin 2 and turns the output on.
The output of the comparator drives the gate voltage for the MOSFET. On advice, R5 value has been raised tp give a higher gate voltage to the MOSFET.
The opposite output of the comparator is used to sink the current for the transistor base and light the LED.
A video of the prototype at work compared with the way I currently carry out a pickup current test using a manual switch into the test set.
Current BOM
This is the list of the current parts used in the prototype board.
Item | Quantity | Farnell Part Number | Price |
AD8561 Comparator | 1 | 9603867 | £4.85 |
10k Potentiometer | 1 | 1141404 | £1.42 |
270R 250mW 5% Resistor | 1 | 9339353 | £0.0205 |
620R 250mW 5% Resistor | 1 | 9342109 | £0.0325 |
100k 250mW 5% Resistor | 1 | 9339078 | £0.024 |
150k 250mW 5% Resistor | 1 | 9339205 | £0.0208 |
300k 250mW 5% Resistor | 1 | 9341714 | £0.0313 |
1M 250mW 5% Resistor | 1 | 9339086 | £0.023 |
2N39052N3905Transistor | 1 | 1357340 | £0.176 |
IRF510 MOSFET | 1 | 1653658 | £0.583 |
5mm Red LED | 1 | 1855506 | £0.179 |
SLD-70 BG2A Photodiode | 1 | 1219006 | £6.66 |
Donut Magnet | 1 | ——— | £7.16 |
Tap Washer | 2 | ——— | £1.55 |
2.1mm DC Jack | 1 | 2353931 | £1.42 |
2.1mm DC Plug | 1 | 2455456 | £1.42 |
4mm Socket Black | 1 | 1011401 | £2.52 |
4mm Socket Blue | 1 | 1011403 | £2.95 |
Verobaord 122x102mm | 1 | 1536938 | £5.57 |
| Total for Prototype | £36.61 | |
As the project progresses, the number of parts and costs will rise, but I can't see me hitting the price of a unit from Omicron for quite some time.
Work in Progress
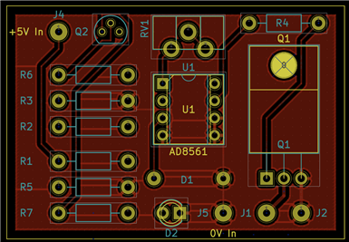
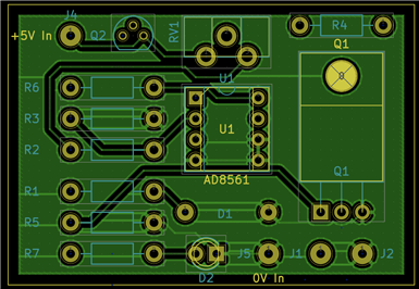
I have played a bit with KiCad to produce a PCB, the original one made before the modification to the transistor / LED circuit seems to have come out reasonably well. This will now have to be redone following on from the circuit modifications.
Currently I am struggling to import the PCB outline, kindly supplied by Hammond, into KiCad, so that I can make the most use of the case layout. The outline was being pulled into KiCad approximately 10% larger than the actual sizes when measured with the dimensioning tool.
Originally, I thought this was a problem with KiCad, but today I opened the file at work in DWG Viewer and used its dimension tool and measured the same 10% difference. Looks like I will need to draw it out myself and export to DXF format.
I also need to build up a couple more holders for the photodiodes. One will be a horizontal support bar for a photodiode across each element of the relay. Another will be supported off a suction cup for mounting onto relays with plastic housings. I have yet to find all the parts for this.
Obviously, to utilise PITS out in field works, it will need a case. Unfortunately, I have done my usual trick of selecting a case that might be a bit too small for the project.
I have an 18650 cell and a charging board with built in DC booster to provide the 5V supply. The on/off switch is a momentary switch to match the case, so unless I find a latching switch, I will need to construct a latching circuit to use with it. This would be another little learning opportunity for me, so I may just stick with the momentary switch.
Depending on space, I may combine the output and photodiode connections into one multi-way connector, or drop the output down to 2mm sockets.
I had purchased a 2 pin socket with a plug and lead for the sensors to provide a more robust solution. I also like the availability of a protective cap for the socket when it is not in use. As with the other items though, this puts pressure on the case size.

















Top Comments