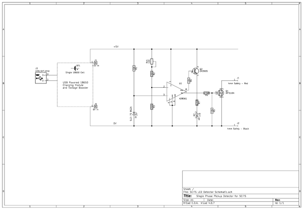
I have been trying to build up a Pick-up Indicator Test System (PITS) to detect the overcurrent indicator on protection relays I test, for the project14 test instrumentation.
Once I figured out that there are some photo diodes that respond better to green LEDs than others, I managed to get the circuit working. However, I then decided to add an output indicator off the negated output of the AD8561 comparator chip I was using. After adding this, both outputs of the comparator remain low and the LED is on all of the time.
When I drop out R6, the 10k resistor to the pnp transistor base, the circuit starts to work again.
Anybody have any ideas what I am doing wrong? The only thing I can think of doing is to increase the size of R6, I had originally calculated this as 14k for a 1mA base current, but from my limited selection, 10k was the closest I had.
I also find that when turned on, the MOSFET has a resistance of 780 ohms, which seems a little high to me?
Kind regards


