Those of you that have followed my insulation tester series may have noticed that I have a little winding simulator to carry out winding resistance and insulation tests on, to save going out and finding a motor. The simulator also produces consistent results that is ideal for insulation tester comparisons, instead of a motor whose insulation system can vary with moisture and humidity.
The winding simulator is capacitive in nature, instead of inductive, to create the charging effect of a polarisation index test. However, in its original form, it did not simulate a leakage path between windings, as would be found on a real motor.
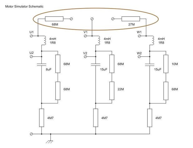
In my reviews of insulation testers, I have now come across a small 1kV insulation tester that has a guard terminal fitted, so to demonstrate its use, I have modified the winding simulator to now have some optional leakage between the windings.
The original circuit has now had the two leakage resistors installed, that are circled in the schematic above. Inside the winding simulator, I have soldered one end of the resistors via a wire onto the U1, V1 and W1 terminations and crimped the other ends to connect to the studs in the end cap. I have sleeved the two resistors to protect against shorts as seen win the picture below.
I have chosen to add these resistors via three studs on the end of the case, so I can select wether or not to have the leakage in circuit.
Whilst the simulator is in use, these studs would have 500V on them, so I have made up some little threaded caps to go over them when they are not in use.
The studs, have been spaced so I can use the shorting links from the motor connector block to add the leakage into the circuit. The two pictures show a couple of the options I now have for adding leakage to the simulator.
The three plots below summarise the tests carried out for different configurations. The blue line represents the PI test with the other two windings left floating and no leakage installed and naturally gives the higher readings.
The green line represents the PI test when the leakage links have been fitted to the simulator. The final orange line represents the PI test with the links fitted and the other two windings connected to earth. This would be the usual insulation tests for a large motor with access to all the winding connections. This is depicted below by the yellow insulated crocodile clip links shorting out two of the windings to earth.
The table below shows the results for each phase with the leakage applied between U and V Phase. Each phase was then tested at 500V whilst the other two phases were floating, then earthed and then connected to the guar terminal of the insulation tester.
The two interesting results to me are the 1 minute insulation values and the DAR values. The two plots below show these test results for easier comparison to one another.
With leakage only applied between U and V Phases, the tests on W Phase show the same result irrespective of the test configuration. For U and V Phases, the test configuration altered the value of the test result. With the untested phases earthed, both U and V Phases showed lower insulation resistance and DAR values. Removing the earth and repeating the test with the untested phases floating, produced a slightly higher insulation resistance, but some leakage would still be going through the leads and simulator.
Reconfiguring the test with the untested phases wired to the guard terminal on the insulation tester, showed the highest insulation and DAR values. The guard terminal is basically detecting any leakage into the untested phases and removing it from the result, leaving only the leakage from the tested phase to earth.
I am happy with the modification to the winding simulator and it now gives me more additional functionality and improves the test regime for those insulation testers that are fitted with a guard terminal. This will also act as a forerunner for a larger version of the winding simulator for higher test voltages that I would like to build.
I will demonstrate more in depth use of the guard terminal, and some of its uses, in the review of that specific insulation tester.













Top Comments