Introduction
I was inspired by a recent post from shabaz on Building Kelvin (4-Wire) Test Leads. Shabaz explains in detail and with clarity why measurement of small resistances with the two leads on a multimeter is difficult. This got me to thinking about how I might build my own 4-wire Kelvin instrument. This post will describe initial tests of a simple current source that can be used with a digital multimeter to more accurately measure small resistances.
Method and Objectives
For accurate measurement a precise current source using two wires to connect to the device under test (DUT) must be created. Separate wires are used for voltage measurement. I have a good bench multimeter (thank you again element14 and community for selecting my project and enabling me to buy this instrument with the prize money) which will serve as the voltage measurement instrument in this test. I am considering building a self contained battery powered instrument and if so will replace the multimeter with either a small panel meter or a microcontroller and display.
Here are the design objectives:
- Inexpensive
- Can run off batteries
- No more than 10 mA to DUT
- milliohm level accuracy
- Range 1 milliohm to 10 ohms
Design
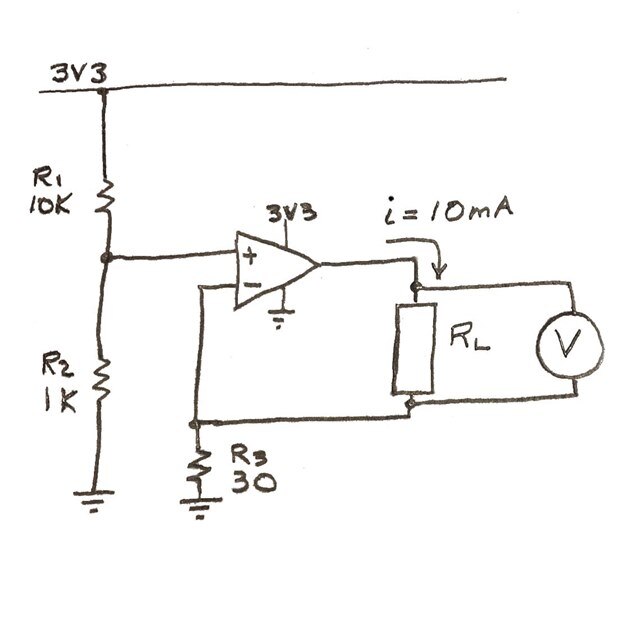
To start, I chose a simple circuit using a single op-amp to create as a current source to see how far it would get me.
The op-am is a dual rail to rail TLV2462a I had on hand with 500 uV typical input offset voltage. The supply voltage can be from 2.7 to 6 V single supply so it will work well with batteries and a microcontroller. The temperature coefficient of the input voltage is 2 uV per degree C so it should be fairly stable. The second op-amp on the IC may come in handy later.
The remaining circuit components and values were chosen as follows:
- 3V3 power rail - this needs to be precise since along with a voltage divider it will set current. I am using my bench power supply for this test but will use a voltage regulator in a final design.
- 0.3 V common mode op-amp input voltage - This was selected as it is well above the lower level for input and output voltage and is also at a convenient level for setting the current. It provides room between the lower and upper voltage output levels for a range of resistance measurements.
- 10K and 1K values for the voltage divider - arbitrary 1% values I had on hand which set the voltage to the non-inverting input of the op-amp at 0.3 V.
- 30 ohm current setting resistor - since the non-inverting input is 0.3 V, the op-amp will do it's best to keep the inverting input the same due to op-amp action with negative feedback. Through Ohms Law the current is 0.3 V / 30 ohms = 10 mA.
Construction
Here is the circuit on a breadboard:
Power comes in from the left out of my bench power supply and is supplied to the rails of the op-amp. The resistors for the voltage divider can be seen lower left on the breadboard and feed the non-inverting input through the yellow wire. I measured the voltage at 300.3 mV. The salmon / pink colored wire is the output and goes to the DUT - a coil of orange wire. The blue wire leads to the inverting input. I did not have a 30 ohm 1% resistor and used 33 ohm and 330 ohm in parallel instead (measured resistance of 30.04 ohms). Since the measured voltage across the current setting resistors was 300.5 mV and the measured resistance was 30.04 ohms the current is as close to 10 mA as I can get with my equipment. The multimeter readings are steady.
Testing
I tested a range of 1% resistor values I had on hand from 30 ohms down to 1 ohm. All were within the accuracy of the resistors and matched my multimeter well. I followed the example of Shabaz and used wire for the final test. I believe it to be 26 AWG telephone wire and it is approximately 1 meter in length. I "center tapped" it so that I could measure from end point to end point or from the center to either end point. The following photo shows the results:
The left photo reads 0.90 millivolts across the entire coil of wire. Since the current is 10 mA the measured resistance is 0.090 ohms. In the picture on the right the center tap to right end is being measured at 0.44 millivolts which is a resistance of 0.044 ohms where we expect 0.045 ohms. I got identical results using the other end of the wire and the center tap.
I also measured the resistance of the wire using the multimeter. When the leads are shorted together the meter reads 0.09 ohms. On the center tap to end measurement the meter reads 0.20 ohms so if I back out the leads I get 0.11 ohms which is more than twice what was measured using the Kelvin method and the current source. The spec sheet states that the meter has 0.01 ohm resolution with accuracy +/-(0.3%+40)+test leads open circuit value when the range is 400 ohms.
Summary
I was surprised at how well this simple current source performed. I believe that this breadboard setup is already performing better than my multimeter on its own. Should I decide to continue developing it I will consider doing the following:
- Use a microcontroller with built in op-amps
- Second stage amplification to increase the range
- Select an enclosure with panel and design a PCB
Thanks for reading. Suggestions for improving this project and a way to calibrate would be greatly appreciated.



Top Comments
-
jw0752
-
Cancel
-
Vote Up
+4
Vote Down
-
-
Sign in to reply
-
More
-
Cancel
-
fmilburn
in reply to jw0752
-
Cancel
-
Vote Up
+3
Vote Down
-
-
Sign in to reply
-
More
-
Cancel
Comment-
fmilburn
in reply to jw0752
-
Cancel
-
Vote Up
+3
Vote Down
-
-
Sign in to reply
-
More
-
Cancel
Children