I was fortunate to receive a Pi camera to use as a webcam.
This is no ordinary straight forward project but is located on a skifield www.mtlyford.co.nz.
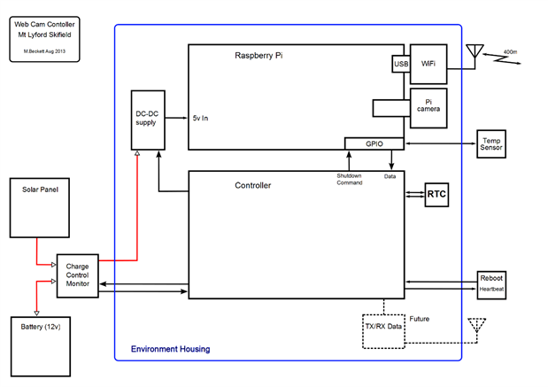
To add to all the problems associated with the environment, the location has no cabling for power or communications.
Hence the project requires Solar and WiFi over approx 400m, meaning some custom aerials as well.
To save power the controller needs to initiate a shutdown, and startup at set times, as well as orderly shutdown and warnings if the battery state is low.
Because there is limited technical support on the field, it has to be simple and easy to reboot.
Its a 2hr drive and when I do go there and ski, there can be other issues to resolve, plus the prospect of lugging something to plug in and communicate with it, is something I prefer not to do.
Therefore it would be better to iron out the bugs prior to installation. (I would much soon walk outside across the lawn to sort it out).
In my other work, we have found that once the users have a tool, they suddenly are unable to function when that tool stops working, and this will be the same for skiers.
The image above outlines the parts necessary, and this will dictate the software.
One of the concerns is the cold soak overnight, or when the field is shut for storms.
NZ skifields tend to be low in elevation with wet, cold snow, on exposed mountain tops, where ice and cold are partners.
There is limited heating (big yellow thing), and the location is in shade until at least mid-day (which is good for the camera), but not for melting the ice.
Because of this I have not set a 'death-march' timeframe, and don't anticipate it being operational and feeding images onto the live camera feeds until next year.
If it goes well there is also likely to be a second camera, as they have suggested an alternative site.
I now have the Pi, solar panel, a battery that will suit, the USB WiFi and a choice of controllers (KL25z or Arduino).
The charge controller and DC-DC supply are minor, but the directional 2.4GHz antenna and a suitable housing is the next priority.
The revised location suits a simple spotlight ... but this has cold soak issues to overcome.
In the meantime I'll keep looking and start on the 2.4GHz directional antenna.
Mark


Top Comments