Hello everyone,
I've searched the web for about a week trying to find a solution for my problem.
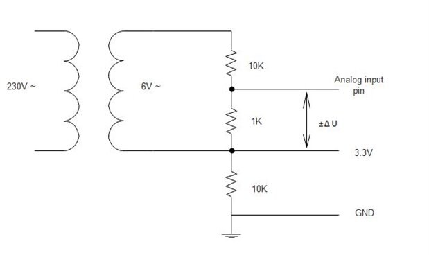
As the title says I am trying to read an AC 50Hz sine wave from the analog input pins, and display it on my computer by using LabView, problem is that I can't get a normal sine wave signal, I'll upload pictures that show my sine wave, and my program (vi) in LabView. Does anyone know how to get a pure sine wave? Thank you in advance.




