I cloned and went through the example "Prebuilt Platforms Using Hardware Definition Files (HDFs)" https://github.com/Avnet/hdl/tree/mz_petalinux_2018_2 .
I can get the Hello World printf() statements to work and have been trying to blink the Red/Green LED's. I've tried to follow the only examples I can find but none of them are specific for the minized.
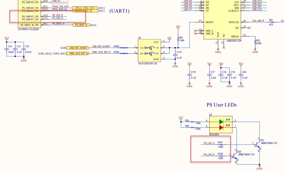
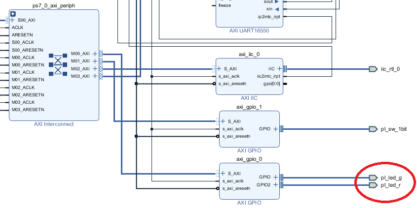
The examples I can find write directly to a pin number and use XGpioPs_LookupConfig(XPAR_PS7_GPIO_0_DEVICE_ID); to setup the I/O. I think I should be using XPAR_AXI_GPIO_0_DEVICE_ID.
Nothing works and I have no idea what to put for the pin number. My code is below.
Help please!
//------------------------------------------------------------------------------------------------------------------------------
#include <stdio.h>
#include <math.h>
#include "platform.h"
#include "xil_printf.h"
#include "xgpiops.h"
////#include "xparameters_ps.h"
#include "xparameters.h"
int main()
{
XGpioPs_Config *GPIO_Config;
XGpioPs my_Gpio;
int Status;
int LED_ONOFF = 0;
int i,j;
int portpin = 0;
float raddeg,deg,num;
init_platform();
print("\n\rHello World\n\r");
// Port Setup
//GPIO_Config = XGpioPs_LookupConfig(XPAR_PS7_GPIO_0_DEVICE_ID);
GPIO_Config = XGpioPs_LookupConfig(XPAR_AXI_GPIO_0_DEVICE_ID);
Status = XGpioPs_CfgInitialize(&my_Gpio, GPIO_Config,GPIO_Config->BaseAddr);
XGpioPs_SetDirection(&my_Gpio,portpin,1); //Set Pin Direction. (1 == output)
XGpioPs_SetOutputEnablePin(&my_Gpio,portpin,1); //Enable output pin
printf("GPIO Setup Completed\n\r");
//Blink the LED 5 times and delay blink by printing to screen.
for(j=0;j<5;j++)
{
for (i=0;i<=4000;i++)
{
printf("LED=%d\r",LED_ONOFF);
}
printf("\nLEDChange\n\r");
if(LED_ONOFF == 1)
{
LED_ONOFF = 0;
printf("LED is OFF\n\r");
}
else
{
LED_ONOFF = 1;
printf("LED is ON\n\r");
}
XGpioPs_WritePin(&my_Gpio,portpin,LED_ONOFF);
}
cleanup_platform();
return 0;
}


