For todays project, I would like to introduce a few helpful components for using the PSoC 4 Pioneer kit. Attached with this post is a file called a .cycomp file. This file contains the components mentioned today. To import the components into your workspace, follow these steps:
1.) Go the the components tab and right-click on your project and select "Import Component"
2.) when the dialog box opens, select "Import from archive" and click on the "..." Navigate to the location where you downloaded the .cycomp file, select it, then click "OK"
3.) you should now have a new tab in your library called "Community" with a few new components and macros available.
The PSoC 4 Pioneer Kit component is an annotation component with active wire terminals to show how external devices should connect to the Pioneer kit. You can browse PSoC Creators library of annotation components and even make your own annotation components if we dont have something you need. I have attached a quick video showing the PSoC 4 Pioneer kit annoation component and some quick examples of how useful it can be:
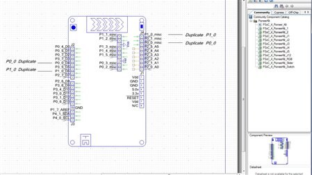
The other components in the library are schematic macros. Schematic macros are a group of preconfigured components that get placed together. These schematic macros are preconfigured groups of pins that correspond to the pins on the Pioneer kit. When you place one of these schematic macros, they will automatically assign themselves to the right pin location when the project is generated. Some pins connect to more than one location on the Pioneer kit, and so there are two pins that will attempt to be located in the same place. These two pins are P0_0 and P1_0. You can remove either of the duplicate pins and generate the project.
The pins will be automatically assigned to the correct location by PSoC Creator. Go ahead and lock the pins once they have been placed:
*Note, the digital input pins are configured for software useage (e.g. P0_4_D0_Write() and P0_4_D0_Read()). In order to connect the pin to a digital resource, double click on the on the pin and check the "HW Connection" check box under the "Digital Input" checkbox. A digital connection point will appear on the pin allowing you to connect it to other digital resources.
Thats enough for now. Go! Give it a try! Be dangerous! : )







