| BUY NOWBUY NOW | Development Tools | Technical Documents | Video | Features | Kit Contents |
![]() | Kit Overview
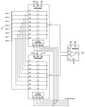
The Analog Devices EVAL-CN0253-SDPZEVAL-CN0253-SDPZ circuit is a robust battery monitoring front end designed for environments where transients are likely to occur, such as in industrial or process automation environments. The circuit uses the ADG5408ADG5408 8-channel CMOS multiplexer followed by the AD8226 instrumentation amplifier to provide accurate voltage monitoring of individual cells at low power and low cost, and requires no additional external transient protection circuitry.
The two multiplexers and the instrumentation amplifier (IA) used in this design have robust inputs. The ADG5408ADG5408 is a high voltage 8:1 multiplexer that is latch-up proof. The trench isolation technology used in the fabrication of the ADG5408 prevents the latch-up state and reduces the need for external protection circuitry. Latch-up proof does not guarantee overvoltage protection and only means the switch does enter the high current SCR mode. The ADG5408 also has an electrostatic discharge (ESD) rating of 8 kV human body model (ANSI/ESDA/JEDEC JS-001-2010).
The AD8226AD8226 is a low cost, low power, instrumentation amplifier with robust inputs and can handle input voltages up to 40 V from the opposite supply rail, while restricting the output to within the rails. For instance, with ±18 V supplies, the positive or negative input of the AD8226 can swing between ±22 V with no damage. All inputs of the AD8226 are protected against ESD with internal diodes.
The EVAL-CN0253-SDPZEVAL-CN0253-SDPZ board can be used as a standalone board, or in conjunction with the EVAL-SDP-CS1ZEVAL-SDP-CS1Z system demonstration platform (SDP-S) evaluation board. In the standalone mode, the A0, A1, A2, and EN logic levels can be controlled by links on the board or from external sources connected to the board via SMB connectors.
Key Applications: Electronic Test & Measurement, Power Supplies | |||||||||||
| ||||||||||||
Development Tools
- PC with a USB port and Windows
XP or Windows Vista
(32-bit), or Windows
7 (32-bit)
- EVAL-CN0253-SDPZEVAL-CN0253-SDPZ circuit evaluation board
- EVAL-SDP-CS1ZEVAL-SDP-CS1Zcontroller board
- USB to Serial Engine
- 1 xsmall footprint 120 Pin Connector
- Configurable interface ( SPI, I2C, GPIO)
- USB 2.0 interface to the PC
- CN0253 SDP evaluation software
- ±18 V power supply
- Lion batteries
- Digital voltmeter to measure output
Technical Documents
Learning Center
Design Elements
Video
Kit Features
Key Features for ADG5408ADG5408/ADG5409 are as below:
- Latch-up proof
- 8 kV HBM ESD rating
- Low on resistance (13.5 Ω)
- ±9 V to ±22 V dual supply operation
- 9 V to 40 V single supply operation
- 48 V supply maximum ratings
- Fully specified at ±15 V, ±20 V, +12V and +36V
- VSS to VDD analog signal range
Key features for AD8226AD8226 are as below:
- Gain set with 1 external resistor
- Gain range: 1 to 1000 Input voltage goes below ground
- Inputs protected beyond supplies
- Very wide power supply range Single supply: 2.2 V to 36 V Dual supplies: ±1.35 V to ±18 V
- Bandwidth (G = 1): 1.5 MHz CMRR (G = 1): 90 dB minimum for BR models Input noise: 22 nV/√Hz
- Typical supply current: 350 μA
Kit Contents
The Analog Devices EVAL-CN0253-SDPZEVAL-CN0253-SDPZ kit is supplied with below contents:
- Evaluation Board





